EasyManua.ls Logo

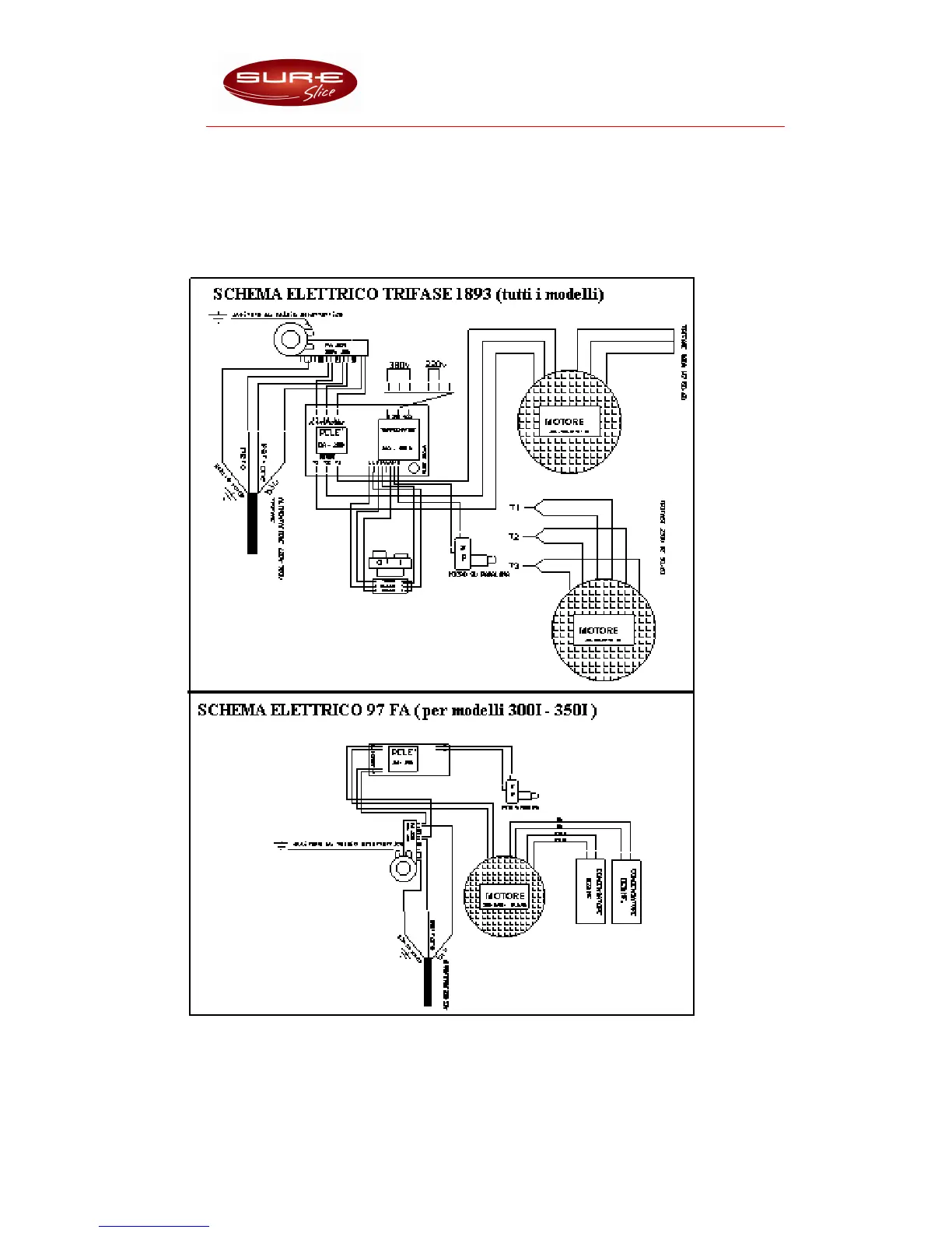
Sure Slice SSG195S - ELECTRICAL DIAGRAM 97 FA (for Versions 300 I - 350 I)

Default Icon
29 pages
Print Icon
To Next Page IconTo Next Page
To Next Page IconTo Next Page
To Previous Page IconTo Previous Page
To Previous Page IconTo Previous Page
Loading...
SURE SLICE – GRAVITY FEED SLICERS
ELECTRICAL DIAGRAM 97 FA (for versions 300T – 350T)