EasyManua.ls Logo

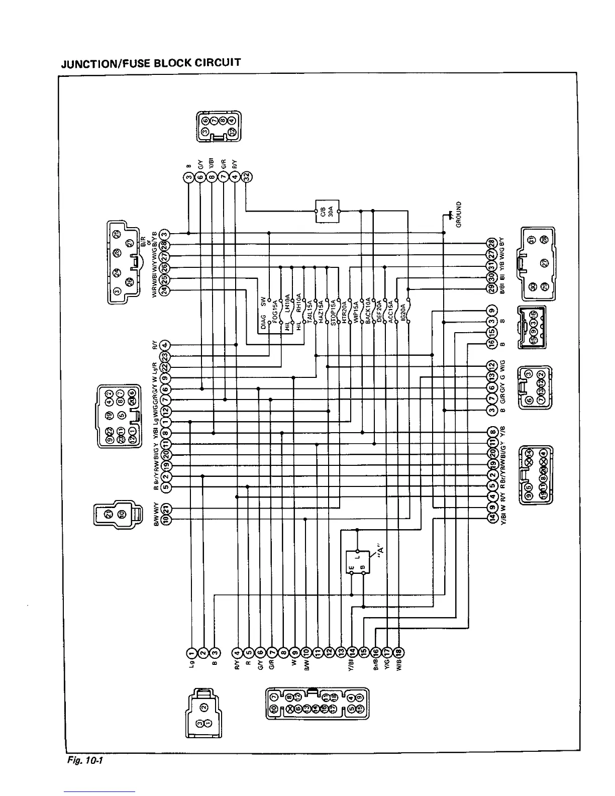
Suzuki SF413 - Junction;Fuse Block Circuit

Suzuki SF413
674 pages
Print Icon
To Next Page IconTo Next Page
To Next Page IconTo Next Page
To Previous Page IconTo Previous Page
To Previous Page IconTo Previous Page
Loading...

Table of Contents