EasyManua.ls Logo

Syclone LGR145 - Page 63

Default Icon
63 pages
Print Icon
To Previous Page IconTo Previous Page
To Previous Page IconTo Previous Page
Loading...
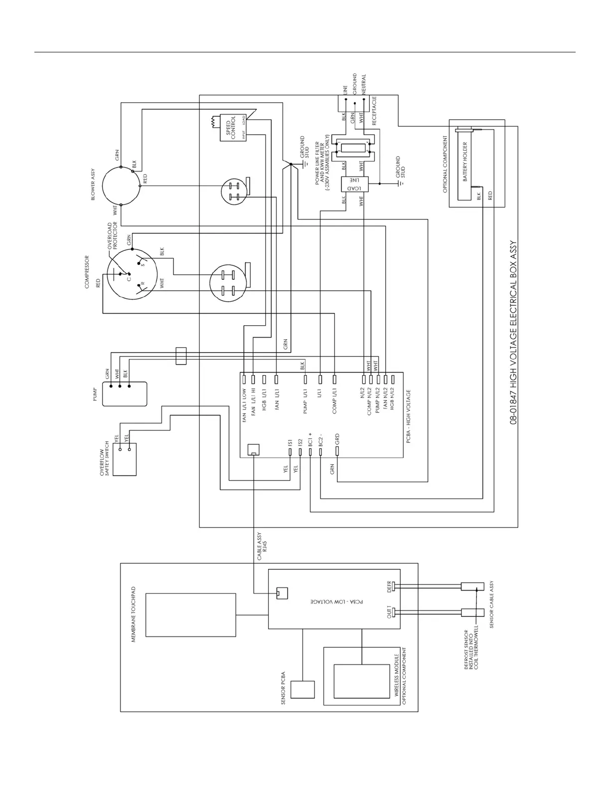
ELECTRICAL SCHEMATIC / ESQUEMA ELÉCTRICO / SCHÉMA ÉLECTRIQUE
CAP - 115V
CAP - 230V
CAP - 115V
CAP - 230V
CONTROL PANEL
ASSEMBLY
07-01922C F532-120V 2015-03 Warranty 07-01939 63 Aramsco