EasyManua.ls Logo

Taco 0015e3 - Page 3

Taco 0015e3
12 pages
Print Icon
To Next Page IconTo Next Page
To Next Page IconTo Next Page
To Previous Page IconTo Previous Page
To Previous Page IconTo Previous Page
Loading...
-3-
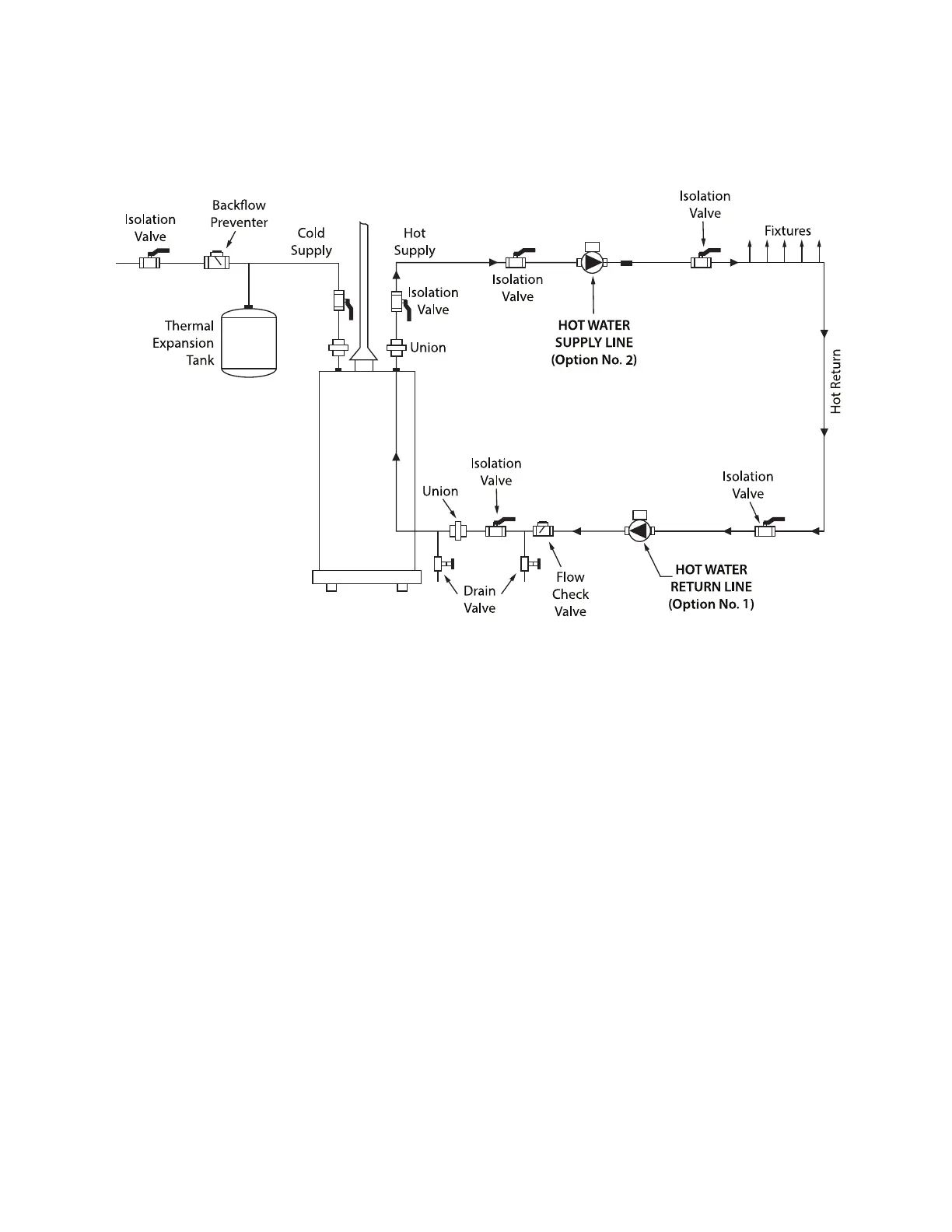
Figure 2:
Typical Installation for Hot Water Recirculation Systems
Water
Heater
Recommended Purging Steps:
1. Open fixture at highest point in system
Open all isolation valves
Once system is filled, close the fixture at
the highest point in the system
Close isolation valve on pump discharge
(Option No. 1 location)
Open drain valve on pump discharge until
all remaining air has been purged
Close drain valve
Operate pump until all remaining air is
purged from bearing chamber
2.
3.
4.
5.
6.
7.

Related product manuals