EasyManua.ls Logo

Taco 0015e3 - Page 4

Taco 0015e3
12 pages
Print Icon
To Next Page IconTo Next Page
To Next Page IconTo Next Page
To Previous Page IconTo Previous Page
To Previous Page IconTo Previous Page
Loading...
-4-
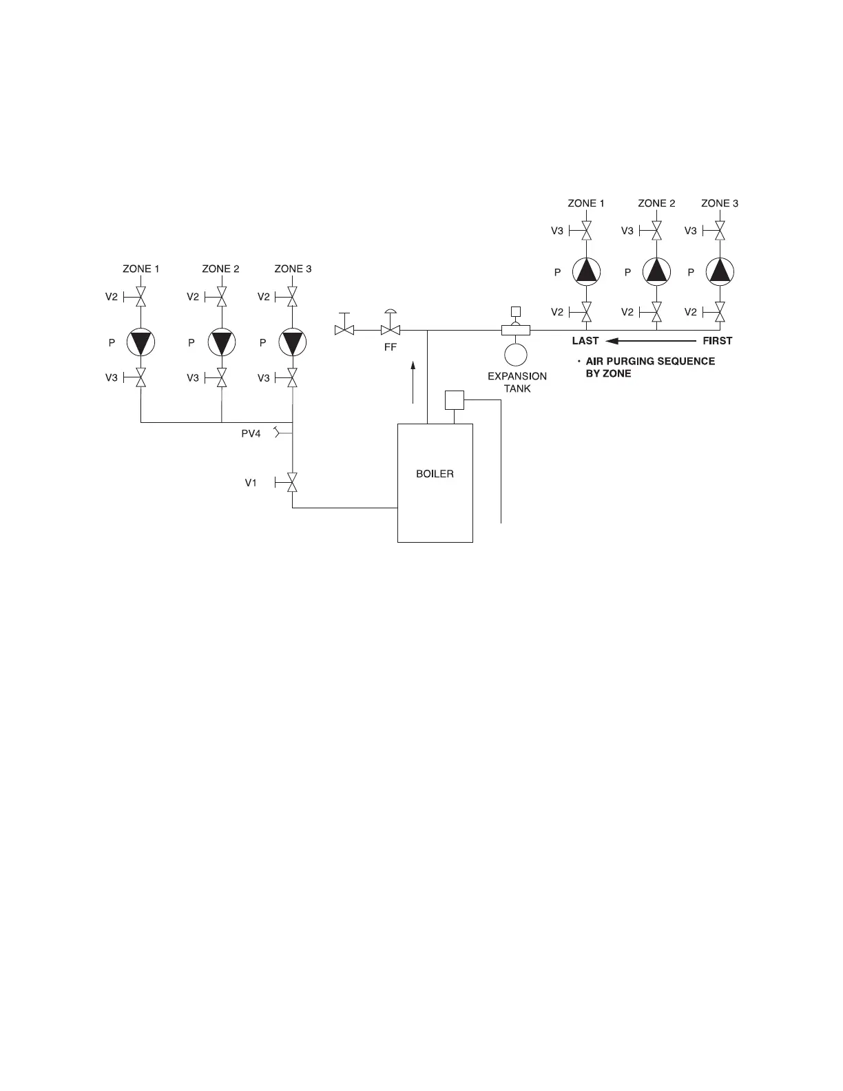
Figure 3:
Typical Installation for Zoned Hydronic Heating Systems
Boiler Supply
(Option No. 1)
Boiler Return
(Option No. 2)
Recommended Purging Steps:
Key:
1. Close V1, PV4, V2
Open V3
Open FF valve
Open V2, PV4, to purge last zone
First (Zone 3)
Close FF Valve
Close V2, PV4
Repeat steps 1 to 6 for each
additional zone, purge zone 1 last
Open V1 when all zones are purged
Adjust system to desired operating
fill pressure if required
2.
3.
4.
5.
6.
7.
8.
9.
V1, V2, V3 = Shut-off Isolation Valve
P = Taco circulator with IFC installed
FF = Fast Fill Boiler Feed Valve
PV4 = Purge Valve

Related product manuals