EasyManua.ls Logo

Taco VR15M - Mode 1: Analog Control

Default Icon
56 pages
Print Icon
To Next Page IconTo Next Page
To Next Page IconTo Next Page
To Previous Page IconTo Previous Page
To Previous Page IconTo Previous Page
Loading...
-24-
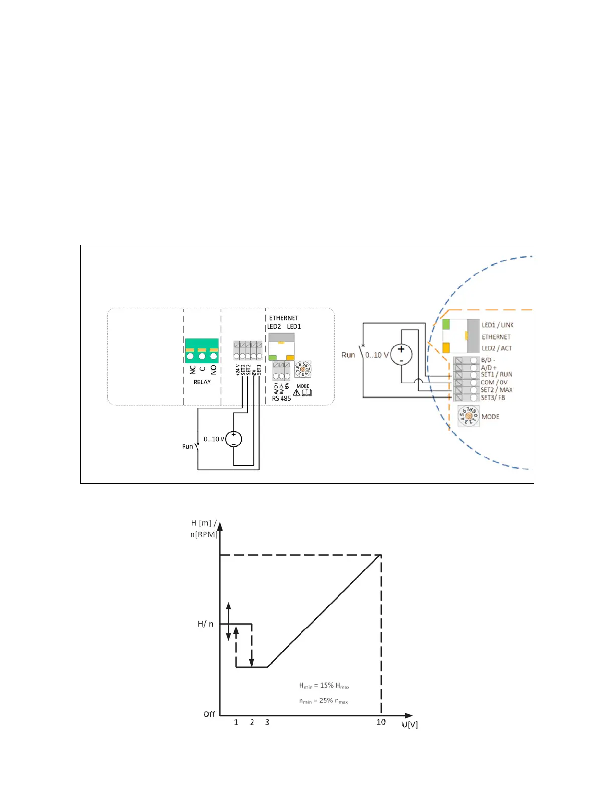
MODE 1 – Digital switched enable / disable (on/o), external analogue 0-10Vdc speed or head control
(pump starts on medium speed or head)
Application: Using an external 0-10Vdc signal to control the speed (or head) of the pump and a separate signal
to enable/disable the motor. Pump starts and stops on medium speed for pre and post purging.
IMPORTANT:
• Mode value must not be set to MAX or Auto, otherwise changes in the 0-10Vdc signal
will not change the pumps performance
• Minimum and maximum speeds can be set via the pumps HTML web page “Pump conguration tab
• Reverse polarity will not cause damage – The pump will not react to any changes
• 0-10Vdc values can be conrmed on the pumps HTML web page, Overview Tab, Control Signal
(See Section 19)

Table of Contents

Related product manuals