EasyManua.ls Logo

Taco ZVC406-EXP

Default Icon
104 pages
To Next Page IconTo Next Page
To Next Page IconTo Next Page
To Previous Page IconTo Previous Page
To Previous Page IconTo Previous Page
Loading...
6
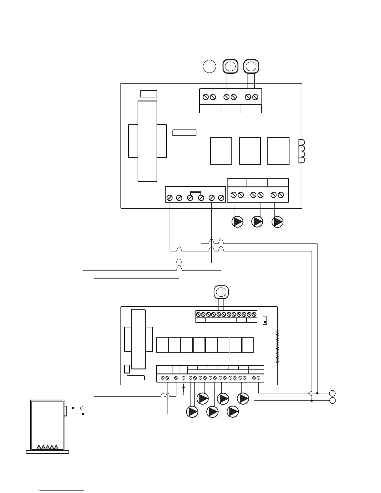
SR502/503 Switching Relay Controlling Another SR504/506 Switching Relay
SIX ZONE SWITCHING RELAY
WITH OPTIONAL PRIORITY
ZONE 6
ON
OFF
PRIORITY
120V RELAY
120 VOLT CIRCULATORS
ZC ZR
X X
END
SWITCH
POWER
INPUT
120 VAC INPUT
TO: "TT" ON BOILER
ZONE1
ZONE2
ZONE3
ZONE4 ZONE5 ZONE6
ZONE1
ZONE2
ZONE3
ZONE4
ZONE5
ZONE6
FUSE 1 AMP
24 VAC
POWER
SR 506
ZONE 2
POWER
ZONE 1
ZONE 3
ZONE 4
ZONE 5
ZONE 6
THERMOSTATS
BOILER
H
N
SR 503
ZONE1 ZONE2 ZONE3
24 VAC
POWER
FUSE 1 AMP
120 VOLT
CIRCULATORS
ZONE1 ZONE2 ZONE3
JUMPERS
N P ZC H X ZR
1
X
2
THREE ZONE SWITCHING RELAY
WITH OPTIONAL PRIORITY
T
A
T
MASTER
ZONE 2
POWER
ZONE 1
ZONE 3
SLAVE
T
PRIORITY ON
VIA JUMPER
PLACEMENT
REMOVE
JUMPER
PRIORITY
OFF
AQUASTAT
ON DHW
HEATER

Table of Contents

Related product manuals