EasyManua.ls Logo

Tait TM8235

Tait TM8235
578 pages
To Next Page IconTo Next Page
To Next Page IconTo Next Page
To Previous Page IconTo Previous Page
To Previous Page IconTo Previous Page
Loading...
TM8100/TM8200 Service Manual Transmitter Fault Finding (40W/50W) 281
© Tait Electronics Limited June 2006
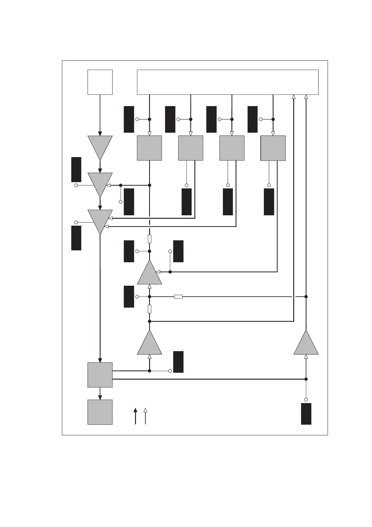
Figure 11.7 Measurement and test points for diagnosing faults in the biasing of the PAs and PA
driver
PIN
SWITCH
AND LPF
REV PWR
FWD PWR
R336R347
DIREC-
TIONAL
COUPLER
PAs
BUFFER
AMPLIFIER
BUFFER
AMPLIFIER
POWER
CONTROL
DRIVER
EXCITER
BIAS
LIMITER
SHAPER
AND
LEVEL
SHIFTER
SHAPER
AND
LEVEL
SHIFTER
SHAPING
FILTER
FRE-
QUENCY
SYNTHE-
SIZER
CDC TX DRV BIAS
CDC TX FIN BIAS1
CDC TX FIN BIAS2
CDC TX PWR CTL
TX FWD PWR
TX REV PWR
CODEC
AND AUDIO
CIRCUITRY
SIGNALTYPES
RF
ANALOG
SET PWR
TEST POINT
SET PWR
TEST POINT
DRV
TEST POINT
DRV
TEST POINT
PIN8OF
IC303
PIN 8 OF
IC303
PIN9OF
IC303
PIN 9 OF
IC303
PIN 10 OF
IC303
PIN 10 OF
IC303
PIN5OF
IC303
PIN 5 OF
IC303
PIN3OF
IC303
PIN 3 OF
IC303
FIN1
TEST POINT
FIN1
TEST POINT
FIN2
TEST POINT
FIN2
TEST POINT
PWR
TEST POINT
PWR
TEST POINT
PIN 14 OF
IC301
PIN 14 OF
IC301
PIN 8 OF
IC301
PIN 8 OF
IC301
PIN 1 OF
IC301
PIN 1 OF
IC301
GATES OF
Q309, Q310
GATES OF
Q309,
Q310
GATE OF
Q306
GATE OF
Q306
R396

Table of Contents

Other manuals for Tait TM8235

Related product manuals