EasyManua.ls Logo

Tait TM8235

Tait TM8235
578 pages
To Next Page IconTo Next Page
To Next Page IconTo Next Page
To Previous Page IconTo Previous Page
To Previous Page IconTo Previous Page
Loading...
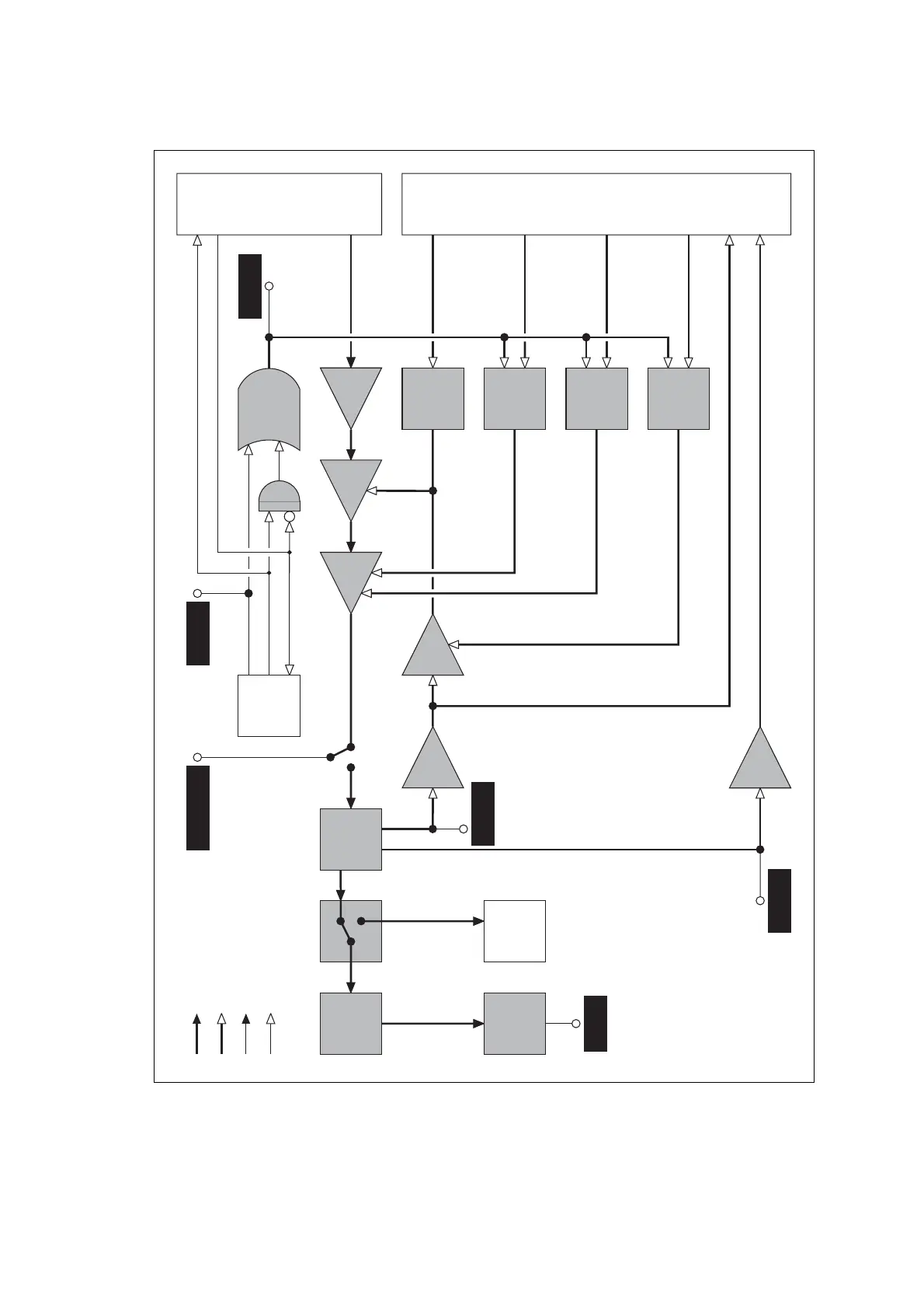
TM8100/TM8200 Service Manual Transmitter Fault Finding (25W) 333
© Tait Electronics Limited June 2006
Figure 12.5 Measurement and test points for diagnosing faults concerning the transmitter
RF power
REV PWR
TEST POINT
REV PWR
TEST POINT
FWD PWR
TEST POINT
FWD PWR
TEST POINT
LEAD TO
TEST SET
LEAD TO
TEST SET
TX INH
TEST POINT
TX INH
TEST POINT
50 TEST LEAD
TO TEST SET
50 TEST LEAD
TO TEST SET
D TX INH
TEST POINT
DTXINH
TEST POINT
RF CON-
NECTOR
RECEIVER
LPF
DIREC-
TIONAL
COUPLER
PAs
BUFFER
AMPLIFIER
BUFFER
AMPLIFIER
POWER
CONTROL
PIN SWITCH
DRIVER EXCITER
BIAS
LIMITER
SHAPER
AND
LEVEL
SHIFTER
SHAPER
AND
LEVEL
SHIFTER
SHAPING
FILTER
DIGITAL
BOARD
OR GATE
DIG TX INH
DIG SYN EN
SYN LOCK
SYN TX LO
FRE-
QUENCY
SYNTHE-
SIZER
TX FWD PWR
TX REV PWR
CODEC
AND AUDIO
CIRCUITRY
SIGNALTYPES
RF
ANALOG
CLOCK
DIGITAL
CDC TX DRV BIAS
CDC TX FIN BIAS1
CDC TX FIN BIAS2
CDC TX PWR CTL
AND

Table of Contents

Other manuals for Tait TM8235

Related product manuals