EasyManua.ls Logo

Tait TM8235

Tait TM8235
578 pages
To Next Page IconTo Next Page
To Next Page IconTo Next Page
To Previous Page IconTo Previous Page
To Previous Page IconTo Previous Page
Loading...
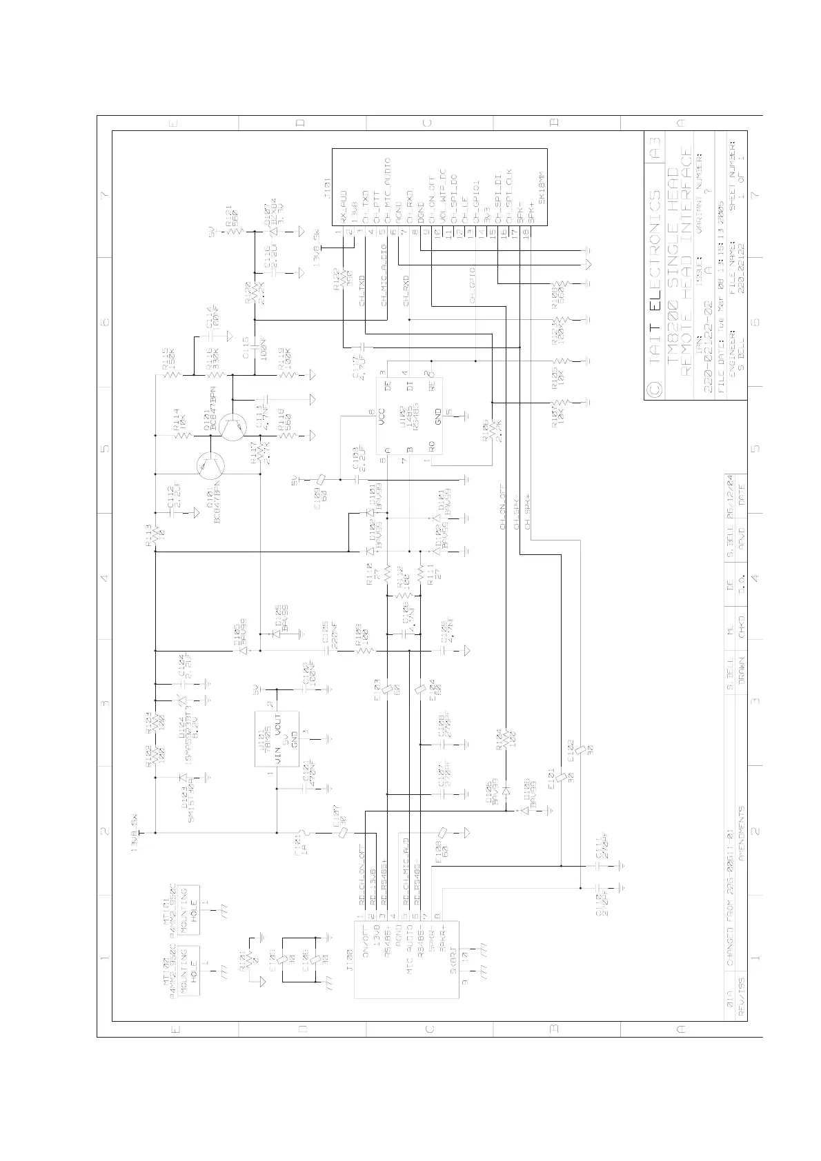
TM8100/TM8200 Service Manual Installing a Remote Kit 523
© Tait Electronics Limited June 2006
Circuit Diagram

Table of Contents

Other manuals for Tait TM8235

Related product manuals