EasyManua.ls Logo

T&M Performance SA4200 - Page 4

T&M Performance SA4200
8 pages
Print Icon
To Next Page IconTo Next Page
To Next Page IconTo Next Page
To Previous Page IconTo Previous Page
To Previous Page IconTo Previous Page
Loading...
V12/2009
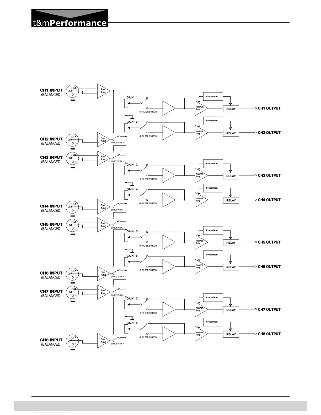
Blockdiagramm
SA8200
Schematics
HPF
HPF
HPF
HPF
HPF
HPF
HPF
HPF

Related product manuals