EasyManua.ls Logo

Teac A-650 - Circuit Schematics; TEAC A-650 Block Diagram Overview

Teac A-650
36 pages
Print Icon
To Next Page IconTo Next Page
To Next Page IconTo Next Page
To Previous Page IconTo Previous Page
To Previous Page IconTo Previous Page
Loading...
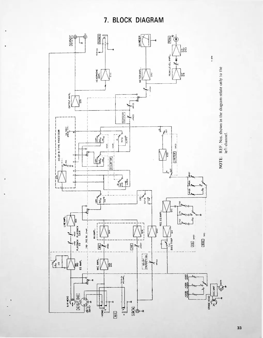
7.
BLOCK
DIAGRAM
5
t
51
5
0
$
Io8
B
33
$
zr
o
?
if
25
I
*
i
cl
St
«
S
Si
s'
3
i
3
5
s
3
I
fel©-
i
£
i
J
I
I
-
t
•x>
<J>
I
l
I
n
il
if
I
l
-o'
<r
=T
$(!>-*
a
U
-Jj
2
X
J:
it
__
K
:^s
S
§
B
1-^
u
L.
dr
r<?
!■
nsT'
-T
Eh
h
¥
o
2?
5
2
i
1
f
I
i,
j
cL
u
uj
C
ai
"
I
il
i
s
u
I
I
I
I
¥
JI
I
I
S
A
&
Tt
'sLsi
?2
<
rr
-T-
J
T
il
s
1^1
I
I
'
ll]
'
ofir
I
__________
l°J
I
_________
I
'••£?
j
T
4r
r
li
5
«

Related product manuals