EasyManua.ls Logo

Teac MT-20D-IO - Page 25

Teac MT-20D-IO
253 pages
Print Icon
To Next Page IconTo Next Page
To Next Page IconTo Next Page
To Previous Page IconTo Previous Page
To Previous Page IconTo Previous Page
Loading...
W
t-'
W
51
-00-
GAIN
SELECT
TP~
~
~
C3~
r
---1-
- ----
--I
r---
--
-
--
-----',
READ
HEAD
+ +
r---
1 + + + + 1 1 + + I
,..-o---i
TR
0/2
~
All
f-
T
VOLTAGE
~
'-t-r-
1
DIFFEREN-
f'-
...
ZERO
I
~
PRE
AMP
I
CONTROLED
AGC
AMP' I
FILTER
I _
TIATOR
CROSSING
1-7-1
~
-
U4
i=--
~~I
f--
-;.:;.
AMP
=-r;.
=-;..-......
!
-_
DETECTOR
rnM
-~
I I 1
I L
_______
J
r----------..J
TRACK
SELECT
r--o--+-
.....
+'"l
TR
113
~
A TT
~
PRE
AMP
f--
VC--t
- U5
~
~
f--
TR
1/3
BIAS
6V
U7
TRO/2-
"---
I I
r-----l--------,
! U6
AGC
f4
- 1 1 I
1------
--
-s"2-l
DETECTOR
IlL.,
TIME
I
r---9
9--r-
f4
- 1
TP7
I
DOMAIN
r-
1
J,
t:J
I
FILTER
GATE
t-o--o
RD
TP3
PI
L
______
- -
--'
1
r,:==================~TP8
I
L
'-----',
r:----~-l-----J
All
r--r-
LEVEL
THRESHOLD
MONO-
R48
1_
DETECT
DETECTOR
r-r-
MULTI
r-
'-
~
r-;-
AMP
r
!
TPIO
.-L~T=H=R=ES=H=OL=D~
1
CONTROL
l-
I
IL-~====~
______
.
__
~
~~---------------------~
TPII
___
'----+--0
LTH
RMOOE
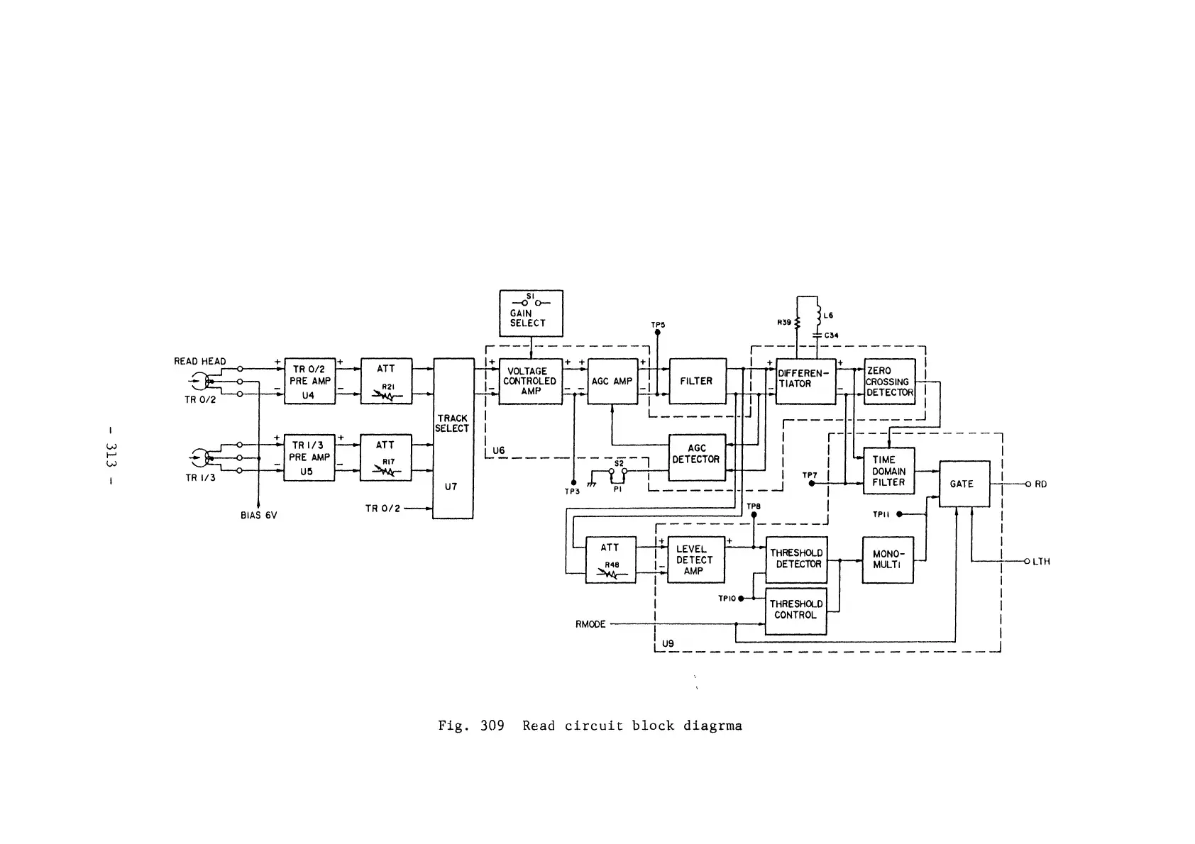
Fig.
309 Read
circuit
block
diagrma

Related product manuals