EasyManua.ls Logo

Technics SA-X800L - Page 25

Technics SA-X800L
34 pages
Print Icon
To Next Page IconTo Next Page
To Next Page IconTo Next Page
To Previous Page IconTo Previous Page
To Previous Page IconTo Previous Page
Loading...
Mi
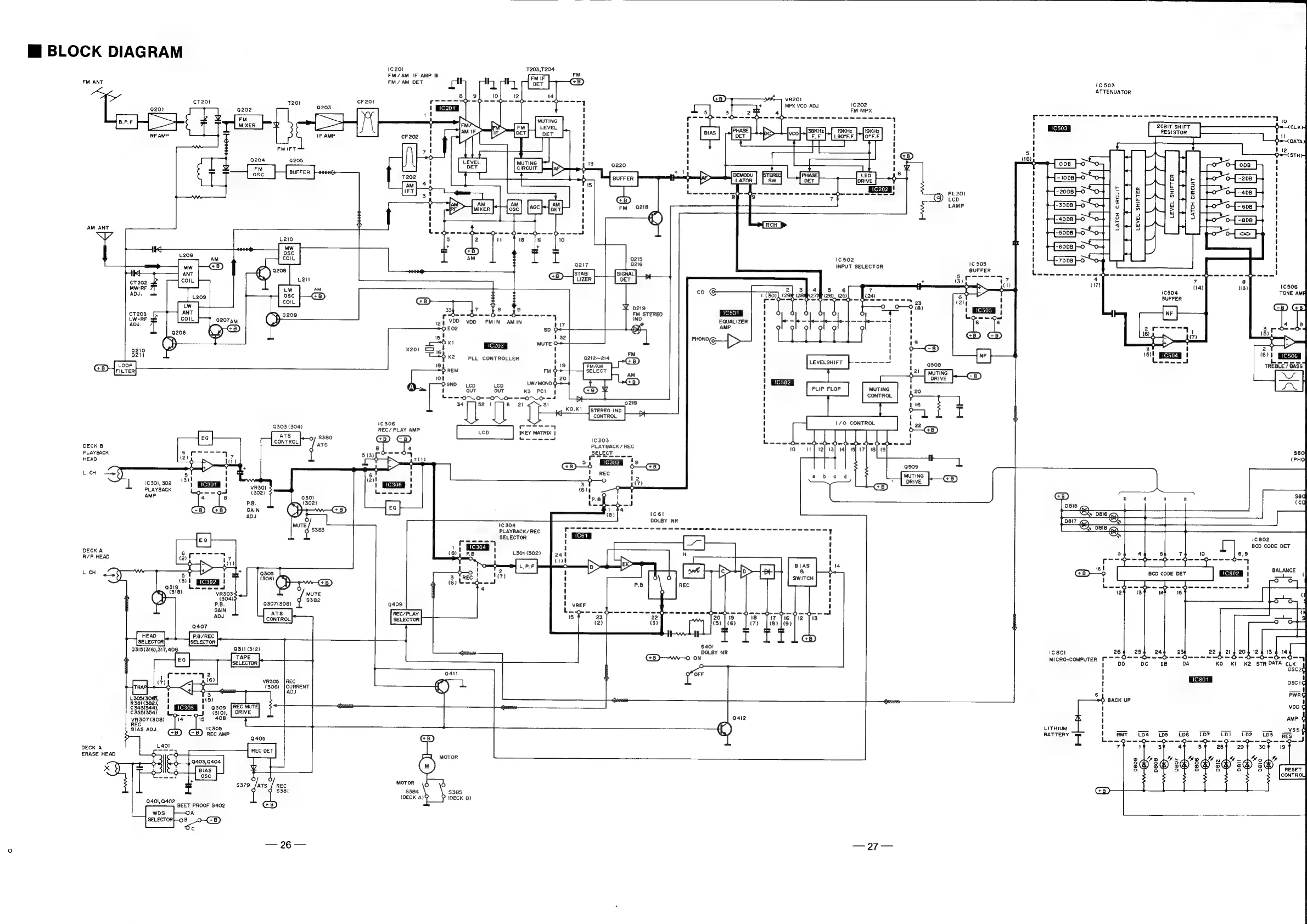
BLOCK
DIAGRAM
FM
ANT
cT201
Q202
FM
MIXER
Q204
FM
osc
AM
ANT
IN
4
1c201
FM/AM
IF
AMP
&
FM/AM
DET
a
8
9
F301
cF201
c-->-
Q203
|
Teg
;
==
IF
AMP
FMIFT
Q205
BUFFER
}-#tH#>
T203,7204
FM
FM
IF
Atha
®D
>
2)
ee
VR201
1
MPX
VCO
ADJ
1c202
FM
MPX
DET
p>
ad
LOO
E
H
ee
:
G8)
pear
ee
PHASE
LED
OET
ORIVE
Qe
a
ee
ee
ae
ed
Q220
BUFFER
3)
LcD
LAMP
18
6
10
+
I
Q217
1c
502
INPUT
SELECTOR
STAB!
LIZER
cT202
MW-RF
:
4,5
6 7
ADJ.
:
co
(27M
(26)
(25)
(24)
=
pe
“Bs
2------4
,,
33
7
Ye
9
W
o219
'
O
ct
203
ro--4---5--3------,
FM
STEREO
ICS01
!
0
0
AbIo”
12)
YD
vob
FMIN
AMIN
lv
INO.
EQUALIZER
:
—-—+———
e
E02
sd
O
Eh
AMP
H
Oo
‘e)
O
e)
O
e)
a)
$32
'
1C203
MUTE
oe:
'
FM
X2
PLL
CONTROLLER
!
e212~214
'
a
fi
:
LEVELSHIFT
Fo—-—-———
'
1
DRIVE
GND
Lep
Leo
LW
7MONG
1
rl
ut
out
K3
PCI
4
GS)
1
SLIP
LOE
MU
UING
20
beng
07
=
0a
bt+—
H
CONTROL
34
52
1
6
21 31
otic
Q219
!
116
4
Ko.
STEREO
IND
t
?
]
7
q
CONTROL
P
1
i
icsée
vy
l
170
CONTROL
\
a2
OaC
rae)
REC/
PLAY
AMP
IKEY
MTR
!
ATS
$380
o
-—
2
t
see
@
ic303
eh
ae
es
DECK
B
8
4
PLAYBACK
/
REC
10
Oo
14]
3]
18
PLAYBACK
siaCer
ren
Seer
oe
HEAD
?
zit)
ane
ne
H
>
;
509
y
(
ry
H
&
ao
bc
d
MUTING
75
1€301,
302
10306
|
3
7
ae
|
C8)
PLAYBACK
aD
a
4
(64
G8)
aur
4
8
9301
Ippp
|
ot
P.B.
Bp
(302)
t-4
-J
CH
GS
GAIN
CY
GB)
1
$4
ADy
AY
(8)
ic6l
g
DOLBY
NR
MUTE
16304
Swsecloosolcooeaeeeawoeon
$383
PLAYBACK/
REC
r
ena
Ned
fer
PAE
ee
ere
ee
en
ee
fe
SELECTOR
'
DECK
A
ia!
pro
1
L304
(302)
R/P
HEAD
rl
'
H
'
t
i
es
Fis
Re
ike
Toa
ee
Tes
Edna
!
(306)
CP
2
'
aT}
(8)
REC
t
MUTE
!
0307(308)
pone
e409
i
eae
wee
Ho
4
hh
SETCCTOR
20
|
19
1s
[17 fie
if
(5)
«6»
|
(7)
|]
(8)
Jt)
$401
asin
DOLBY
NR
ON
o4i1
OW
OFF
vR305
|REC
(306)
|CURRENT
ADJ
L305(30¢5,
R381
(382),
«
Gem
C343(344),
€355(354)
yB307
(308)
a4i2
BIAS
ADy.
f)
by
@B)
DECK
A
AO.
ERASE
HEAD
CJ
motor
x
§)
(«)
$379
Jats
{
REC
MOTOR
10
O
O
S381
$384
$385
(DECK
A)
(DECK
8)
0401,a402
.
BEET
PROOF
S402
OA
a)
Oc
PL201
ao
10
503
ATTENUATOR
EA
eee
Cee
nS
oe)
ee
ees
Seg
iy
ete
eye
ne
ay
,
2OBIT
SHIFT
be
CLk
1
C503
RESISTOR
Qt
DATA
1
Q<~{STR
*
oho
|
y
|
ocfos},
!
Teseost
1]
Uetlstecce
|
Te0BLO
bo
5
|
|
|
oS
Eh
5
1
zon}
O04
|
5
|
|
=
CTS]
2
|
poo
I
|
4
&
!
:
=3008
}-o
of]
S|
fz
Pye
f]s[
te
o-{-
ep
|
'
x= ot
w
<
:
-40p8}-o
4
|
&
|
ry]
pu
4
|
a)
|
fo
o-{-aps
|
H
<
iA}
4d
=
|
:
[-50pa
}-o
Lo
|
|
]
oS
Tes
|
'
t t
beset]
|
t
|
-7ODBT-O
~O
'
i}
i)
Lene
eres
eee
oe
eee
ewe
cube
eee
ea!
4
7 a
(17)
(14)
(13)
1C506
ic504
TONE
AMA
BUFFER
CB)
GB)
NE
4
le
3
pod
——
s|>
3
t
2
(5)!
Et
(1
_e
[pyre
|
Le
ee
TREBLE
/
BASS.
sao}
(PHO
GB)
b
4
a
c
D815
SSE
Losi7
cy
B02
BCD
CODE
DET
12
3
14!
1c@ot
264
254
24
2
224
214
205
124
13
4
14
MICRO-COMPUTER
Poo
Ot
=
On
ea
ea
Oe
nm
nna
b=
On
a
Crm
de
1
(ey)
pc
DB DA
KO
KI
K2
STR
DATA
cLk
1
osc2g
J
t
C801
bacid
i)
i}
6
PWRQ
BACK
UP
'
vp
q
1
'
AMP
q
LITHIUM
i
mes
vss
4
BATTERY
(
Ret
tp4
10s
pe
tov
ipi
Loe ibs
pes
I
Leone
aso
oso
Gee
ep
eo
Soe
7
1
3
4
5
287
29
30
19
D
AYO
AY
4
9
fn
AM
AM
o
AY
°
is
=~
=
oa
2@
8@
8@
§@
8@
s@
3@
CONTRO!

Related product manuals