EasyManua.ls Logo

Technics SC-EH760 - Page 38

Technics SC-EH760
67 pages
Print Icon
To Next Page IconTo Next Page
To Next Page IconTo Next Page
To Previous Page IconTo Previous Page
To Previous Page IconTo Previous Page
Loading...
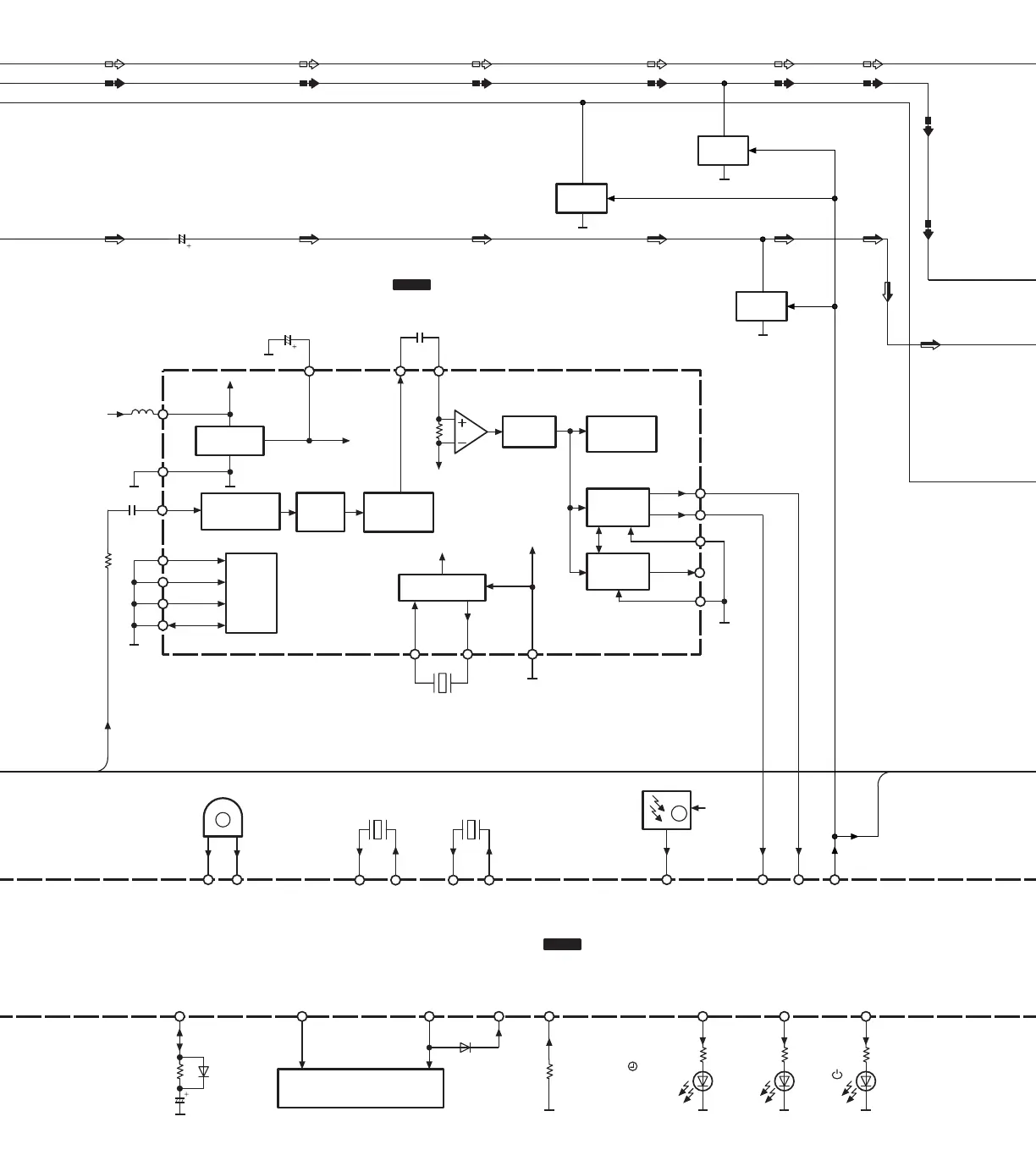
LC72721NMTLM
IC151
RDS SIGNAL
DEMODULATOR
VR901
(VOLUME)
24 23
VR JOGA
VR JOGB
LC8A524A5N28
IC901
SYSTEM CONTROL / FL DRIVE
29
REMO-
CON
Z901
REMOTE
SENSOR
+B9
1~7G
31~37
P1~35
40~45,
47~50
52~71,
73~77
FL901
FL DISPLAY
D933,934
78
REGIN0
81
TIMER
82
S.W LED
D951
(DIGITAL
S.WOOFER)
80
STANDBY
D954
( PLAY/REC)
D306
()
DET
28
RDS DATA
RDS CLK
27
CLOCK
RECOVERY
(1187.5Hz)
RDDA
RDCL
PCL
RDS-ID
IDR
RDS-ID
DETECT
57kHz
BPF
(SCF)
PLL
(57kHz)
VREF
CINFLOUTVREF
V
DD
Vss
MPX IN
T1
T2
T3
T4
TEST
XOUTXIN STDBY
OSC/DIVIDER
CLK(4.332MHz)
1011 20
14
19
8
7
2
4,12
3,13
+B2
1
56
16
17
9
15
18
X151
REGIN1
16
17
X901
(6MHz)
XC IN
XC OUT
13 14
X902
(32.7kHz)
XIN
X OUT
CRT
TIMER
D903
99
ANTIALIASING
FILTER
SMOOTHING
FILTER
REFERENCE
VOLTAGE
DATA
DECODER
79
MUTING
Q607
(Q608)
MUTING
Q606
MUTING
Q605
88
MUTE2
MUTE2

Related product manuals