EasyManua.ls Logo

Technics SH-AC500D - Page 30

Technics SH-AC500D
42 pages
Print Icon
To Next Page IconTo Next Page
To Next Page IconTo Next Page
To Previous Page IconTo Previous Page
To Previous Page IconTo Previous Page
Loading...
SH-AC500D
|
SCHEMATIC
DIAGRAM
-
6
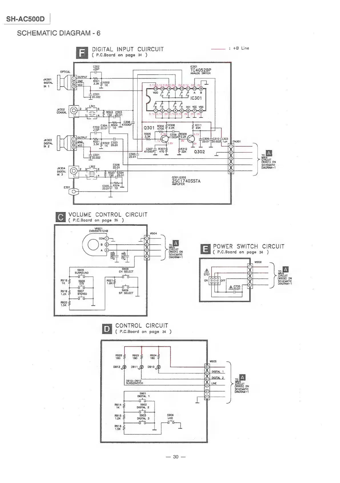
DIGITAL
INPUT
CUIRCUIT
———
:
+B
Line
F
(
P.C.Board
on
page
34
)
ic301
TC4052BP
OPTICAL
ANALOG
SWITCH
JK301
DIGITAL,
N41
Jk303
sale
DIGITAL
R322
nee
7K
20.01
IRCUIT
ewS04)
ON
SCHEMATIC
DIAGRAM—1
Q301,0302
2SC1740SSTA
AMPLIFIER
VOLUME
CONTROL
CIRCUIT
(
P.C.Board
on
page
35
VR901
EVQVBXFK
1248
POWER
SWITCH
CIRCUIT
W304)
ON
(
P.C.Board
on
page
34
)
SCHEMATIC
DIAGRAM—1
Ki
Ss
wi
|
CIRCUIT
(3)
(W906)
ON
SCHEMATIC
()
OUAGRAM—
CA
LS
CONTROL
CIRCUIT
(
P.C.Board
on
page
34
)

Other manuals for Technics SH-AC500D

Related product manuals