EasyManua.ls Logo

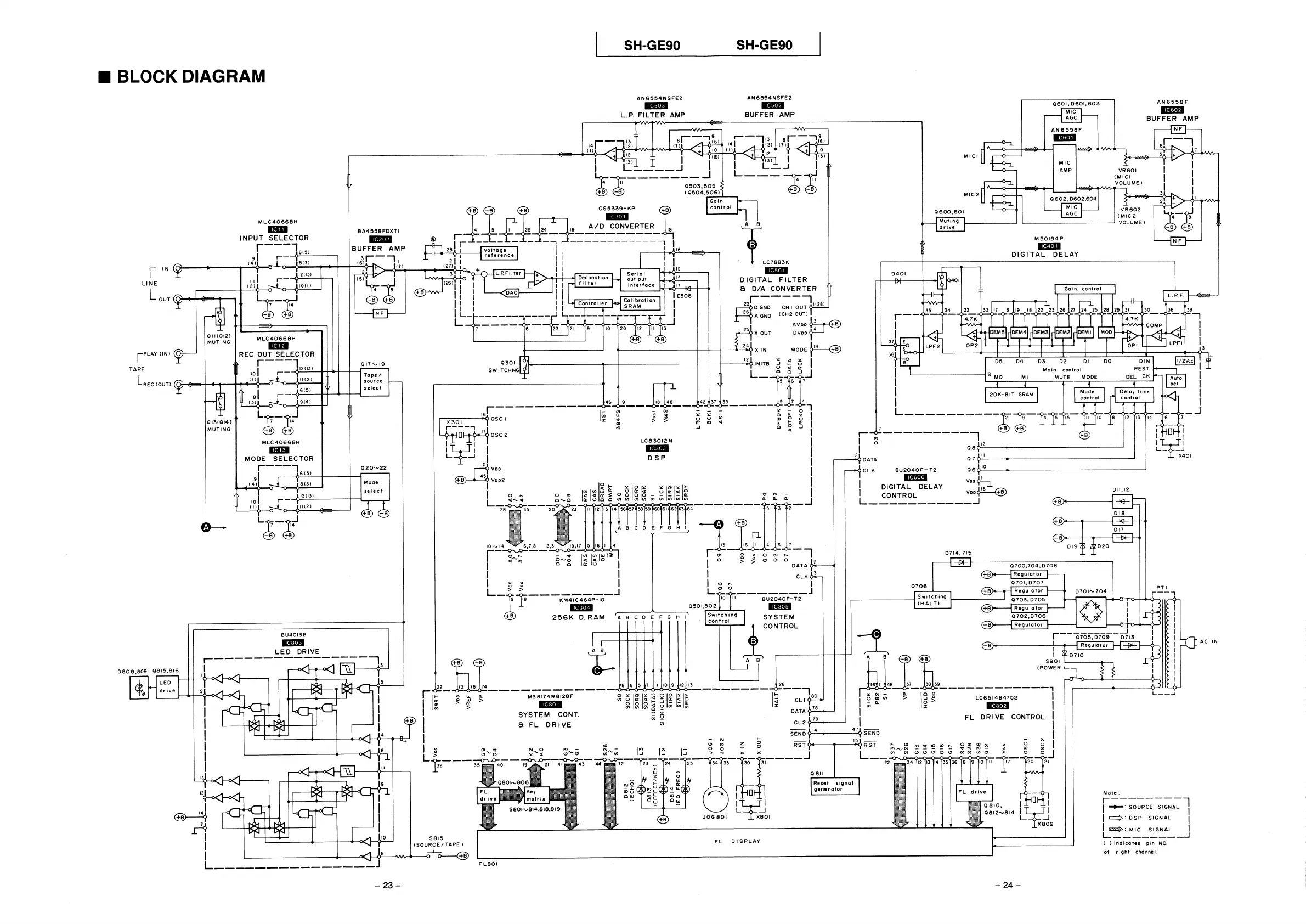
Technics SH-GE90 - Block Diagram; Input Selector and Mode Selector Blocks; Digital Delay and DSP Blocks; A;D Converter and Digital Filter Blocks

Technics SH-GE90
20 pages
Print Icon
To Next Page IconTo Next Page
To Next Page IconTo Next Page
To Previous Page IconTo Previous Page
To Previous Page IconTo Previous Page
Loading...

Other manuals for Technics SH-GE90

Related product manuals