EasyManua.ls Logo

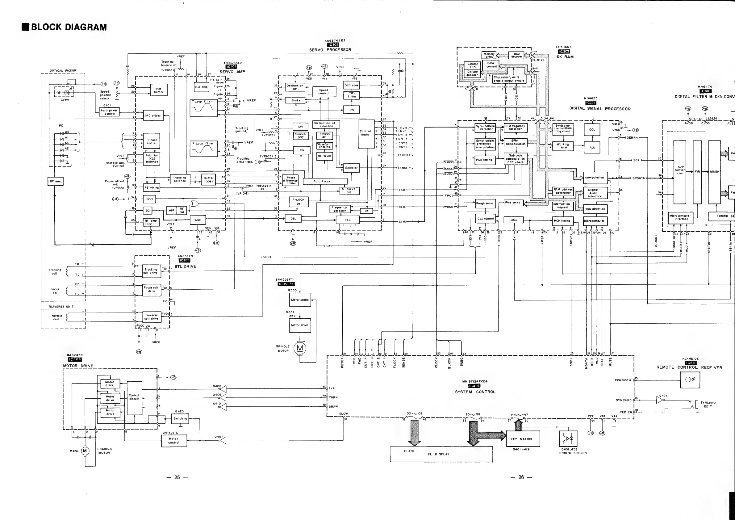
Technics SL-PC25 - BLOCK DIAGRAM

Technics SL-PC25
42 pages
Print Icon
To Next Page IconTo Next Page
To Next Page IconTo Next Page
To Previous Page IconTo Previous Page
To Previous Page IconTo Previous Page
Loading...
lM
BLOCK
DIAGRAM
ANB374SE2
LHSII6N3
SERVO
PROCESSOR
|
16302
4
VREF
|
16K
RAM
Tracking
ANB373SE2
D
:
Column
ato
sia
|
@ @
veer
|
conte
OPTICAL
PICKUP
(VRIO6)
SERVO
AMP
|
aa
Bare
err
e
1
de
oe
|
tae.
ees
(eae.
See
:
FT.
ain
426
voo
Vee
vss
7
|
Chip
select,
write
;
enable
output
enable
@
©
down
|
eet Pot
amp.|
Tain
2s
29
L
wy
e-
MN6474
up
Speed
1
position
pubter
F
gain
J24
23
control
{1c
801
|
w
|
a
up
Yio
oe
ay
w
Seees
DIGITAL
FILTER
&
D/A
CON
T
Loop
filter
?
[1301
|
101
go
tes
:
oe
DIGITAL
SIGNAL
PROCESSOR
a
©
aa
&
53
52
44
154
64
\
10,15,17,22
|
23,28,38
.
|
:
eae
ah
ae
a
pe
Se
sa
net
is
ra
|
Distinction
of
3
AVOD
Ovo0
AVS
PO
|
direction
EFM
frequency
Syndrome
I
Tracking
le]
detection
NJ
computation
ccu
|
|
gain
adj.
flag
count
I
|
|
;
EFM
\
F
Loop
filter
VREF
protection
demodulation
Working
|
oS
a
rpolation
RAM
ALU
|
Addition
Sub
code
|
(x2)
Tracking
demodulation
j
\
Best
sjecaj:
balance
|
offset
adj.
ERC
check
L
(VRIO1)
SRDATA
Focus
offset
adj.
(VRIOS)
Tracking
balance
15
VREF|
Focusgain
“yr
adj.
I
(VRIO4)
RAM
address
generation
CLV
control
7
8
{CLK}
4wock
rad
Freguency
detector
EFM
!
!
Se
oie
oe
L
ee
zee
%
“Tee
7
8
28
Fe
Lepr
oe
VREF
(
SRF
=
|
Ss
AN8377N
(Spo)
7
i
To
BTL
DRIVE
Tracking
ir
>
coil
To
+
|
BA4558FT!
po
!
Fo
-|
\
Focus
i
0353
coil
FD
+
fet
Pe
at
es
=]
al
Motor
control
TRAVERSE
UNIT
eee
Ore
eae
5
a
re
Q351
Traverse
g
I
ees
352
coil
+1
14
coil
drive
|
T
aap
oe
|
te
ee
a
J
LESS
6
Sd
7
3
i
VREF
as
(
|
SPINOLE
¢s)
MOTOR
BA6247N
ah
REE
AIG
NS
A
MOT
NS
BS
0
a
a
SRR
AI
ROS
a
a
SB
ee
ay
b
>ot
Mm
uw
=
x
ow
x
x
°
=
a¥Qy
w
|
HC-MDIOE
oO
a
9
a
=
a
wFeebeete
&
2
a
g
s
8
ros?
5
MOTOR
DRIVE
a
BERE
SS
&
4 5
a
&$
6275
=
|
ra
66
6
6
za
r)
a
=
REMOTE
CONTROL
RECEIVER
15
MNI87I24PKD4
remocon.
6
OF
fc
404]
I
|
|
|
|
herr
SYSTEM
CONTROL
Control
|
Q47!
|
|
|
|
circuit
y
TURN
SYNCHRO
yo
>>,
SYNCHRO
|
©
ORAW
a
ll
EDIT
18
|
Ean
So
See
so-~
$9
P40~P47
RECVEN
0
|
4
L
F:
VPP
vop
vss
J
$40IV419
control
LOADING
MOTOR
0451,
452
FL
DISPLAY
(PHOTO
SENSOR)
2
26

Related product manuals