EasyManua.ls Logo

Technics SL-PJ37A - Block Diagram

Technics SL-PJ37A
36 pages
Print Icon
To Next Page IconTo Next Page
To Next Page IconTo Next Page
To Previous Page IconTo Previous Page
To Previous Page IconTo Previous Page
Loading...
m
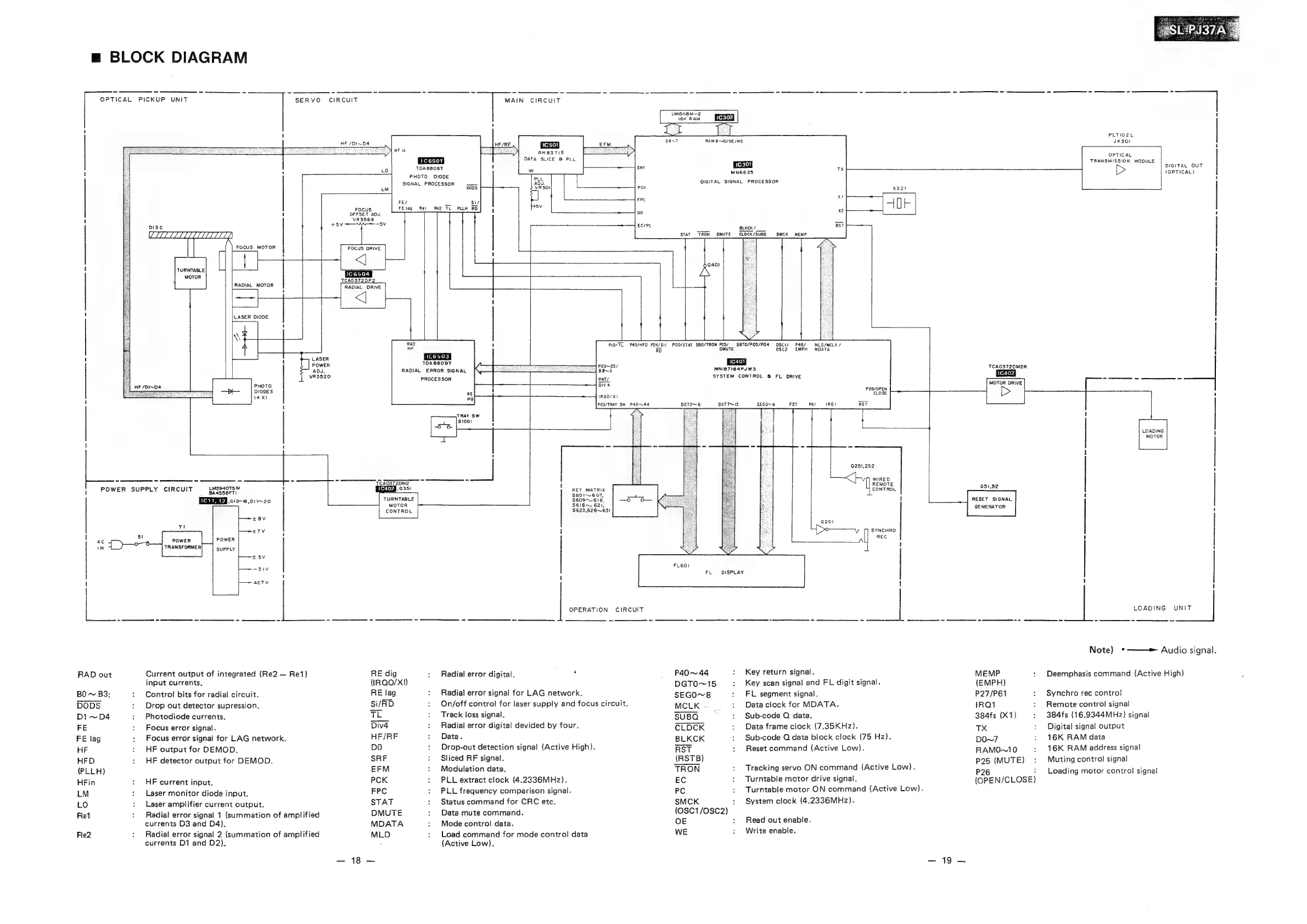
BLOCK
DIAGRAM
OPTICAL
PICKUP
UNIT
SERVO
CIRCUIT
MAIN
CIRCUIT
|
UM6IIEM—2
ek
Ram
BER
l
fs
PLTIO2L
0e@~7
RAM
®~40/0E/WE
JK30I
1
|
|
HF
/DI~D4
HF/RFE
|
1501]
EFM
:
PEED)
awes7is
~«=—
FEE
ee.
|
DATA
SLICE
&
PLL
7
TRANSMISSION
MODULE
Lo
TDABBOBT
.
Re
SRF
a
DIGITAL
OUT
!
j
PHOTO
DIODE
PLL
MN6625
(OPTICAL)
!
SIGNAL
PROCESSOR
prone
ADJ.
DIGITAL
SIGNAL
PROCESSOR
LM
boos
“ee
PCK
x32!
FPC
mn
i
OFFSET
ADJ.
pO
1
1
VR3569
+
5V
mn
5
aaa
——
EcsPc
BLKCK
/
ast
STAT
TRON
OMUTE
CLDCK/SUBO
=
SMCK
=
MEMP
FOCUS
MOTOR
—_
i
4
;
1
<J
1
40!
!
C6504
le
|
TCAO372DP
RADIAL
MOTOR
RADIAL
DRIVE
1
|
Peg
|
'
LASER
DIODE
|
i
i
'
1
Ne:
A
|
|
1
PIO/TL
P45/HFD
P24/Si/
POO/STAT
SBO/TRON
P25/
SBTO/POS/P04
OSCI/
P46/
MLD/MCLK
/
RD
DMUTE
OSC2
EMPH
MDATA
!
'
\
ia
path
TDASBOST
eee
p20~23/
cao
TEROST
ADJ.
RADIAL
ERROR
SIGNAL
eset
:
bl
Sey
B
3
MNISTI6SPIWS
my
DIV
paeeetn
MOTOR
DRIVE
i
IRQO/XI
CLOSE
>
'
'
PO3/TRAY
SW
P40~44
DGTO~6
DGT7N
IS
SEGONS
F27
P6I
IRQE
RST
TRAY
SW
:
: :
1
|
_1_
S100!
|
1
oOo
oO
|
LOADING
t
MOTOR
I
=
os
es
te
|
q
ns
0251,252
'
ee
3
ee
|
-_—————_
-
>
Le
Pee
WIRED
|
POWER
SUPPLY
CIRCUIT
LM29goTSM
'
cao?
REE
1
ey
MATRIX
ee
Nae
051,52
IGRHREES
.0'3~'6,011~20
sil
a
se00~Vere,
+s
:
ie
!
RESET
SIGNAL
!
CONTROE
$623.
006831
:
pee
GENERATOR
'
+8Vv
ae
Sa
0201
oy
'
!
Ss
L
>o———r_
7)
SYNCHRO
|
|
REC
1
:
!
'
4
t5v
|
|
-31v
t
FE
DISPLAY
I
ac7V
'
!
' I
OPERATION
CIRCUIT
LOADING
UNIT
Note)
*———>
Audio
signal.
RAD
out
Current
output
of
integrated
(Re2
Re1)
RE
dig
:
Radial
error
digital.
!
P40~44
>
Key
return
signal.
MEMP
:
Deemphasis
command
(Active
High)
;
input
currents,
(IRQO/X!)
DGTO~15
:
Key
scan
signal
and
FL
digit
signal.
(EMPH)
BO
~
B3:
:
Control
bits
for
radial
circuit.
RE
lag
:
Radial
error
signal
for
LAG
network.
SEGO~8
:
FL
segment
signal.
P27/P61
:
Synchro
rec
control
DODS
:
Drop
out
detector
supression.
Si/RD
:
On/off
control
for
laser
supply
and
focus
circuit.
MCLK.
|:
Dataclock
for
MDATA.
IRQ1
:
Remote
control
signal
DI~D4
:
Photodiode
currents,
TL
>
Track
loss
signal.
SUBO
:
Sub-codeQ
data.
384fs
(X1)
:
384
fs
(16.9344MHz)
signal
FE
:
Focus
error
signal.
Div4
:
Radial
error
digital
devided
by
four,
CLDCK
:
Data
frame
clock
(7.35KHz).
T™
:
Digital
signal
output
FE
lag
:
Focus
error
signal
for
LAG
network.
HF/RF
>
Data.
BLKCK
:
Sub-code
O
data
block
clock
(75
Hz).
DO~7
:
16K
RAM
data
HE
:
HF
output
for
DEMOD.
DO
:
Drop-out
detection
signal
(Active
High).
RST
:
Reset
command
(Active
Low).
RAMO~10
:
16K
RAM
address
signal
HFD
:
HF
detector
output
for
DEMOD.
SRF
‘Sliced
RF
signal.
(RSTB)
;
P25
(MUTE)
:
Muting
control
signal
(PLLH)
EFM
:
Modulation
data.
TRON
:
Tracking
servo
ON
command
(Active
Low).
P26
©)
“Leading
nietoreenttel
dane
HFin
:
HF
current
input.
PCK
:
PLL
extract
clock
(4.2336MHz).
EC
:
Turntable
motor
drive
signal.
(OPEN/CLOSE)
LM
:
Laser
monitor
diode
input.
FPC
:
PLL
frequency
comparison
signal.
PC
:
Turntable
motor
ON
command
(Active
Low).
LO
:
Laser
amplifier
current
output.
STAT
:
Status
command
for
CRC
etc.
SMCK
:
System
clock
(4.2336MHz).
Rel
:
Radial
error
signal
1
(summation
of
amplified
DMUTE
:
Data
mute
command.
(OSC1/OSC2)
currents
D3
and
D4).
MDATA
:
Mode
control
data.
OE
:
Read
out
enable.
Re2
:
Radial
error
signal
2
(summation
of
amplified
MLD
:
Load
command
for
mode
control
data
WE
:
Write
enable.
(Active
Low).
currents
D1
and
D2).
a
|
gee
Se
qees.

Related product manuals