EasyManua.ls Logo

Technics SU-Z35 - Component Lists and Block Diagram; Resistors & Capacitors; Block Diagram

Technics SU-Z35
20 pages
Print Icon
To Next Page IconTo Next Page
To Next Page IconTo Next Page
To Previous Page IconTo Previous Page
To Previous Page IconTo Previous Page
Loading...
SU-Z35
SU-Z35
Mi
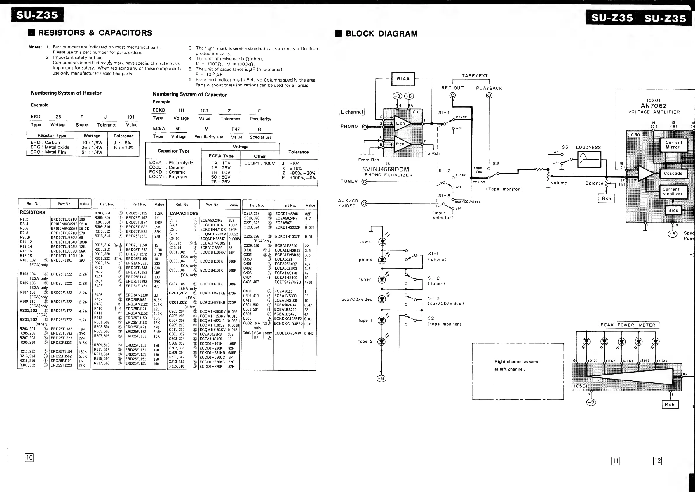
RESISTORS
&
CAPACITORS
Mi
BLOCK
DIAGRAM
Notes:
1.
Part
numbers
are
indicated
on
most
mechanical
parts.
3.
The
6)"
mark
is
service
standard
parts
and
may
differ
from
Please
use
this
part
number
for
parts
orders.
production
parts.
2.
Important
safety
notice:
4.
The
unit
of
resistance
is
Q(ohm),
Components
identified
by
AX
mark
have
special
characteristics
K
=
10000,
M
=
1000k0.
important
for
safety.
When
replacing
any
of
these
components
5.
The
unit
of
capacitance
is
UF
(microfarad}.
use
only
manufacturer's
specified
parts.
P
=
106
uF
TAPE/EXT
6.
Bracketed
indications
in
Ref.
No.Cotumns
specify
the
area.
f
=:
|
Parts
without
these
indications
can
be
used
for
all
areas.
REC
OUT
PLAYBACK
Nunibering
System
of
Resistor
Numbering
System
of
Capacitor
IC301
ERD
:
Carbon
ERG
:
Metal
oxide
ERO
:
Metal
film
10:
1/8W
25:
1/4W
S1:1/4W
Example
AN7062
Example
ECKD
1H
103
z
F
Si-|
VOLTAGE
AMPLIFIER
ake
Se
Cae
eas
ee
phono
ERD
25
F
J
101
Type
Voltage
Value
Tolerance
Peculiarity
O
i4
13
T
Wattage
Sha
Tolerance
Value
PHONO
(OC
(5)
(6)
(4
ee
i
is
ECEA
50
M
R47
R
C
‘a
ae
eee
ices
Wattage
Tolerance
Type
Voltage
Peculiarity
use
Value
Special
use
|
|
$3
LOUDNESS
Capacitor
Type
Tolerance
ECEA
Type
|
O
From
Rech
ECEA
:
Electrolytic
1A
=
10V
ECQP1
:
100V
:+5%
IC
|
|
S2
aD
ECCD
:
Ceramic
1E
:
25V
>
+10%
SVINJ4559DDM
Is;_o
ee
ECKD
:
Ceramic
1H
:
50V
:
+80%,
—20%
PHONO
EQUALIZER
|
tuner
-
ECOM
:
Polyester
50
:
50V
:
+100%,
—0%
a
-
25
:
25V
Volume
Balance
TUNER
|
source
k
off
(T
.
l
ape
monitor
)
sc
rae
AUX/CD
|
~Gux/CD/
video
RESISTORS
R303,
304
8)
|
ERD25FJ122
CAPACITORS
C317,
318
ECCD1H820K
Alcan
ae
Sane
R305,
306
ERD25FJ102
os
an
C319,
320
ECEASOZ4R7
R307.
308
ERD25TJ124
321,322
ECEASOZ1
R3,4
EROIMNGGe}e
R309,
310
ERD25TJ393
sae
EOE
OTL
C323,
324
ECKD1H223ZF
R5.6
EROLOMKG5622
oe
aed
ees
C5.6
ECKD1H471KB
R7.8
ERD10TLJ271U
C7.8
ECQM1H223KV
R9.
10
ERDI10TLJ680U
R313,
314
ERD25FJ271
C9.10
ECOM1H682JZ
©
|ECKD1H1032F
ere
es
R11,
12
ERDIOTLJ184U
ies
er
Cl1,12.
©
A
|ECEAIHNO10S
ers
rere
R13.14
ERDI0TLJ123U
C1314
®©
|
ECEA1CS330
R317.318
ERD25T
J332
S
C331
ECEAIEN3R3S
R15.16
ERD10TLJ563U
C101,102
(S$)
|ECCD1H180KC
pee
SREMENGRE
Si-|
R17,18
ERDIOTLJ102U
R319,
320
ERD25FJ272
EGAJonly
Sri
ght:
GSS
EcpoRL
ast
R321.
322
ERD25FJ100
eine
ie
ees
C350
ECEAS0Z1
phono
(
phono)
“CEGAJonl
R323,
324
ERGIANJ331
ee
C401
ECEA25Z4R7
y
R401
ERD25TJ333
y
C402
ECEASOZ3R3
105,106
©
|ECCD1H101K
oe
arene
R103,104
©
JERD25FJ222
pee
ERD
2ST
UI53
(EGA)only
ee
R403
ERD25FJ331
F
C404
ECEA1HS100
nee
S1-2
sdssine.
1S
Robes
R404
ERD25TJ393
Sides
Se
eeoraik
C406,
407
ECETS42V472U
tdaners
R405
ERDSIFJ471
(EGAJ
only
(EGA)
only
408
ECEASOZ1
R107,108
©
|ERD25FJ222
€201,202.
©
|ECKD1H471KB
,
R4
RG3ANJ330
,
C409,
410
ECEA1VS$330
7
(EGAJonly
6
hai
(EGA)
aux/CD/video
S1-3
ERD25F
J682
ERGIANJ122
ERD25FJ121
ERGIANJ152
ERD25TJ153
ERD25TJ183
ERD25FJ471
ERD25F
J682
ERD25FJ103
ECEA1HS100
ECEA50ZR47
ECEA1ES220
C505
ECEA1ES470
C601
ECKDKC103PF2
|
0.01
C602
[XA,PC]
A
JECKDKC103PF2]
0.01
only
ieee
only
|
ECQE2A473MW
|
0.047
EF
A
tape
2
(¥)
C411
©
|ECKD1H221KB
C501,
502
C503,
504
R109,110
©
|
ERD25FJ222
:
ae
(EGAJonly
R201,202
©
|ERD25FJ472
:
ie
(EGA)
R201,202
©
|ERD25FJ272
:
ee
R501
,502
{other}
R503,
504
R505,
506
R507,
508
C201,202
(other)
(aux/CD/video
)
C203,
204
C205,
206
C207,
208
C209,
210
211,212
C301,
302
C303,
304
C305,
306
C307,
308
C309,
310
C311,
312
C313,314
C315,
316
ECQM1H563KV
ECQM1H153KV
ECQM1H823JZ
ECQM1H182JZ
ECQM1H183KV
ECEA50Z3R3
ECEA1HS100
ECCD1H101K
ECCD1H820K
ECKD1H681KB
ECCD1H050CC
ECCD1H220KC
ECCD1H820K
$2
(tape
monitor
)
>
OOOO
tape
PEAK
POWER
METER
[PEAK
POWER
METER
|
/4
yy
ty
ty
Ny
A10(7)
AN(6)
Al2(5)
41314)
di4
(3)
ERD25TJ183
ERD25TJ393
ERD25TJ223
ERD25FJ332
R203,
204
R205,
206
R207,
208
R209,
210
R509,510
R511,512
R513,514
R515,516
R517,518
ERD25FJ151
ERD25FJ151
ERD25FJ151
ERD25FJ151
ERD25FJ151
R211,212
R213,214
R215,
216
R301,
302
ERD25TJ184
ERD25FJ562
ERD25FJ102
ERD25TJ223
i
Right
channel
as
same
§)
©
©
©
©)
©
A
©
©
A
S)
©
©
S)
©
A
iS)
©
©
A
©
©
©
©
S
©
©
©
©
©
©)
©O©0OH
©0800
ODOOOOOWOOCLCOHOOO
|
as
left
channel,

Related product manuals