EasyManua.ls Logo

Technics SX-KN6500 - Page 107

Technics SX-KN6500
140 pages
Print Icon
To Next Page IconTo Next Page
To Next Page IconTo Next Page
To Previous Page IconTo Previous Page
To Previous Page IconTo Previous Page
Loading...
1
2
3
4
6
7
8
9
10
+5D
DATA
SCK
CPRST
E
SUMR
SUML
E
ROUT
LOUT
11
12
13
AFT
EXP
E
5
CN3
+5D
C5
6.3V220
22
21
23
24
19 42
1
25
18
26
27
10
5
28
2
4
3
29
VDD S0
VSS S1
XIN S2
XOUT S3
RST
S4
VREF S5
ID S6
SIN S7
SOUT
CLK
CNTR1
R1
33K
X1
+5D
C1
0.1
VREF
R4
100
+5D
C4
6.3V47
C2
0.1
R3
100
R6
10K
R5
10K
C6
47P
C7
47P
1
2
3
1
2
3
VR2
5K
MAIN
VOLUME
1
2
3
4
6
7
8
JOYY
JOYX
MOD
BEND
E
E
E
+5D
5
CN4
R43
100K
R44
100K
C10
0.1
R37
100K
R9
1K
R10
1K
11
12
AD0
AD1
13
14
AD2
AD3
15
16
AD4
AD5
17
AD6
C9
0.1
C8
0.1
R8
1K
R7
1K
R36
10K
+5D
R41
100K
R42
100K
R11
1K
R12
1K
C13
0.1
C14
0.1
R38
10K
+5D
C12
0.1
C11
0.1
R40
100K
R39
100K
VREF
C16
0.1
C15
0.1
R13
100K
VR1
20K
APC
SEQUENCER
VOLUME
9
8
7
6
CM0
CM1
CM2
CM3
30
31
CM4
CM5
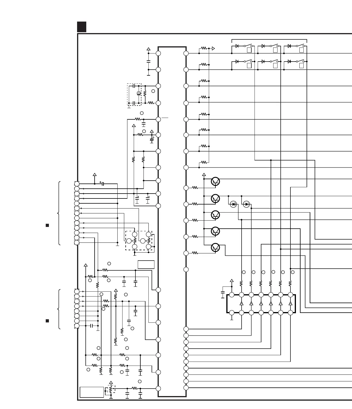
IC1
M37471M2196S
(8BIT MICROCOMPUTER)
39
SEG5
38
SEG4
37
SEG3
36
SEG2
35
SEG1
34
SEG0
40
SEG6
41
SEG7
32
SEG8
33
SEG9
+5D
R14
10K
R15
10K
R16
10K
R17
10K
R18
10K
R19
10K
R20
10K
R21
10K
D126 D130
+5D
R22
10K
2SA830STPB
Q2
2SA830STPB
Q3
2SA830STPB
Q4
2SA830STPB
Q5
2SA830STPB
R23
10K
R24
10K
R25
10K
R26
10K
Q1
R32
68
R31
68
R30
68
R29
68
R28
68
R27
68
14
7
2
1
4
3
6
5
8
9
10
11
12
13
VCC
GND
IC2
HD74LS07P
C17
+5D
(HEX BUFFER)
0.1
D24 S24
6
D23 S23
D16 S16
D15 S15
D8 S8
D7 S7
PERFORMANCE PADS
5 4
3 2 1
CPL CIRCUIT
E
SCHEMATIC DIAGRAM-29
20
TO FAJ CIRCUIT
(CN10) ON SCHEMATIC
DIAGRAM 22
B
F
EF0EC4004T3
F
F
F
FF
F
F
F
F
F
F
F
F
F
F
F
F
F F
F
F
F F
TO MB CIRCUIT
(CN4) ON SCHEMATIC
DIAGRAM 39
P

Related product manuals