EasyManua.ls Logo

Technics SX-PR1000 - Page 106

Technics SX-PR1000
125 pages
Print Icon
To Next Page IconTo Next Page
To Next Page IconTo Next Page
To Previous Page IconTo Previous Page
To Previous Page IconTo Previous Page
Loading...
20
21
19
18
17
16
15
14
13
12
AD
11
10
9
8
7
6
5
4
3
2
1
0
VSS VSS
VCC BYTE
CE
15
14
13
12
11
DT
10
9
8
7
6
5
4
3
2
1
0
44
1
23 33
13 32
43
2
3
34
35
36
37
38
39
40
41
42
4
5
6
7
8
9
10
11
18
20
22
25
27
29
31
14
12
16
30
28
26
24
21
19
17
15
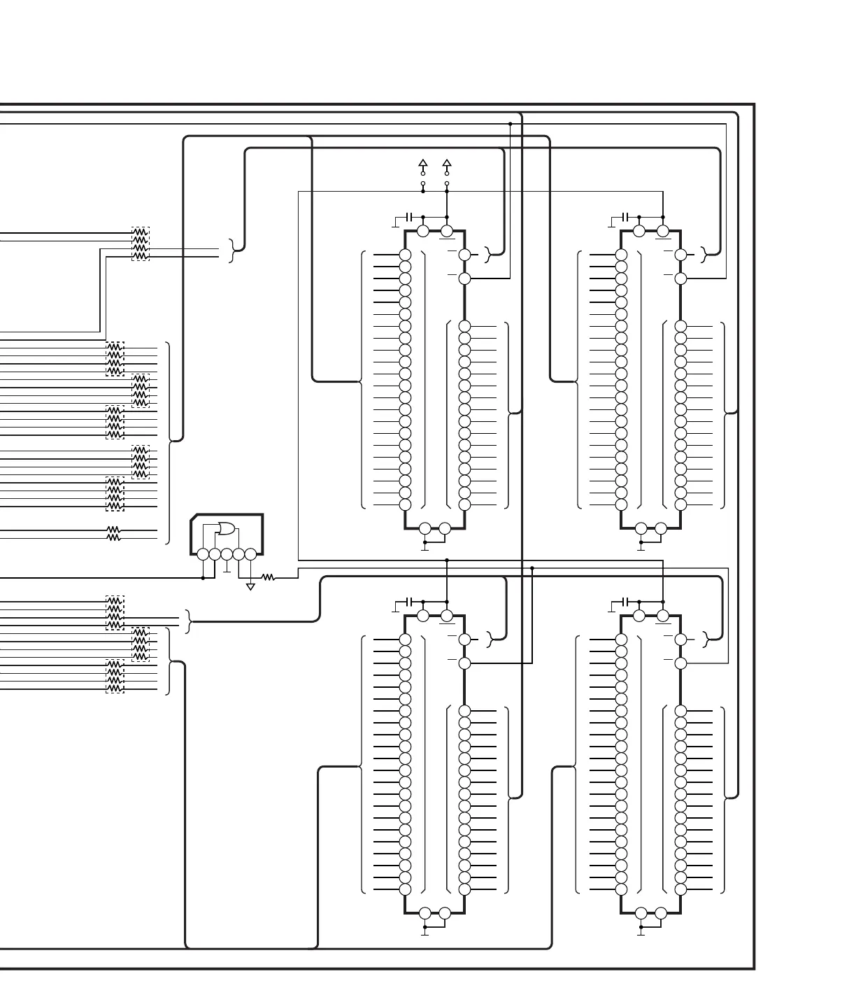
IC304
QSIGX3C64010
20
21
19
18
17
16
15
14
13
12
AD
11
10
9
8
7
6
5
4
3
2
1
0
VSS VSS
VCC BYTE
CE
DE
15
14
13
12
11
DT
10
9
8
7
6
5
4
3
2
1
0
44
1
23 33
13 32
43
2
3
34
35
36
37
38
39
40
41
42
4
5
6
7
8
9
10
11
18
20
22
25
27
29
31
14
12
16
30
28
26
24
21
19
17
15
IC305
QSIGX3C64009
20
21
19
18
17
16
15
14
13
12
AD
11
10
9
8
7
6
5
4
3
2
1
0
VSS VSS
VCC BYTE
CE
DE
15
14
13
12
11
DT
10
9
8
7
6
5
4
3
2
1
0
44
1
23 33
13 32
43
2
3
34
35
36
37
38
39
40
41
42
4
5
6
7
8
9
10
11
18
20
22
25
27
29
31
14
12
16
30
28
26
24
21
19
17
15
IC306
QSIGX3C64012
20
21
19
18
17
16
15
14
13
12
AD
11
10
9
8
7
6
5
4
3
2
1
0
VSS VSS
VCC BYTE
CE
DE
15
14
13
12
11
DT
10
9
8
7
6
5
4
3
2
1
0
44
1
23 33
13 32
43
2
3
34
35
36
37
38
39
40
41
42
4
5
6
7
8
9
10
11
18
20
22
25
27
29
31
14
12
16
30
28
26
24
21
19
17
15
IC307
QSIGX3C64011
IC303
T7SZ32FUT85L
GND VCC
1 2 3 4 5
R314 470
R315 470
A
P
Q
T
O
I
J
K
L
M
N
V
G
H
R
S
U
F
A
B
B
A
C
D
E
B
B
A
V
U
A
B
C
D
E
F
G
H
I
J
K
L
M
N
O
P
A
B
C
D
E
F
G
H
I
J
K
L
M
N
O
P
A
A
B
C
D
E
F
G
H
I
J
K
L
M
N
O
P
A
B
C
D
E
F
G
H
J
K
L
M
N
O
P
A
B
C
D
E
F
G
H
I
J
K
L
M
N
O
P
Q
R
S
T
V
U
A
B
C
D
E
F
G
H
I
J
K
L
M
N
O
P
Q
R
S
T
V
U
A
B
C
D
E
F
G
H
I
J
K
L
M
N
O
P
Q
R
S
T
V
U
A
B
C
D
E
F
G
H
I
J
K
L
M
N
O
P
Q
R
S
T
C
D
E
F
G
H
Z323
220x4
Z322
220x4
Z320
220x4
Z318
220x4
Z326
220x4
Z325
220x4
Z324
220x4
Z321
220x4
Z319
220x4
R316
470
C316
0.1
C318
0.1
C315
0.1
JP301
C317
0.1
A B
B
+3.3D+5D
(2 INPUT OR GATE)
(64M BIT MASK ROM)
(64M BIT MASK ROM)
(64M BIT MASK ROM)
(64M BIT MASK ROM)
SCHEMATIC DIAGRAM-15
+3.3D
DE
I
JP302
SX-PR1000
MAIN 4/4 SCHEMATIC DIAGRAM

Related product manuals