EasyManua.ls Logo

Technics SX-PR1000 - Page 72

Technics SX-PR1000
125 pages
Print Icon
To Next Page IconTo Next Page
To Next Page IconTo Next Page
To Previous Page IconTo Previous Page
To Previous Page IconTo Previous Page
Loading...
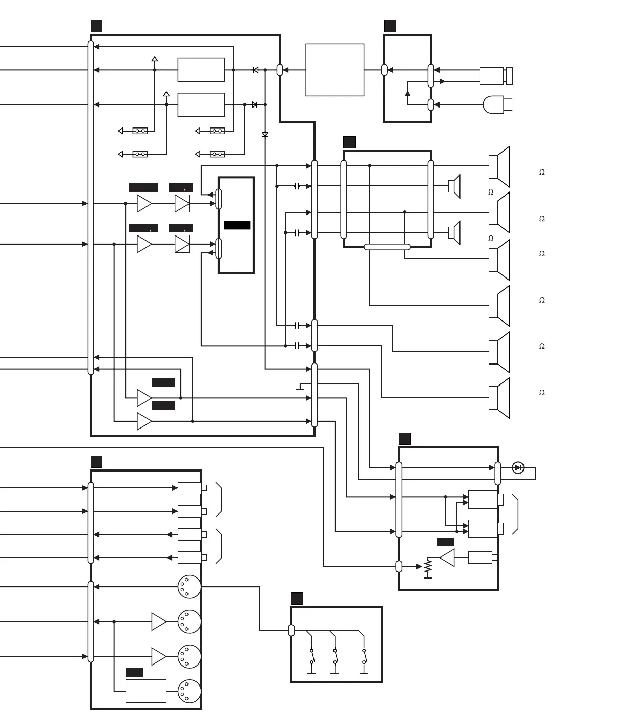
EQUALIZING POWER
AMPLIFIER
JACK (2/2)J
CN1
CN4
CN1 CN2
CN5
CN2
T1
POWER
TRANSFORMER
+15V
REGULATOR
-15V
REGULATOR
SW1
POWER SWITCH
CN1
JK1
AC CORD
ACPL
NWM
AS
B
LINE OUT
AUX IN
Q2
L
JK9
JK8
R
JK6
L
JK7
R
MIDI
OUT
MIDI
IN
JK3
JK4
PEDAL IN
Q1
MIDI THRU
JK5
JK1
PHOTO
COUPLER
IC1
IC2,3,4 IC8,9
IC8,9IC5,6,7
IC1B
IC1A
CN1
CN2
Q1,2
Q3,4
Q12,13
Q14,16
IP3,7
+VCC
-VCC
+15A
-15A
IP4,8
IP5
+15
-15
IP6
CN2
CN3
IC1
CN3
VR1
MIC
VOLUME
MIC
JK3
POWER
INDICATOR
HEADPHONE
CN4CN2
JK1
1
2
JK2
JACK2K
SP1(Lch)
16cm; 6
SP2(Rch)
16cm; 6
SP8(Rch)
14cm; 6
SP7(Lch)
14cm; 6
SP4(Lch)
15cm; 8
SP3(Rch)
15cm; 8
SP6(Rch)
6.5cm; 8
CN5
CN7
SP5(Lch)
6.5cm; 8
ASUB
D3,5
D7,9
D11
SX-PR1000
AS,PKB,JACK,JACK2,ACP
SOFT SOSUTENUTO SUSTAIN
CN1
PKBG
CN3

Related product manuals