EasyManua.ls Logo

Technics SX-PR53 - Page 50

Technics SX-PR53
109 pages
Print Icon
To Next Page IconTo Next Page
To Next Page IconTo Next Page
To Previous Page IconTo Previous Page
To Previous Page IconTo Previous Page
Loading...
Óß×ÒøÝÐË÷ Ý×ÎÝË×Ì
ß
ÍÝØÛÓßÌ×Ý Ü×ßÙÎßÓóï
Æï
ìéð¨ì
õëÜ
õëÜ
õÊÝÝ
×ÑÎÍÌ
õëÜ
õë×Ð
õëÜ
óïëÊ
Îíï
ïðÕ
Îïè
ïëðÕ
Îïé
ïëðÕ
Îïì
ïëðÕ
Îèìéð
Ýé
ïððÐ
Ýê
ïððÐ
Ïï
îÍÜêðïßÏÌÈ
Ïî
ËÒëïïÒÌÈ
Ïí
ËÒëïïÒÌÈ
Ïì
ËÒëîïêÌÈ
Ýì
ðòï
Îî
ïðÕ
Ýïð
ðòîî
Üë
ÓßïïïÌÈ
Îîð
ïÕ
Îîì
ïÕ
Îîé
ïððÕ
Îîï
îòîÕ
Ïç
îÍÜêðïßÏÌÈ
Ïë
îÍÞéðçßÎÌÈ
Îê
îîðÕ
ï
î
í
ì
ë
ê
é
è
ç
ïð
ÝÒì
õëÓ×
õëÓ×
Û
ÍÑÚÌ
ÍÑÍË
ÍËÍÌ
ÓÎÈÜ
ÓÌÈÜ
ÓÍÒÍ
Û
Ýè
ðòðï
Îé
ïððÕ
Üï
ÓßïïïÌÈ
Ýí
Îíð
Îìð
ðòï
Îïï
ìéð
Îï
ïðÕ
ï
î
í
ì
ÝÒí
Û
ÍÉ
ÔÛÜ
õëÜ
ë
ì
í
î
ï
ÝÒî
Û
Û
ÊÝÝ
ÊÝÝ
ÍÒÍ
ï
î
í
ì
ë
ê
é
è
ç
ïð
ïï
ïî
ïí
ïì
ÝÒï
Û
õë×Ð
Êð
ÎÍ
떃
ÝÍ
ÜÞð
ÜÞï
ÜÞî
ÜÞí
ÜÞì
ÜÞë
ÜÞê
ÜÞé
ÆÝï
ìéÐ
ÆÝî
ìéÐ
Æî
ïðð¨ì
Æí
ß
Þ
Ý
Ü
ïðð¨ì
Îëð
Ýìê
ëðÒï
Îêì
ííð
Ïïí
îÍÜêðïßÏÌÈ
Ïïî
îÍÞéðçßÎÌÈ
Îêë
ïëÕ
Îêç
ïÕ
Îêí
ïðÕ
Îêï
ìéÕ
Ýî
ðòîî
Îêî
îîÕ
ÝÐÎÍÌ
Ò
ÌÑ
ÔÝÜ
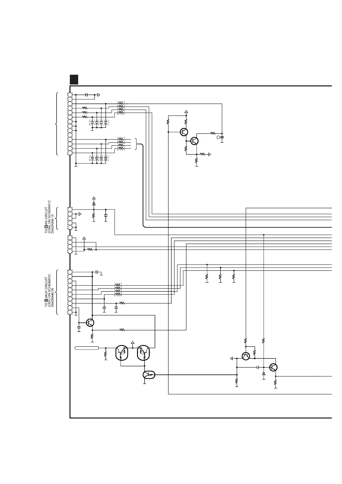
ÒÑÌÛæ
̸» ²«³¾»® ©¸·½¸ ²±¬»¼ ¿¬ ¬¸» ½±²²»½¬±®- ±² ¬¸» ¸»³¿¬·½ ¼·¿¹®¿³ ¿-
þÍÝØÛÓßÌ×Ý Ü×ßÙÎßÓóïþ ±® þÍÝØÛÓßÌ×Ý Ü×ßÙÎßÓóîþ
·²¼·½¿¬»- ¬¸» -½¸»³¿¬·½ ¼·¿¹®¿³ -»®·¿´ ²«³¾»® ´±½¿¬»¼ ±² ¬¸» ´»º¬ ½±®²»® ·² ¬¸» ¸»³¿¬·½ ¼·¿¹®¿³ò

Related product manuals