EasyManua.ls Logo

Technics SX-PR53 - Page 53

Technics SX-PR53
109 pages
Print Icon
To Next Page IconTo Next Page
To Next Page IconTo Next Page
To Previous Page IconTo Previous Page
To Previous Page IconTo Previous Page
Loading...
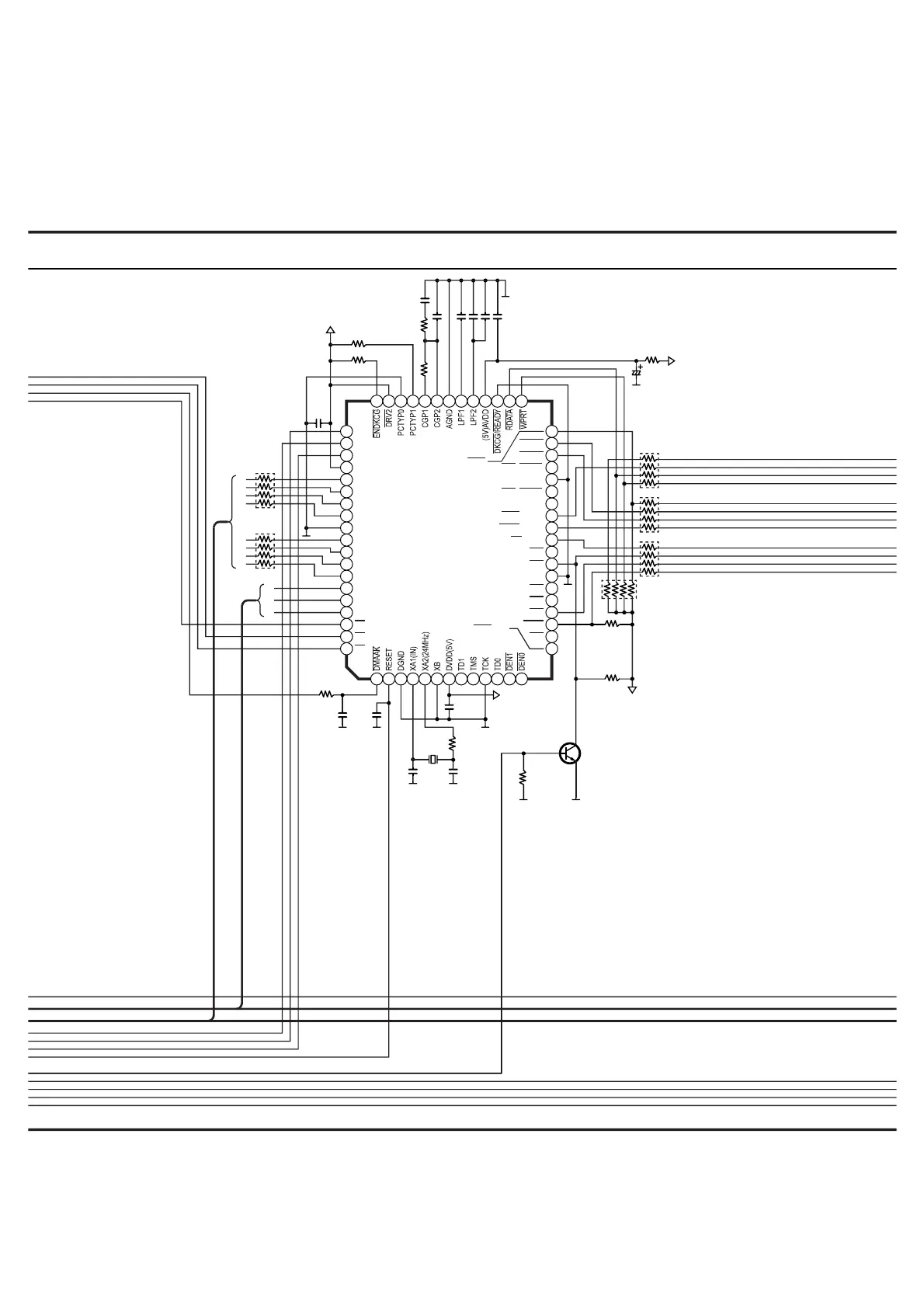
ÍÝØÛÓßÌ×Ý Ü×ßÙÎßÓóì
ÜÊÜÜøëÊ÷
ÜÞê
ÜÞé
ÜÞë
ÜÞì
ÜÙÒÜ
ÜÞí
ÜÞî
ÜÞï
ÜÞð
ßî
ßð
ßï
ÝÍ
ÉÎ
ÎÜ
ÒÑÔÜøÍÛÔ÷
ÜÍí
×ÒÜÛÈ
ÜÍð
ÜÍï
ÜÍî
ÌÎÕð
ÉÙßÌÛ
ÉÜßÌß
ÓÛí øÛÓÞÔï÷
ÞÙÒÜ
ÓÛî øÛÓÞÔð÷
ÒÝøÔÍÌÎð÷
Í×ÜÛ÷ øÝßî÷
ÍÌÛÐ÷ øÝßï÷
Ü×Î øÝßð÷
ÓÛï
ÓÛð
ÞÙÒÜ
×Ýç
×ÒÌ
ÜÉßÎÏ
ÌÝ
ï
î
í
ì
ë
ê
é
è
ç
ïð
ïï
ïî
ïí
ïì
ïë
ïê
ïé
ïè
ïç
ëï
ëð
ìç
ìè
ìé
ìê
ìë
ìì
ìí
ìî
ìï
ìð
íç
íè
íé
íê
íë
íì
íí
îð
îï
îî
îí
îì
îë
îê
îé
îè
îç
íð
íï
íî
êì
êí
êî
êï
êð
ëç
ëè
ëé
ëê
ëë
ëì
ëí
ëî
Ýíð
ðòï
Îëïð
Îìçð
Æïé
ìé¨ì
Æïè
ìé¨ì
ß
ß
Þ
Ý
Ü
Û
Ú
Ù
Ø
Þ
Ý
õëÜ
õëÜ
Ýíî
ïððÐ
Ýíé
Èî
îìÓØ¦
ïðÐ
Îëè
ïðÕ
Ïïï
îÍÜêðïßÏÌÈ
Îëë
ìé
Îêð
ïÕ
Îêè
ïðÕ
Ýíí
ïðÐ
Ýíê
ðòïÝíï
ïððÐ
Îìè
ïðð
Ýìî
ðòï
Îëç
ïðð
Ýìì
êÊñïðð
Ýìððòðíí
Ýíçðòðíí
ÝíèìéððÐ
ÝíëïèððÐ
Ýíì
ðòðîî
õëÜ
õëÜ
ÎëìêòèÕ
Îëí
ïÕ
Æîï
ìé¨ì
Æîî
Æîí
ïÕ¨ì
ìé¨ì
Æîð
ìé¨ì
ÜéîðéðÙÚíÞÛ
øÚÔÑÐÐÇ Ü×ÍÝ ÝÑÒÌÎÑÔÔÛÎ÷

Related product manuals