EasyManua.ls Logo

Technics SX-PR53 - Page 57

Technics SX-PR53
109 pages
Print Icon
To Next Page IconTo Next Page
To Next Page IconTo Next Page
To Previous Page IconTo Previous Page
To Previous Page IconTo Previous Page
Loading...
ð
ï
î
í
ì
ë
ê
é
è
ßÜ
ð
ï
î
í
ì
ë
ê
é
è
ÜÌ
ÊÍÍ
ÊÝÝ
ç
ïð
ïï
ïî
ïí
ïì
ïë
î
í
ìî
ì
ë
ê
é
è
ç
ïð
ïï
îé
îç
íï
îë
îî
îð
ïè
ïê
íð
îè
îê
îì
îï
ïç
ïé
ïë
ïí
ÊÍÍ
íî
îí
ÞÇÌÛ
íí
ìï
ìð
íç
ç
ïð
ïï
ï
ïììí
íì
íë
íê
íé
íè
ÝÛ
ÜÛ
ïîï
ìì
ïî
ïí
ïì
ïë
ïê
ïé
ïè
ïç
îð
îï
×Ýïðê
ÏÍ×ÙÈíÝêìðïë
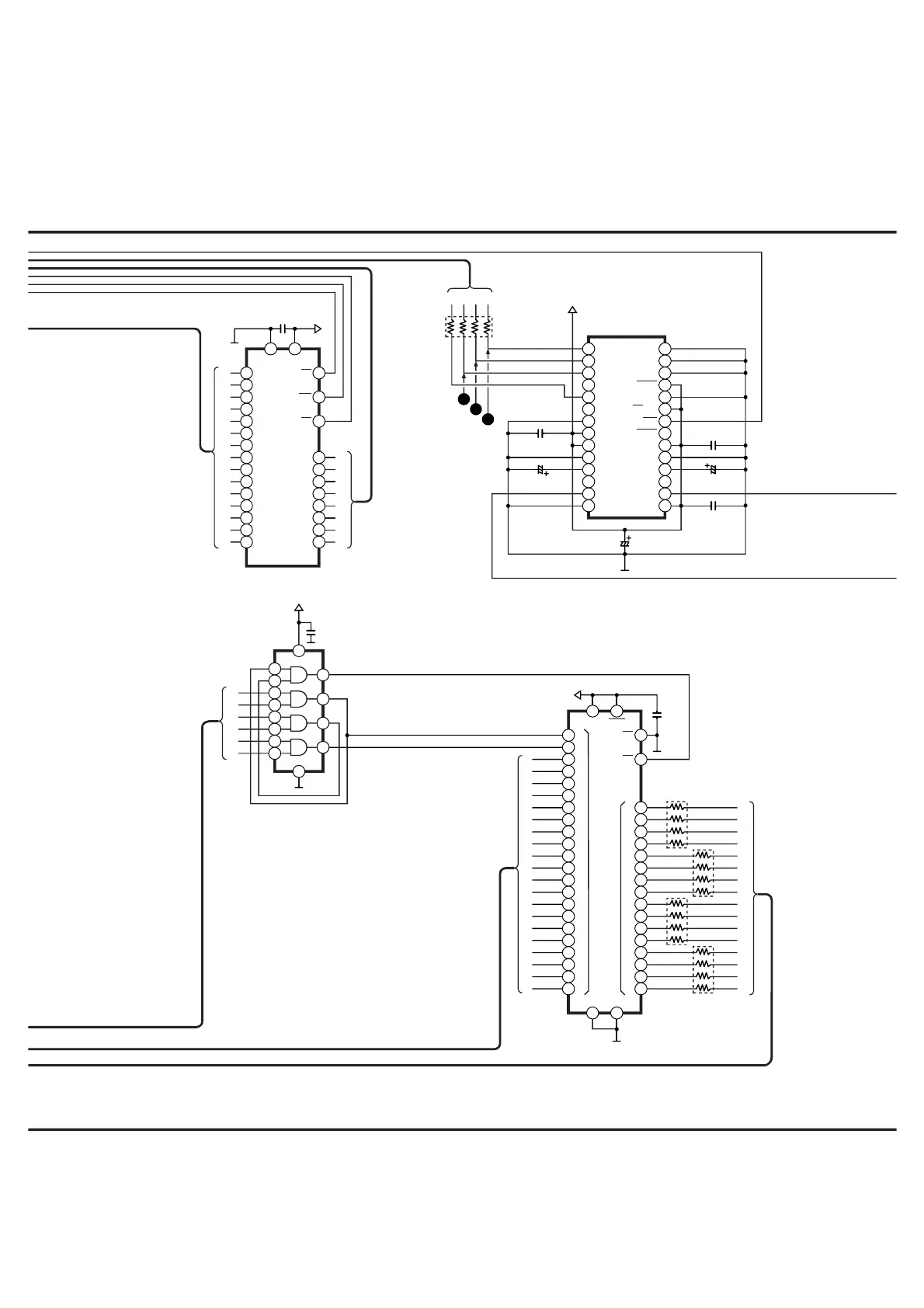
ÍÝØÛÓßÌ×Ý Ü×ßÙÎßÓóè
ÔÎÝÕÓÔñ××Í
ÜßÌßÓÝñÜÓï
ÞÝÕÓÜñÜÓð
ÝÔÕÑ
ÓËÌÛ
ÈÌ×ÓÑÜÛ
ÈÌÑ
ÝÍñ×ÉÑ
ÜÙÒÜ
ÎÍÌ
ÊÜÜ
ÆÛÎÑ
ÊÝÝîÎÊÝÝîÔ
ßÙÒÜîÎßÙÒÜîÔ
ÛÈÌÎÛÈÌÔ
ÒÝÒÝ
ÊÑËÌÎÊÑËÌÔ
ßÙÒÜïÊÝÝï
ÐÝÓïéíìÛßóÛî
×Ýïðë
îì
îí
îî
îï
îð
ïç
ïè
ïé
ïê
ïëïì
ïí
ï
î
í
ì
ë
ê
é
è
ç
ïð
ïï
ïî
îë
îê
îé
îè
ß
Þ
Ý
Ü
Û
Ú
Ù
Ø
×
Ö
Õ
Ô
Ó
Ò
Ñ
Ð
Ï
Î
Í
Ì
Æïîé
îîð¨ì
Æïîè
îîð¨ì
Æïîç
îîð¨ì
Æïíð
îîð¨ì
ß
Þ
Ý
Ü
Û
Ú
Ù
Ø
×
Ö
Õ
Ô
Ó
Ò
Ñ
Ð
õíòíÜ
Ýïíì
ðòï
ßð
ßï
ßî
ßí
ßì
ßë
ßê
ßé
ßè
Üð
Üï
Üî
Üí
Üì
Üë
Üê
Üé
ÙÒÜ
îë
ì
ë
ê
é
è
ç
ïð
ïç
ïè
ïé
ïê
ïë
ïí
ïî
ïï
ïì
ÊÝÝ
îè
îì
îï
îí
ßç
ßïð
ßïï
ï
îê
î
ÝÛ
ÜÛ
îð
ßïî
ßïí
ßïì
í
îî
îé
ÉÛ
×Ýïðí
ÓëîëêÜÚÐïðÊÔ
õíòíÜ
Ýïïè
ðòï
Þ
Ý
Ü
Û
Ú
Ù
Ø
Ö
Õ
Ô
Ó
Ò
Ñ
×
ß
Ø
Ù
Ú
Û
Ü
Ý
Þ
ß
Ýïîëðòï
ÝïîìïêÊïð
Ýïíêðòï
ÝïíëïêÊïð
Ýïíéðòï
õëß
Æïîê
îîð¨ì
Ýïîé
êÊïðð
Ýïîê
ðòï
õíòíÜ
ïî
ïí
ïï
î
ï
í
ë
ì
ê
ç
ïð
è
é
ïì
×Ýïðì
ÜéìØÝðèÙÍÛî
ÜÞÝß
Þ
Ü
Ý
ß
Ý
ß
øîëêÕ Þ×Ì ÍÌßÌ×Ý ÎßÓ÷
øÜËßÔ î ×ÒÐËÌ ßÒÜ ÙßÌÛ÷
øÜñß ÝÑÒÊÛÎÌÛÎ÷
øêìÓ Þ×Ì ÓßÍÕ ÎÑÓ÷
ì
í
ë

Related product manuals