EasyManua.ls Logo

Technics SX-PR603 - Page 103

Technics SX-PR603
125 pages
Print Icon
To Next Page IconTo Next Page
To Next Page IconTo Next Page
To Previous Page IconTo Previous Page
To Previous Page IconTo Previous Page
Loading...
VDD
VSS
1
2
3
OUT
IC209
MN1382CTX
(RESET IC)
1 3 4
5678
2
+VCC
-VCC
IC207
BA10393F-E2
C244
0.1P
R240
100K
R245
1K
R239
4.7K
R241
470
R237
47
R234 680
C251
6800P
C250
2200P
D216
MA111TX
D215
MA111TX
D212 SFPB74V
D214
ERA1502V5
C245 6V1000
C249
0.1
0.1P
R231
10
D209 MA2062LF
L203
120uH
R235
150
R243
150K
C252
16V10
D218
MA8051LTX
D217
MA111TX
R242
QRSGBB471QT2
Q209
2SD601AQTX
Q207
2SC1815TPE2
Q205
2SD592ARSTA
R244
470
+15A
+VCC
+15A
(COMPARATOR)
+3.3D
+15A
Q208
2SC1815TPE2
Q206
2SB952ADS
Q211
2SD601AQTX
R236
150
R238
150
R226
4.7K
R228
100
C240
0.1
D208
MA8056MTX
+3.3BB
+5A
+15A
+5D
+5D
+24V
R233 680
D213
ERA1502V5
C226
0.1
C228
0.1
R230
2.2K
R262
10K
R229
470
R232
10
R263
10K
C248
100V22
D211 MA1270TR
C264
C243 35V10
D210 MA1240TR
R212
56K
R218
470
R211
4.7K
R213
470
R209
47
C216
6800P
C215
2200P
D204
MA111TX
D203
MA111TX
D202 SFPB74V
C209 6V1000
D201 MA2051LF
L201
120uH
R207
150
R215
150K
L202
QLBG005A
L204
QLBG005A
C255
ECA1JM220B
C230
16V10
D206
MA8033HTX
D205
MA111TX
R214
QRSGBB471QT2
Q204
2SD601AQTX
Q210
2SB709ARTX
Q202
2SC1815TPE2
R216
470
+15A
Q203
Q201
2SB952ADS
R208
150
R210
150
Z205
22x4
D221
MA152WKTX
D220
MA152WKTX
D219
MA111TX
R257
100
R256
470
C258
5.5V1F
+5D
+3.3D
R205 680
R206 680
+3.3D
R222
4.7K
D207
MA1062MTR
C231
0.1
C233
0.1
C232
0.1
2SC1815TPE2
TF
F
F F
F
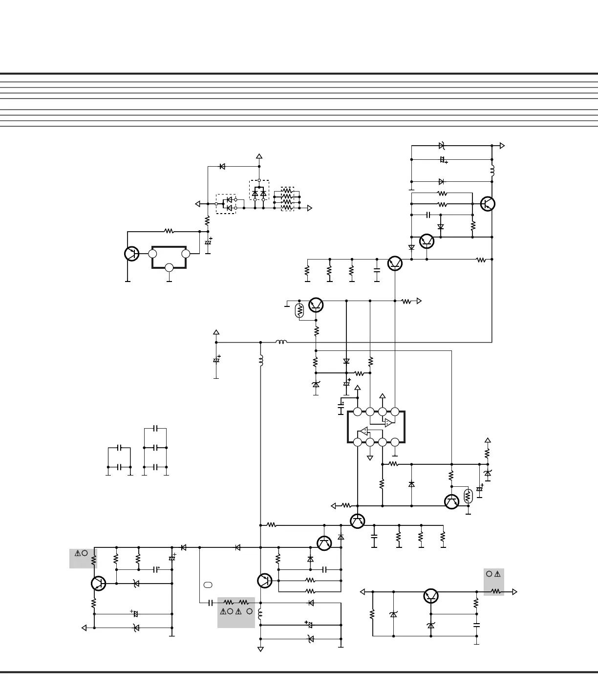
SCHEMATIC DIAGRAM-11

Related product manuals