EasyManua.ls Logo

Technics SX-PR603 - Page 95

Technics SX-PR603
125 pages
Print Icon
To Next Page IconTo Next Page
To Next Page IconTo Next Page
To Previous Page IconTo Previous Page
To Previous Page IconTo Previous Page
Loading...
0
1
2
3
4
5
6
7
8
AD
0
1
2
3
4
5
6
7
8DT
VSS VSS
VCC VCC
9
10
11
12
13
14
15
36
16
1534
18
17
40
31
30
29
28
27
24
23
22
21
47
48
49
46
44
43
42
41
10
9
8
7
5
4
3
2
26 45
VSS
50
1 6
VCC
25
NC
NC
NC
NC
LCAS
UCAS
W
RAS
32
20
19
9
10
11
1
11
NC
35
33
DE
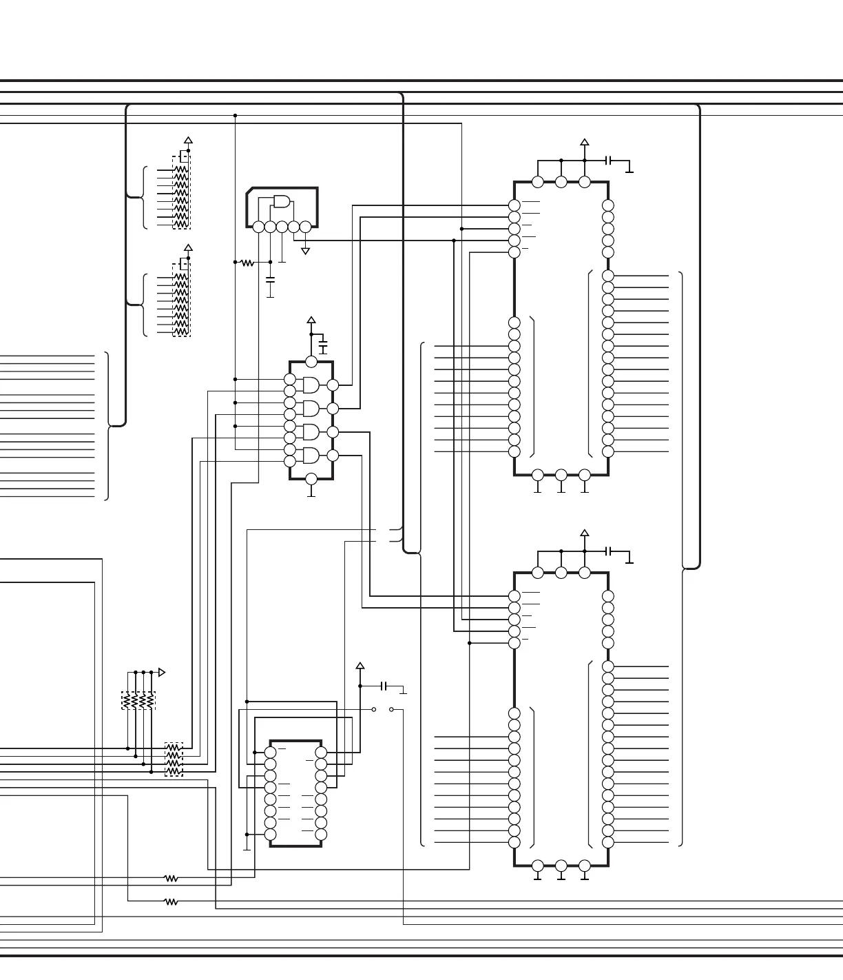
IC19
TC74VHC139F
2E
1Y0
1DA
1DB
GND
VCC
2DA
2DB
7
16
8
6
5
4
1
2
3
9
10
11
12
15
14
13
1E
1Y3
1Y2
1Y1
2Y3
2Y2
2Y1
2Y0
IC6
TC74VHC08F
GND VCC
1 2 3 4 5
IC7
TC7SH08FU
IC8
K16V1204CTL6
IC15
K16V1204CTL6
0
1
2
3
4
5
6
7
8
AD
0
1
2
3
4
5
6
7
8DT
VSS VSS
VCC VCC
9
10
11
12
13
14
15
36
16
1534
18
17 40
31
30
29
28
27
24
23
22
21
47
48
49
46
44
43
42
41
10
9
8
7
5
4
3
2
26 45
VSS
50
1 6
VCC
25
NC
NC
NC
NC
LCAS
UCAS
W
RAS
32
20
19
9
10
11
1
11
NC
35
33
DE
+3.3D
+3.3D
C30
0.1
+3.3BB
Q
R
S
T
Q
R
S
T
U
V
W
X
U
V
W
X
Y
Z
a
b
c
d
e
f
Y
Z
a
b
c
d
e
f
C40
0.1
C28
220P
C29
0.1
R39
330
JP5
R49 100
R48 100
Z18
100x4
Z19
4.7Kx4
W
V
C
D
E
F
G
H
J
I
K
C
B
A
D
E
F
G
H
J
I
K
L
M
N
O
P
Q
R
S
T
U
V
W
X
Y
Z
a
b
c
d
e
f
L
C
D
E
F
G
H
J
I
K
L
Z13
4.7Kx8
Z14
4.7Kx8
C37
0.1
+3.3BB
+3.3BB
+3.3D
+3.3D
+3.3BB
(16M BIT DYNAMIC RAM)
(16M BIT DYNAMIC RAM)
(QUAD 2 INPUT AND GATE)
SCHEMATIC DIAGRAM-3
12
13
11
2
1
3
5
4
6
9
10
8
7
14
(INVERTER AND GATE)

Related product manuals