EasyManua.ls Logo

Technics SX-PR603 - Page 97

Technics SX-PR603
125 pages
Print Icon
To Next Page IconTo Next Page
To Next Page IconTo Next Page
To Previous Page IconTo Previous Page
To Previous Page IconTo Previous Page
Loading...
0
1
2
3
4
5
6
7
8
AD
0
1
2
3
4
5
6
7
8
DT
VSS
VCC
9
10
11
12
13
14
15
2
3
42
4
5
6
7
8
9
10
11
27
29
31
25
22
20
18
16
30
28
26
24
21
19
17
15
13
VSS
32
23
BYTE
33
41
40
39
9
10
11
1
1443
34
35
36
37
38
CE
DE
12
1
44
12
13
14
15
16
17
18
19
20
21
1
2
3
4
5
6
7
8
CS
SK
DI
DO
VCC
PE
GND
PRE
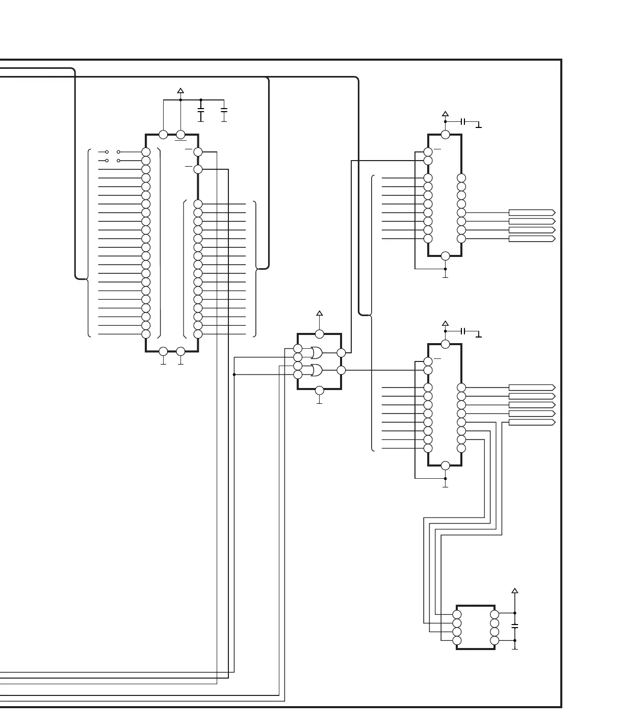
IC14
BR93LC56RFE2
D4
D1
D0
GND
VCC
Q1
Q0
18
20
10
17
14
13
7
4
3
19
16
15
12
6
5
2
D2
D7
D6
D5
Q7
Q6
Q5
Q4
8
9
11
1
D3
CLOCK
DE
Q2
Q3
D4
D1
D0
GND
VCC
Q1
Q0
18
20
10
17
14
13
7
4
3
19
16
15
12
6
5
2
D2
D7
D6
D5
Q7
Q6
Q5
Q4
8 9
11
1
D3
CLOCK
DE
Q2
Q3
IC16
T74VHCT374AF
IC12
QSIGX3C64016
+3.3D
C39
0.1IC17
T74VHCT374AF
C
B
D
E
F
G
H
J
I
K
L
M
N
O
P
Q
R
S
T
U
V
W
Q
R
S
V
W
X
T
U
Q
R
S
V
W
X
T
U
Q
R
S
T
U
V
W
X
Y
Z
a
b
c
d
e
f
+3.3D
JP1
JP6
C38
0.1
+5D
C35
0.1
C36
0.1
+3.3D
+5D C34
0.1
IC18
TC7W32FU
DSP.INT3
DSP.CS
DSP.RST
DSP.INT
DAC.ML
DAC.MC
DAC.MD
DAC.CS
EEP.DO
(64M BIT RHYTHM DATA ROM)
(DUAL 2 INPUT OR GATE)
(D TYPE FLIPFLOP)
(D TYPE FLIPFLOP)
(1K BIT PROGRAMMED EEP ROM)
SCHEMATIC DIAGRAM-5
GND
VCC
1
2
5
6
4
3
7
8

Related product manuals