EasyManua.ls Logo

Tegam 252 - Page 18

Tegam 252
53 pages
Print Icon
To Next Page IconTo Next Page
To Next Page IconTo Next Page
To Previous Page IconTo Previous Page
To Previous Page IconTo Previous Page
Loading...
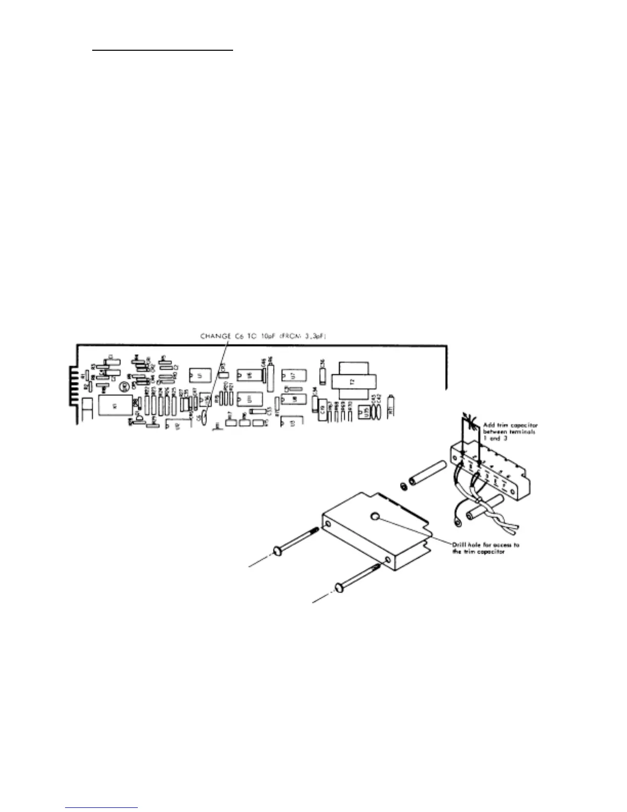
2.2.3.1 Test Fixture Compensation
The Model 252 uses a 3.3pF capacitor (C6 in Figure 2-6) to compensate for the capacitance of
the test leads. If the 252 is used with a test fixture, the larger capacitance of the fixture must
also be compensated for. There are two methods for compensating this larger capacitance. The
first method is to make a zero capacitance measurement with the test fixture connected. This
reading is mentally subtracted from all other measurements.
The second method for compensating the larger capacitance is to change the value of C6 from 3.3 pF
to 10 pF and to add an external trim capacitor. The external trim capacitor is connected in parallel with
the unknown and should be of such a value that the test fixture capacitance can be trimmed to zero.
Typically, the maximum value of this trim capacitor is 15pF. The trim capacitor can either be added
to the test cable, between Terminals 1 and 3 of the connector as shown in Figure 2-6, or it can be
added to the test fixture.
Figure 2-6. Test Fixture Compensation
2-8

Related product manuals