EasyManua.ls Logo

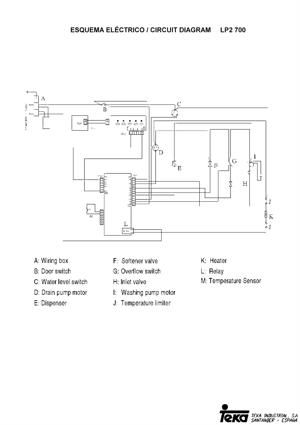
Teka LP2 700 - Electrical Circuit Diagram; Dishwasher Electrical Circuit Diagram

Teka LP2 700
89 pages
Print Icon
To Previous Page IconTo Previous Page
To Previous Page IconTo Previous Page
Loading...

Related product manuals