EasyManua.ls Logo

Teka TKD 1270 - Page 4

Teka TKD 1270
14 pages
Print Icon
To Next Page IconTo Next Page
To Next Page IconTo Next Page
To Previous Page IconTo Previous Page
To Previous Page IconTo Previous Page
Loading...
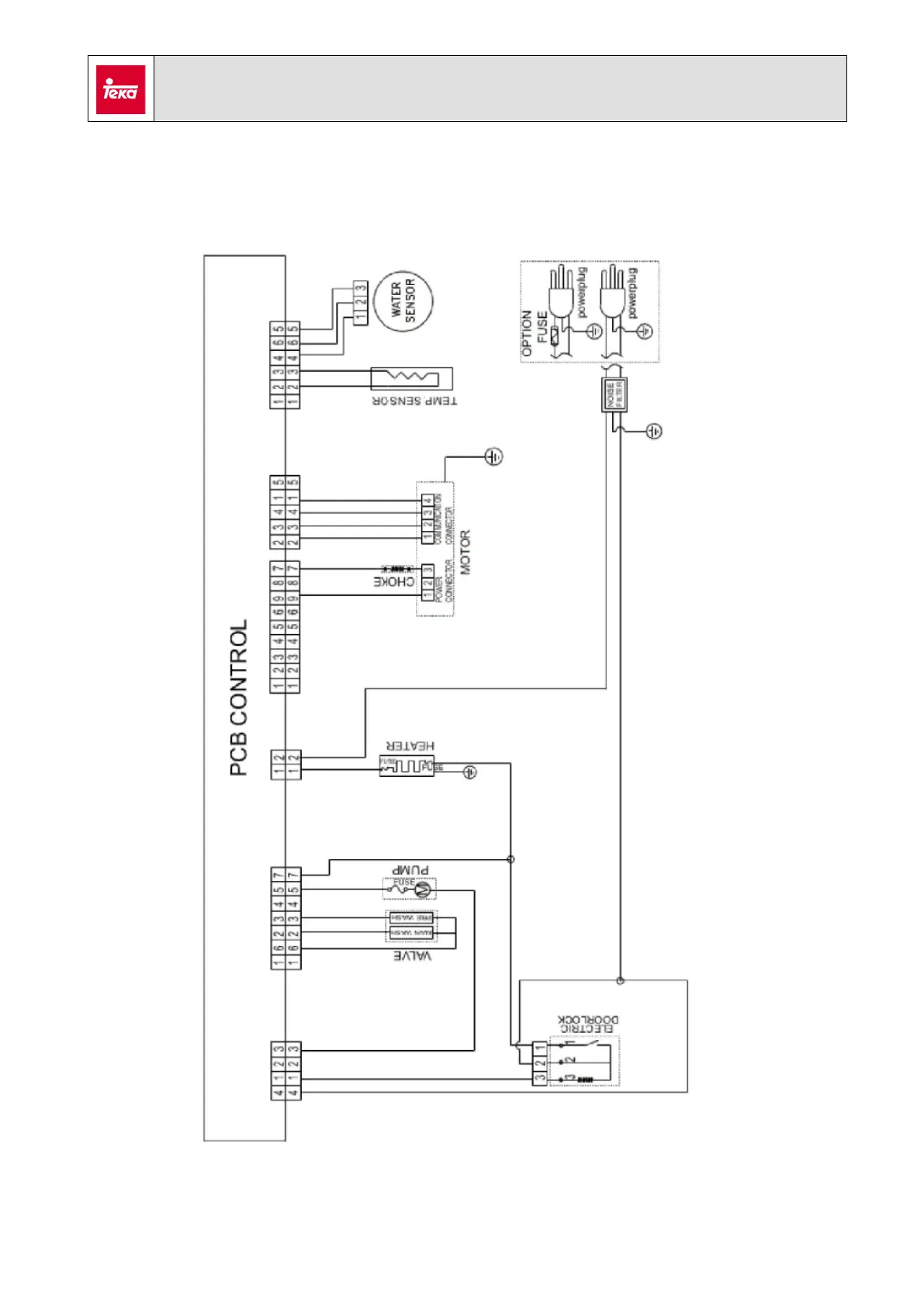
Service Manual
SPA WASHING MACHINES (TKD)
Service Manual: MSWM15043 EN - 3 -
2.2 TKD 1490

Related product manuals