EasyManua.ls Logo

Tektronix 502A - Page 28

Tektronix 502A
110 pages
Print Icon
To Next Page IconTo Next Page
To Next Page IconTo Next Page
To Previous Page IconTo Previous Page
To Previous Page IconTo Previous Page
Loading...
Circuit
Description
Type
502A
4-
350V
+100V
V746A
V652
TKfeCI
THERMAL
CUTOUT
V666B
+
100
V
V637
R6Z2
D642B
41OOV
R649
-
150
V
4-485V
UNREG.
(TO
CRT
CRT.)
+100
V
(TO
LOWER
BEAM
VERT.
AMP.)
+350V
(TO
UPPER
BEAM
VERT.
AMP.)
+350V
-
150V
(TO
LOWER
BEAM
VERT.
AMP.)
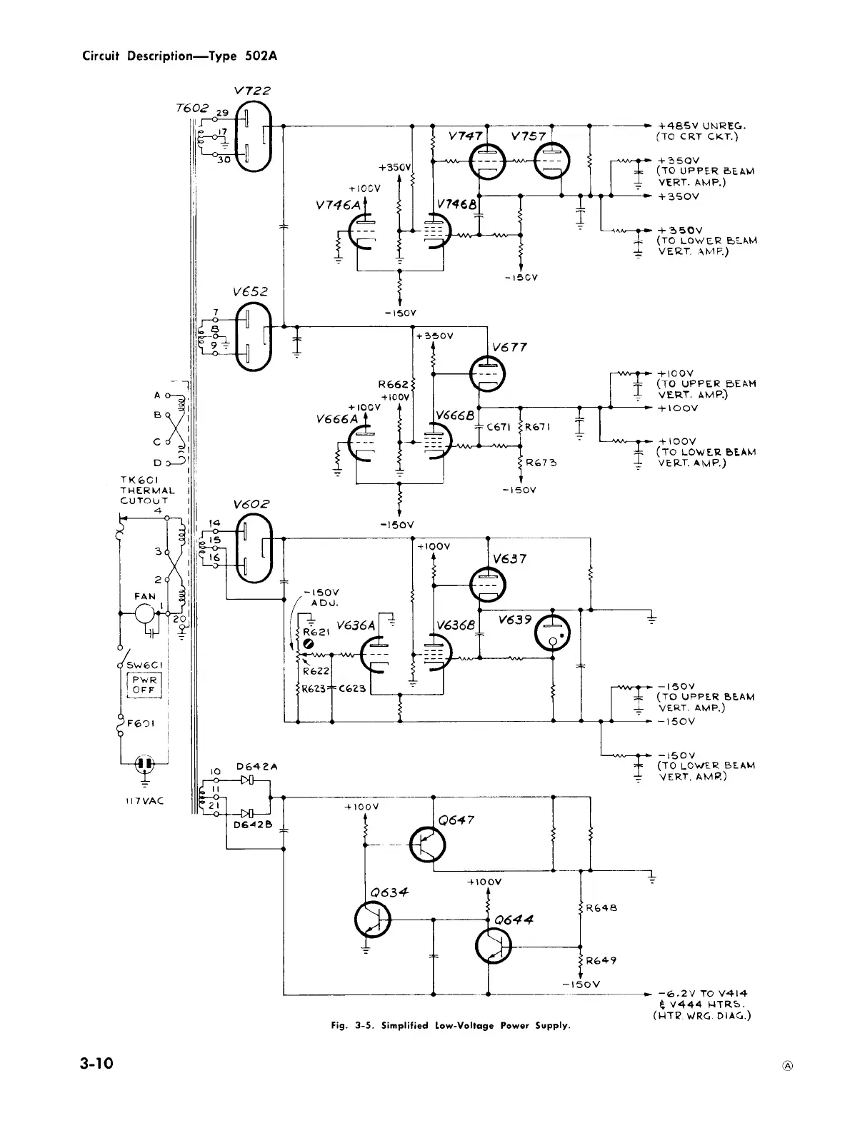
Fig.
3-5.
Simplified
Low-Voltage
Power
Supply.
+350V
(TO
LOWER
BEAM
VERT.
AMR.)
D642A
R662
+100V
V6
66
A
-150V
ADJ.
R62
3
C623
+
100V
-
1
5
0
V
(TO
UPPER
BEAM
VERT.
AMP.)
-
1
5
0
V
-6.2
V
TO
V4
1
4
&
V444
H
TRS.
(
HTR
.
WRG.
DIAG.)
3-10
T602
29

Related product manuals