EasyManua.ls Logo

Telcoma Automations E224 - Page 29

Telcoma Automations E224
Print Icon
To Next Page IconTo Next Page
To Next Page IconTo Next Page
To Previous Page IconTo Previous Page
To Previous Page IconTo Previous Page
Loading...
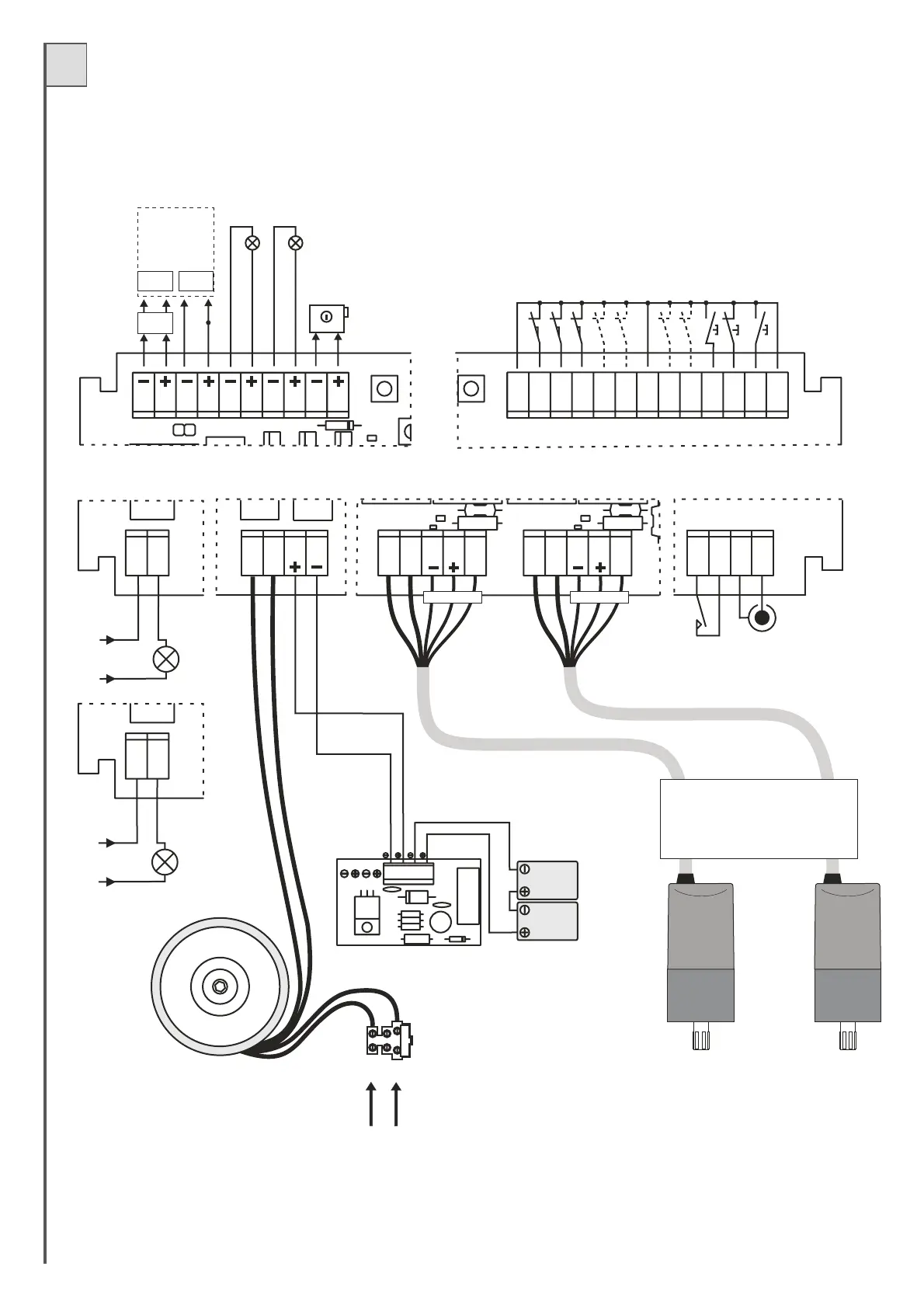
E
29
COM.
C.AP
FT2
FT1
J4
J3
COM.
J2
J1
PED.
STOP
P/P
COM.
24V
230V
max. 50W
max. 100W
24V
230V
1
11
2
12
3
13
4
14
5
15
6
16
7
17
8
18
9
19
10
20 2122
24
24
23
25
25
Aus.
Elettro-
Serratura
24Vcc
24Vcc
24Vcc
24Vcc
24Vcc
12Vcc
Lampeggiante
Spia
cancello
aperto
COSTA
APRE
FT2
FT1
JOLLY 4
JOLLY 1
JOLLY 3
JOLLY 2
STOP
P/P
PED.
Alimentazione
fotocellule
con Foto-test
(vedi testo)
Rx Tx
FUSE 5X20
12V 2,2Ah
12V 2,2Ah
12
3
4
26 2728
44
29
45
DD
30 3531 3632 3733 3834 39
40 414243
Antenna*2°Ch
230V
50/60 Hz
M
12Vcc
M
12Vcc
(-) Bianco/White/Blanc/Weisser/Blanco/Witte
(D) Verde
(Motore) Rosso-Blu
/Green/Vert/Grüner/Verde/Groene
/Red-Blue/ Rogue-Bleu
/Rot-Blauer/Rojo-Azul/Rood-Blauwe
(+) Marrone/Brown/Marron/Braun/Marron
ENCODER ENCODER

Related product manuals