EasyManua.ls Logo

Telcoma Automations E224 - Page 5

Telcoma Automations E224
Print Icon
To Next Page IconTo Next Page
To Next Page IconTo Next Page
To Previous Page IconTo Previous Page
To Previous Page IconTo Previous Page
Loading...
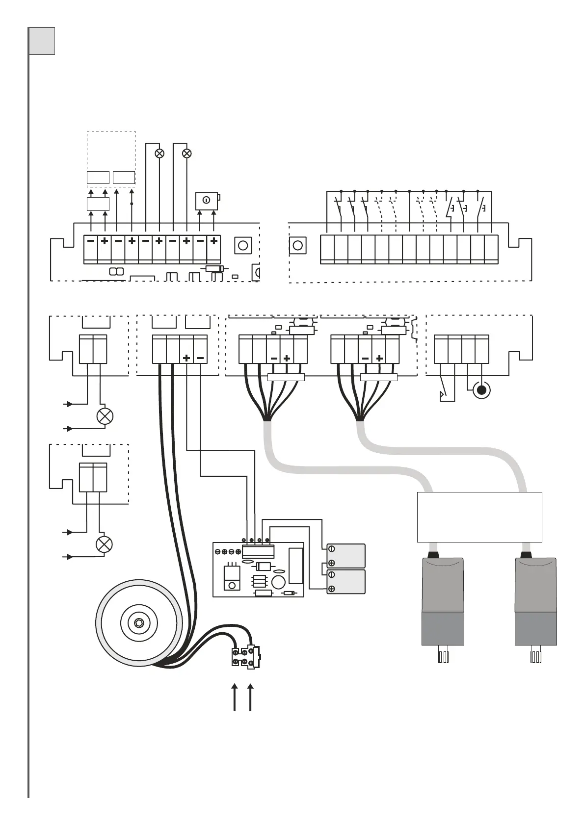
I
5
COM.
C.AP
FT2
FT1
J4
J3
COM.
J2
J1
PED.
STOP
P/P
COM.
24V
230V
max. 50W
max. 100W
24V
230V
1
11
2
12
3
13
4
14
5
15
6
16
7
17
8
18
9
19
10
20 2122
24
24
23
25
25
Aus.
Elettro-
Serratura
24Vcc
24Vcc
24Vcc
24Vcc
24Vcc
12Vcc
Lampeggiante
Spia
cancello
aperto
COSTA
APRE
FT2
FT1
JOLLY 4
JOLLY 1
JOLLY 3
JOLLY 2
STOP
P/P
PED.
Alimentazione
fotocellule
con Foto-test
(vedi testo)
Rx Tx
FUSE 5X20
12V 2,2Ah
12V 2,2Ah
12
3
4
26 2728
44
29
45
DD
30 3531 3632 3733 3834 39
40 414243
Antenna*2°Ch
230V
50/60 Hz
M
12Vcc
M
12Vcc
(-) Bianco/White/Blanc/Weisser/Blanco/Witte
(D) Verde
(Motore) Rosso-Blu
/Green/Vert/Grüner/Verde/Groene
/Red-Blue/ Rogue-Bleu
/Rot-Blauer/Rojo-Azul/Rood-Blauwe
(+) Marrone/Brown/Marron/Braun/Marron
ENCODER ENCODER

Related product manuals