EasyManua.ls Logo

Telcoma EVO800 - Page 3

Telcoma EVO800
Print Icon
To Next Page IconTo Next Page
To Next Page IconTo Next Page
To Previous Page IconTo Previous Page
To Previous Page IconTo Previous Page
Loading...
2
190
153
177
305
165 140
276
206
60
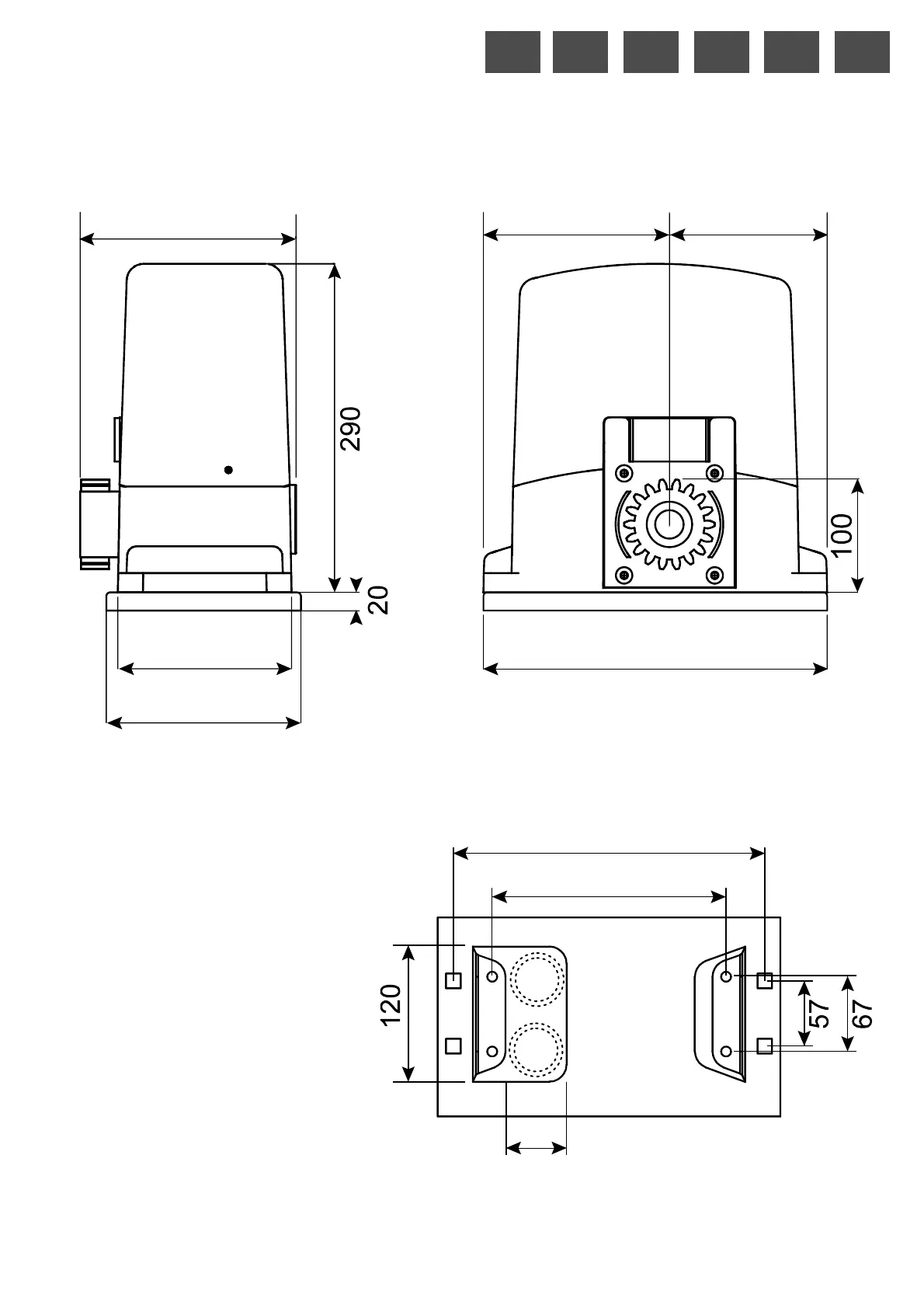
Fig. B
I
F E GB D NL

Related product manuals