EasyManua.ls Logo

Telcoma STONE 300 GR - Page 7

Telcoma STONE 300 GR
24 pages
Print Icon
To Next Page IconTo Next Page
To Next Page IconTo Next Page
To Previous Page IconTo Previous Page
To Previous Page IconTo Previous Page
Loading...
1
2
28
29
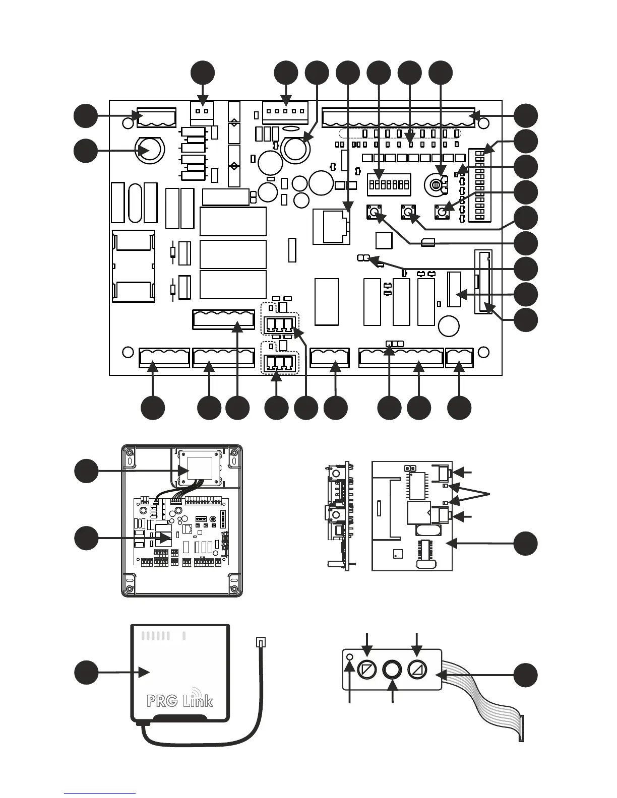
P1 (P/P)
STOP*
PA
Spia
PC
P2 (PED)
Led
3 4 5 86 9 10
12
14
15
16
18
19
20
13
17
11
22 21232627 2425
7
222
190
150
50
118
280
220
Art. XXXOC2
Art. TAST 3F
30
32
31
MEMORIA
Fig. A Fig. B
(mm)
1
7
2

Related product manuals