EasyManua.ls Logo

Teleste CX3 - Configuration Menu and Diagram; Parameter Adjustment Guide

Teleste CX3
4 pages
Print Icon
To Previous Page IconTo Previous Page
To Previous Page IconTo Previous Page
Loading...
User Manual CX3
59300625 Rev.001
1.2.2018 4(4)
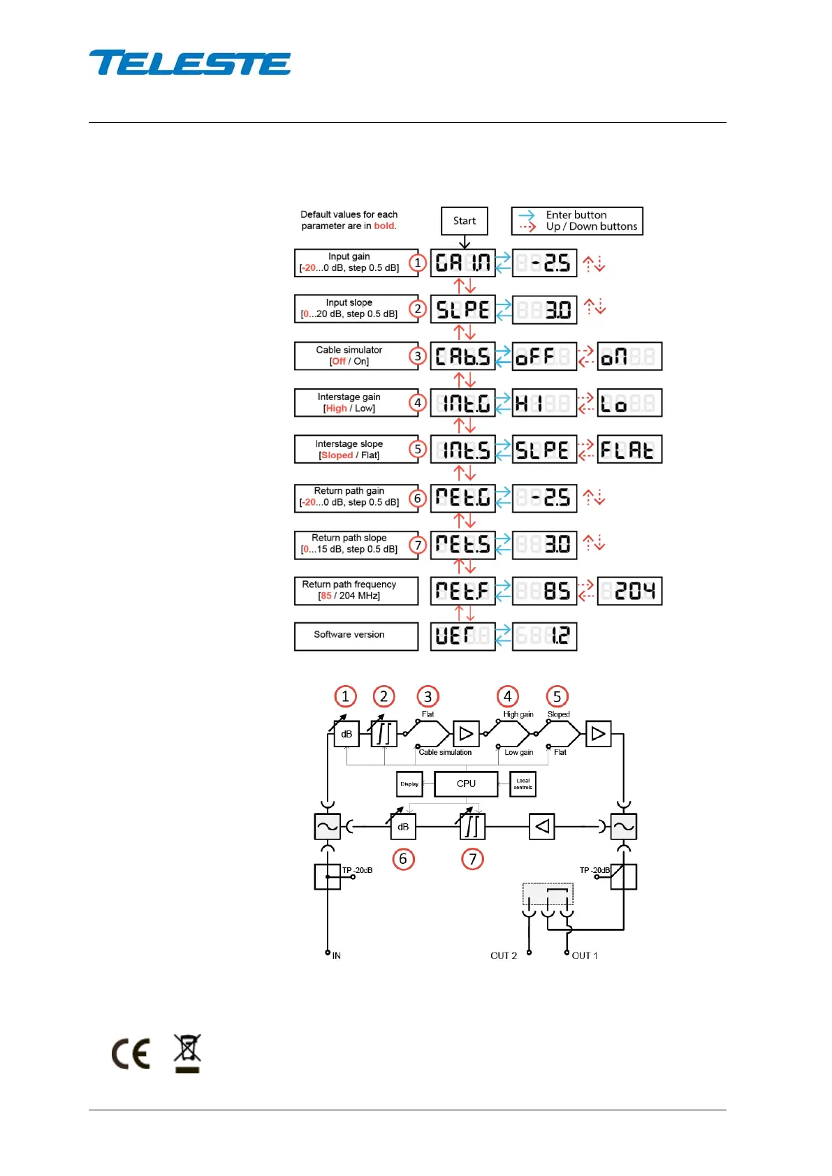
Menu and block diagram
Copyright © 2018 Teleste Corporation. All rights reserved. Teleste and the Teleste logo are
registered trademarks of Teleste Corporation. Other product and service marks are property of their
respective owners. Teleste reserves the right to make changes to any features and specifications of
the products without prior notice. Although the information in this document has been reproduced in
good faith, the contents of this document are provided “as is”. Teleste makes no warranties of any
kind in relation to the accuracy, reliability or contents of this document, except as required by
applicable law.