EasyManua.ls Logo

Telwin TECHNOLOGY 200 - Operation and Wiring Diagrams; Block Diagram

Telwin TECHNOLOGY 200
23 pages
Print Icon
To Next Page IconTo Next Page
To Next Page IconTo Next Page
To Previous Page IconTo Previous Page
To Previous Page IconTo Previous Page
Loading...
22
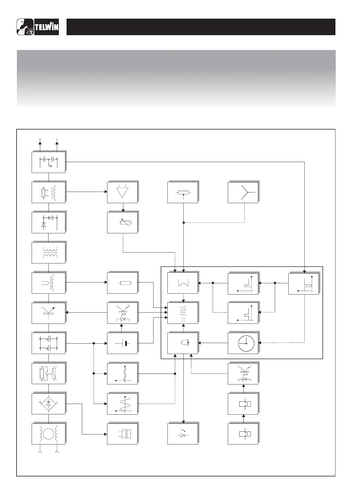
SECONDARY
DIODES
THERMOSTAT
TECHNOLOGY 150-170-200-186CE/GE
-2-
6
CURRENT
TRANSFORMER
1
7
POWER
TRANSFORMER
OUTPUT
10
SECONDARY
FILTER EMC
24
GALVANIC
SEPARATION
HYBRID
8
SECONDARY
DIAODES
5
CHOPPER
4
FILTER
3
PRE-CHARGE
2
RECTIFIER
BRIDGE
9
INDUCTANCE &
SHUNT
+
-
13
PRIMARY CURRENT
READER AND LIMITER
11
FLY-BACK
POWER SUPPLY
27
FAN
26
UNDERVOLTAGE
SAFEGUARD
V
t
25
OVERVOLTAGE
SAFEGUARD
V
t
15
ADDER
14
DUTY CYCLE
FORMATOR
20
SHUNT
AMPLIFIER
+ |
21
MAXIMUN
CURRENT
REGULATOR
ALARM BLOCK
16
18
CURRENT
POTENTIOMETER
12
IGBT DRIVER
17
ALARM LED
SH
O
R
T
C
IR
CU
IT
D
ELA
Y
31
30
ARC FORCE
t
i
29
HOT START
t
i
19
WELDING MODE
FUNCTION
SELECTOR
TIG-LIFT
SOFT
HARD
28
SHORT CIRCUIT
DETECTOR
t
V
23
INDUCTANCE
THERMOSTAT
BLOCK DIAGRAM
OPERATION AND WIRING DIAGRAMSOPERATION AND WIRING DIAGRAMS
OPERATION AND WIRING DIAGRAMSOPERATION AND WIRING DIAGRAMS
PRIMARY
EMC FILTER
INPUT

Related product manuals