EasyManua.ls Logo

Telwin TECHNOLOGY 200 - Page 7

Telwin TECHNOLOGY 200
23 pages
Print Icon
To Next Page IconTo Next Page
To Next Page IconTo Next Page
To Previous Page IconTo Previous Page
To Previous Page IconTo Previous Page
Loading...
-7-
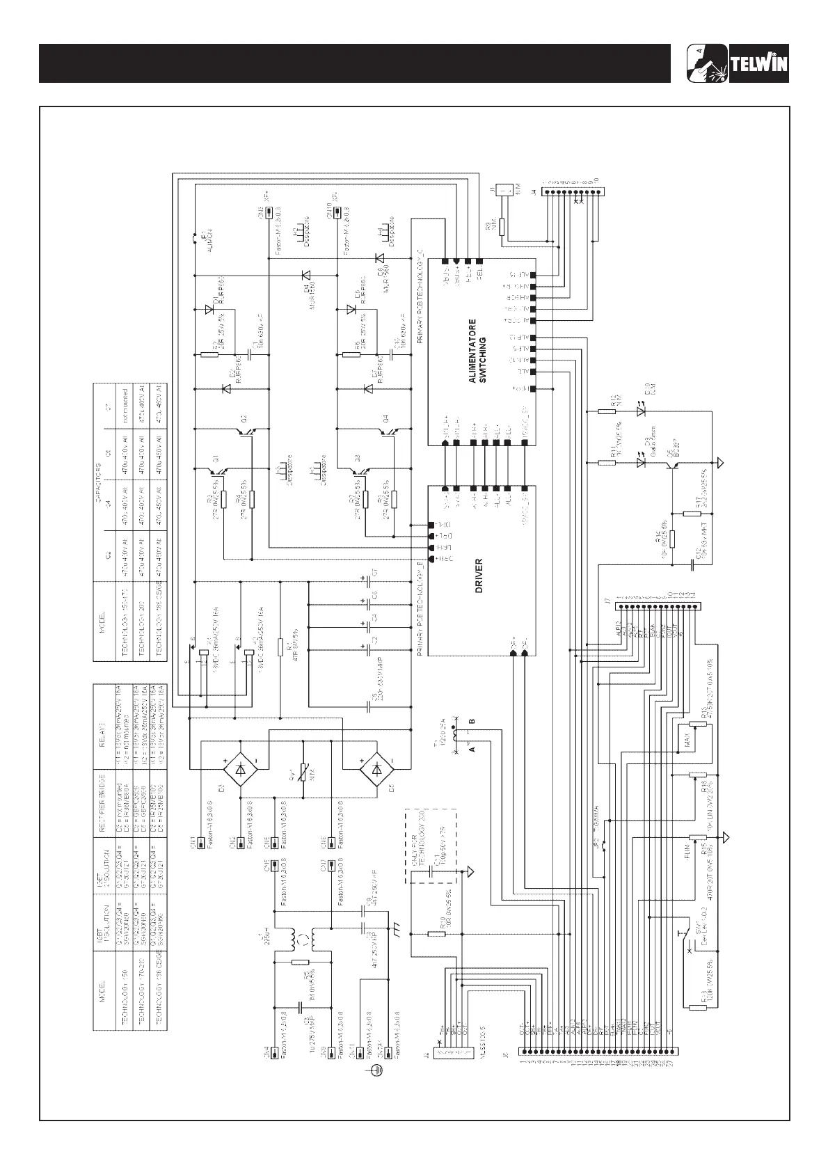
Schema elettrico scheda primario - Driver
TECHNOLOGY 150-170-200-186CE/GE
TECHNOLOGY 150-170-200-186CE/GE
Wiring diagram primary board - Power

Related product manuals