EasyManua.ls Logo

Tempstar A Series - Page 43

Tempstar A Series
76 pages
Print Icon
To Next Page IconTo Next Page
To Next Page IconTo Next Page
To Previous Page IconTo Previous Page
To Previous Page IconTo Previous Page
Loading...
F96CTN and G96CTN (Series A): Installation, Start-up, Operating, Service and Maintenance Instructions
Manufacturer reserves the right to change, at any time, specifications and designs without notice and without obligations.
43
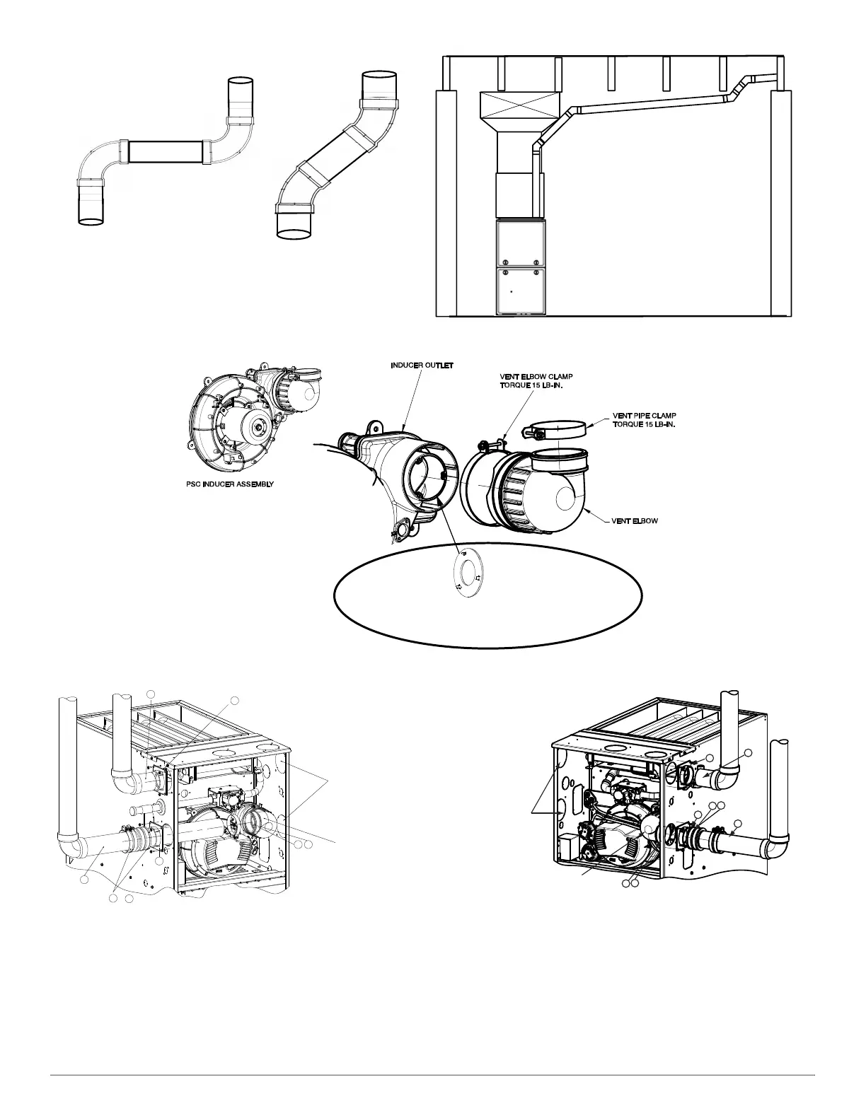
A14546
Fig. 52 – Near Furnace Vent Connections
A170006
Fig. 53 – Inducer Vent Elbow
A11309A
UPFLOW LEFT CONFIGURATION
A11308A
UPFLOW RIGHT CONFIGURATION
Avoid short horizontal offsets with 90
deg. Elbow s. Short off set s can be
difficult to slope and may trap con-
densate.
Use 45 deg. Elbows where
possible, to ensure conden-
sate drainage.
Slope vent pipe back to the
furnace at least ¼” per foot
7$%6217+(,1'8&(5287/(75(675,&72561$3
,1727+(6/276$77+(287/(72)7+(,1'8&(5
)2586$*(
6((0$;,080(48,9$/(179(17/(1*7+7$%/(
)702)9(1725/(6621/<
1
2
3
4
6
7
5
5
Rotate vent elbow to
required position.
Any other unused
knockout may be used
for combustion air
connection.
&
1
2
3
4
5
6
7
5
Rotate vent elbow to
required position.
Any other unused
knockout may be used
for combustion air
connection.

Related product manuals