EasyManua.ls Logo

terim TER200MSBS - Service and Technical Diagrams; Wiring Diagram

terim TER200MSBS
14 pages
Print Icon
To Next Page IconTo Next Page
To Next Page IconTo Next Page
To Previous Page IconTo Previous Page
To Previous Page IconTo Previous Page
Loading...
13
SERVICE FOR YOUR APPLIANCE
We are proud of our customer service organization and the network of professional service technicians
that provide service on your TERIM refrigerator - freezer. With the purchase of your TERIM refrigerator
-freezer, you can be confident that if you ever need additional information or assistance, the
Products Customer Service team will be here for you.
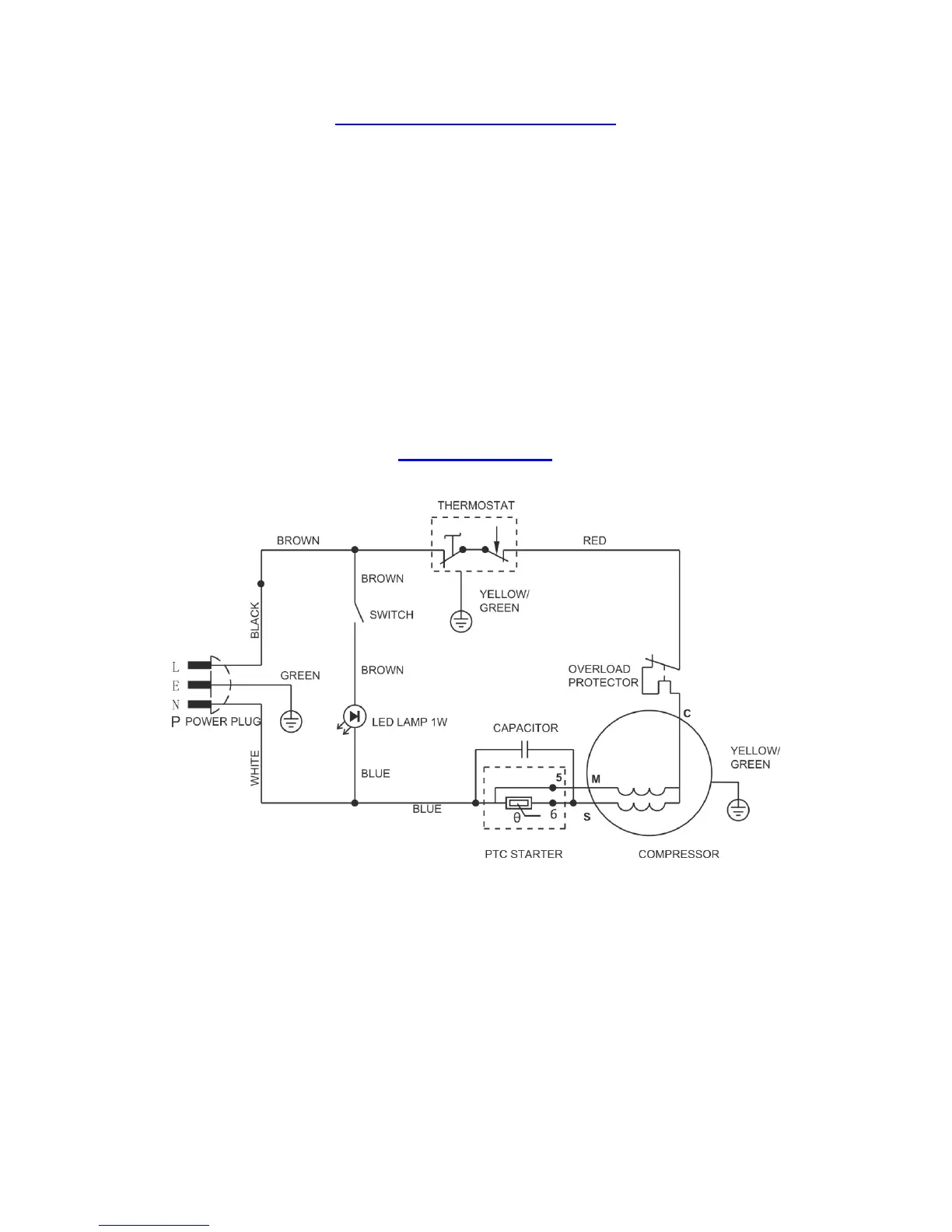
WIRING DIAGRAM
BETTER
LIFE