EasyManua.ls Logo

Texas Instruments 99/4A - Page 10

Texas Instruments 99/4A
146 pages
Print Icon
To Next Page IconTo Next Page
To Next Page IconTo Next Page
To Previous Page IconTo Previous Page
To Previous Page IconTo Previous Page
Loading...
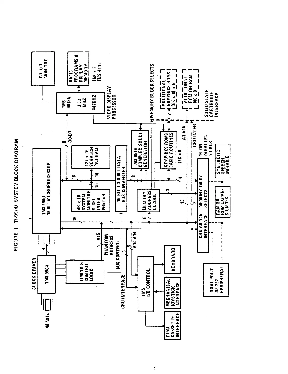
FIGURE
1
TI-99/4/
SYSTEM
BLOCK
DIAGRAM
7

Related product manuals