EasyManua.ls Logo

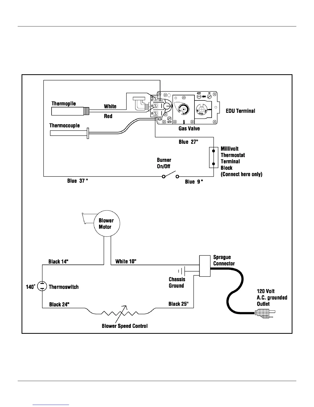
Thelin GNOME - Wiring; Figure 10 - Wiring Diagram

Thelin GNOME
37 pages
Print Icon
To Next Page IconTo Next Page
To Next Page IconTo Next Page
To Previous Page IconTo Previous Page
To Previous Page IconTo Previous Page
Loading...
GNOME DIRECT VENT GAS HEATER
30
FIGURE 10 WIRING DIAGRAM

Other manuals for Thelin GNOME