EasyManua.ls Logo

Thermo Forma 3940 - Page 37

Default Icon
42 pages
Print Icon
To Next Page IconTo Next Page
To Next Page IconTo Next Page
To Previous Page IconTo Previous Page
To Previous Page IconTo Previous Page
Loading...
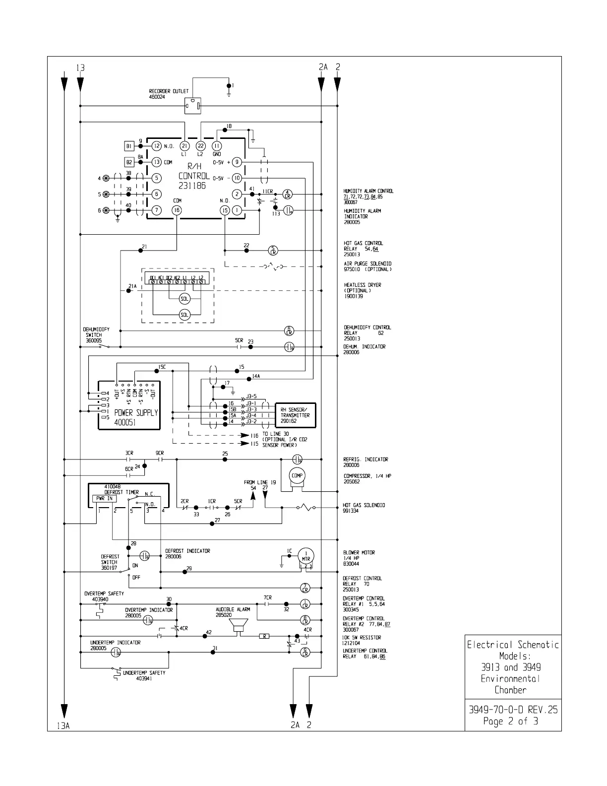
Models 3940 and 3949 __________________________________________________________________Electrical Schematics
9 - 5