EasyManua.ls Logo

THOMSON 22E92NH22 - Page 64

THOMSON 22E92NH22
89 pages
Print Icon
To Next Page IconTo Next Page
To Next Page IconTo Next Page
To Previous Page IconTo Previous Page
To Previous Page IconTo Previous Page
Loading...
for TCL TQP
T
T
T
T
T
GPIO_3
GPIO_4
GPIO_5
GPIO_6
GPIO_7
GPIO_8
GPIO_9
GPIO_10
GPIO_11
GPIO_12
GPIO_13
OSDA0
OSCL0
OSDA1
OSCL1
OPWM0
OPWM1
OPWM2
OPWRSB
OPCTRL0
OPCTRL1
OPCTRL2
OPCTRL3
OPCTRL4
OPCTRL5ORESET_
C_XREG
AVDD33_REG
ADIN0
ADIN1
ADIN2
ADIN3
ADIN4
AVDD33_SRV
XTALI
XTALO
VCXO
AVDD33_XTAL
DESIGNATION
4-27-2007_10:59
ON:
BY:
CHECKED
DRAWN
DESIGNATION
DATE DESCRIPTION Last modifNAMEIndex-Lab
SBU :
TOCOM-Nr
ON:
BY:
OF :
PAGE:
SNAME
Last saved :
A
123
THIS DRAWING CANNOT BE COMMUNICATED TO UNAUTHORIZED PERSONS COPIED UNLES S PERMITTED IN WRITING
45678
F
E
D
C
B
A
8 7 6 5 4 3 2 1
F
E
D
C
B
FORMAT DIN A3
TCL Thomson Electronics Singapore Pte. Ltd.
Tel (65) 63092900 Fax (65) 63092999
The JTC Summit SINGAPORE 609434
8 Jurong Town Hall Road #28-01/06
T
SDA
SCL
WC
VCC
VSS
E2/NC
E1/NC
E0/NC
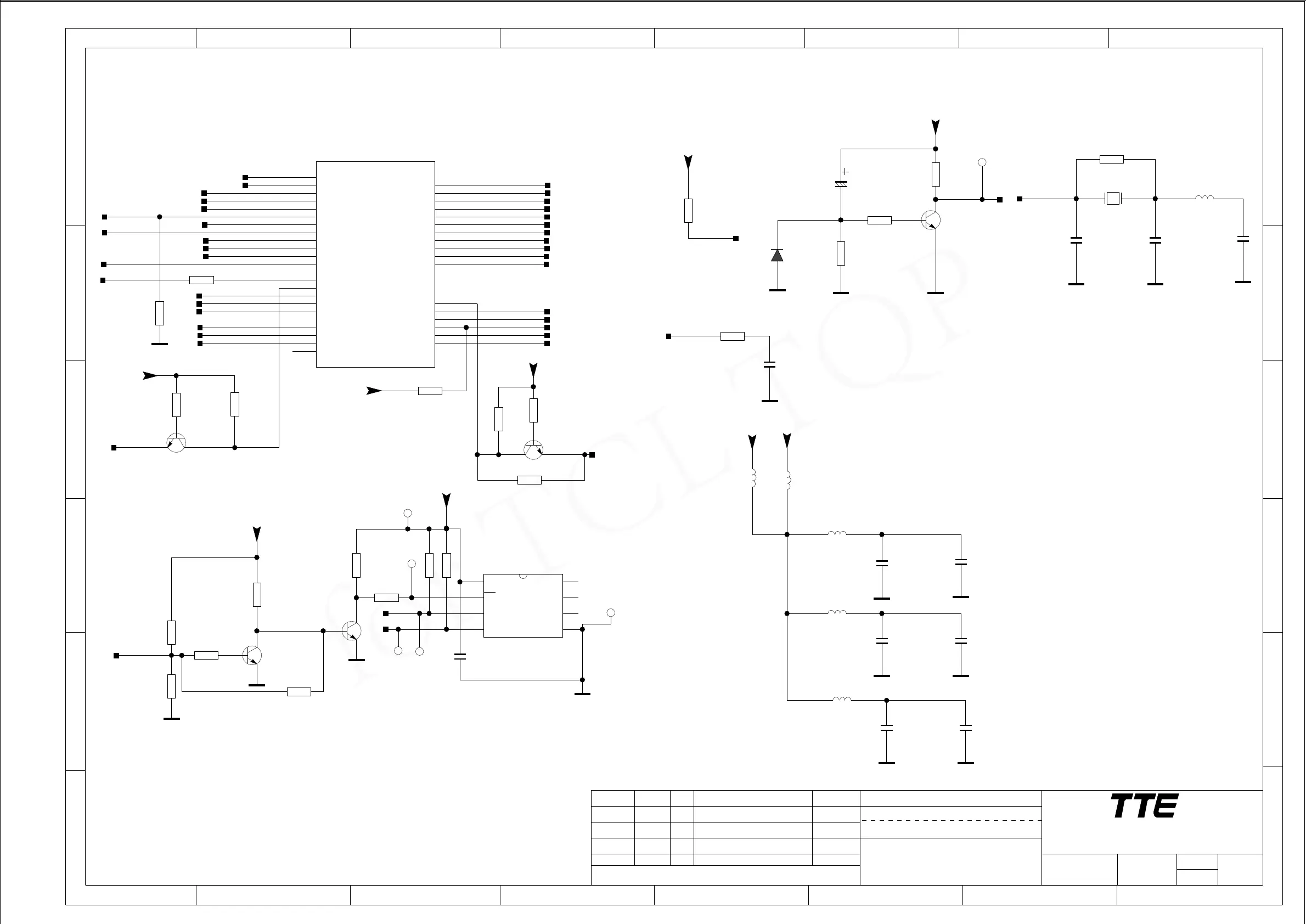
Adjust the power on timing
MT5133_RESET
POWER_ON/OFF
R207
1R
R220
0R
R201
4K7
R204
NC/10K
B
C
E
Q201
NC/BT3904
R205
NC/10K
R200
180K
L235
200R
L236
NC/200R
R36
NC/10K
NC/4K7
R39
B
C
E
Q1
NC/BT3904
R38
NC/10K
10K
R37
R40
0R
ORESET#
+3V3SB
DV33
CI_PDD5
CI_PDD4
X200
60M
C203
4U7
AVDD33_XTAL
R44
10K
DV33
DV33
EDID_PRT
B
C
E
Q200
BT3904
R203
10K
PANEL_SLT
C_XREG
PWRDET
OSDA0
OSCL0
OSDA0
OSCL0
OSDA1
OSCL1
BL_DIM
OPWM1
OXTALO
OXTALI
AVCC_SRV
KEY
SCART_FS_IN
PWRDET
AVDD33_REG
C_XREG
ORESET#
HDMI_INT
EDID_PRT
BL_ON/OFF
AMP_MUTE
CI_INT
LVDSVDD_EN
CI_CLE
CI_ALE
CI_OEB
CI_POWE#
CI_PDD7
CI_PDD6
CI_PDD3
B
C
E
Q206
C124ET
DV33
C221
10P
C222
10P
C223
1000P
L214
0.82UH
C205
1U
C206
1U
5
6
7
8
4
3
2
1
U205
M24C16MN
R217
33R
Z958
C201
220U
16V
L211
600R
L210
600R
L212
600R
C204
1U
D200
LL4148
MTK_IC_RESET
OXTALI
DV33
R209
1K
R208
220R
R210
47K
OXTALO
DV33
C247
0.1U
R216
4K7
R215
4K7
R214
10K
DV33
DV33
R211
NC
C226
0.1U
C224
0.1U
C225
0.1U
B
C
E
Q202
BT3904
R206
1K
R202
10K
AVDD33_REG
AVCC_SRV
AVDD33_XTAL
207
208
209
59
60
210
211
212
214
215
216
204
205
63
62
191
202
203
72
92
91
76
75
90
8971
87
88
148
149
150
151
152
147
144
143
146
145
U203
MT5335PKU
Z956
Z957
Z960
Z959
OPWM2
Z213
CEC

Table of Contents

Related product manuals