EasyManua.ls Logo

THOMSON 24FS3246 - Page 28

THOMSON 24FS3246
40 pages
Print Icon
To Next Page IconTo Next Page
To Next Page IconTo Next Page
To Previous Page IconTo Previous Page
To Previous Page IconTo Previous Page
Loading...
TCL CONFIDENTIAL
ONLY FOR AOE
T
GND
GND
GNDGND
T
GND
GND
GND
T
AVDD12_LVDS
AVDD33_LVDSA
AVDD33_LVDSB
O0P
O0N
O1P
O1N
O2P
O2N
OCKP
OCKN
E0P
E0N
O3P
O3N
E1P
E1N
O4P
O4N
E2P
E2N
ECKP
ECKN
E3P
E3N
E4P
E4N
AVSS12_VPLL
AVDD12_VPLL
TP_VPLL
AVSS_LVDS
AVSS_LVDS1
AVSS_LVDS2
GND
T
T
TT
GND
...
.............
DD-MM
DD-MM
DD-MM
DD-MM
...
...
...
...
...
...
...
...
...
5-5-2008_15:52
...........
...
...
...
...
...
...
DD-MM-YY
......
Tel +86-755-3331xxxx Fax +86-755-3331xxxx
Nanshan District, Shenzhen, Guangdong
B Building, TCL Tower, Nanhai Road
TCL Thomson Electronics Ltd.
OF :
PAGE:
ON:
BY:
BY:
ON:
CHECKED
DATE
Last saved :
DESCRIPTION Last modifNAME
A
3 2 1
F
E
D
C
B
8 7 6 5
5
4 3 2 1
THIS DRAWING CANNOT BE COMMUNICATED TO UNAUTHORIZED PERSONS COPIED UNLES S PERMITTED IN WRITING
F
E
D
C
B
A
4678
FORMAT DIN A2
Index-Lab
DESIGNATION
SBU :
TCLNO:
DRAWN
GND
GND
GND
T
T
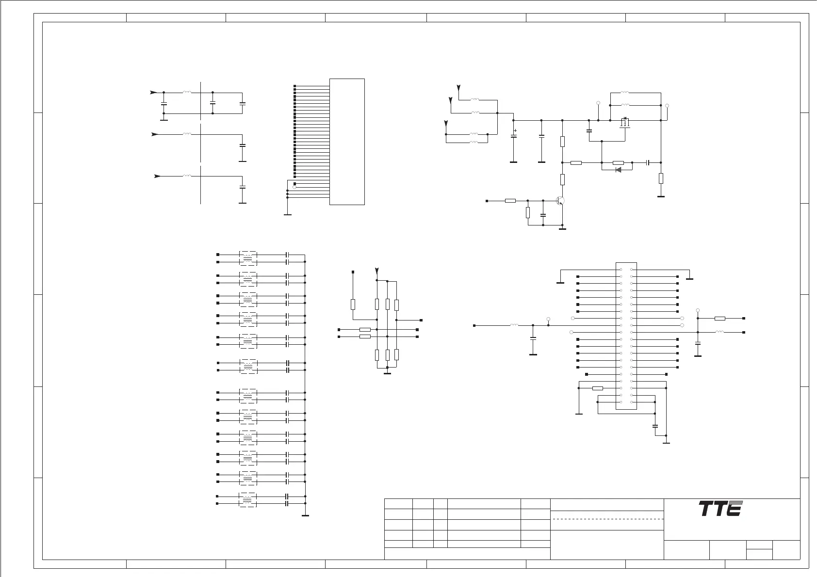
HI = > LVDS POWER ON
By Ada.Du
NEAR IC
NEAR IC
NEAR IC
LVDS POWER CONTROL
LVDS OUT
LO = > LVDS POWER OFF
R85
0R
R84
6K8
C361
1U
G
D
S
Q23
PMV65XP
NC
ME_SCL0
VBR_EXT
L132
NC/200R
L131
NC/200R
R219
0R
R218
NC/1K
2
1 4
3
L27
33R
2
1 4
3
L18
33R
2
1 4
3
L22
33R
2
1 4
3
L21
33R
2
1 4
3
L20
33R
2
1 4
3
L19
33R
2
1 4
3
L26
33R
2
1 4
3
L17
33R
2
1 4
3
L13
33R
2
1 4
3
L14
33R
2
1 4
3
L15
33R
2
1 4
3
L16
33R
L85
NC/30R
L84
NC/30R
L55
NC/500R
R586
NC/0R
5V_OUTSIDE
12V
+5V
AV33
AV125
AV125
C23
4U7
R217
470K
LVDS_FORMAT
OSDA0
OSCL0
R83
0R
C141
10P
C142
10P
GPIO_1
R81
10K
R82
10K
AVDD12_VPLL
AVDD12_LVDS
B
C
E
Q18
BT3904
R588
0R
R207
NC/0R
BIT_SEL
GPIO_1
NC/0R
R214
R213
NC/1K
L56
200R
DIM_OUT
BIT_SEL
DCR
Z12
C537
0.1U
R582
10K
R216
22K
C360
0.1U
1 2
4
6
8
12
14
16
18
20
10
22
24
26
28
3
5
7
9
11
13
15
17
19
21
23
25
27
29 30
32
34
36
38
40
31
33
35
37
39
P11
C455
10U
16V
C436
0.1U
C108
0.1U
C109
0.1U
C329
0.1U
C324
0.1U
PANEL_DIM
LVDSVDD
VBR_EXT
LVDS_FORMAT
BIT_SEL
AN55
DCR
DCR
AN00
D23
LL4148
R208
NC/0R
R209
NC/1K
AV33
AN99
AN88
AP99
AN44
AN33
AP44
NC/0R
R215
C344
10P
GPIO_18
AP66
C353
10P
C352
10P
L54
600R
L53
600R
L52
600R
C107
1U
K12
E10
E12
A6
B6
A7
B7
A8
B8
A9
B9
C9
D9
A10
B10
C10
D10
A11
B11
C11
D11
C12
D12
C13
D13
C14
D14
K13
K14
B12
E9
E11
K11
U201
MT5362
Z11
AVDD33_LVDS
AVDD33_LVDS
AVDD12_VPLL
O3P
AVDD12_LVDS
O0N
O1N
O0P
O1P
E4N
E2N
OCKP
ECKP
E2P
O2N
OCKN
O3N
E1P
O2P
ECKN
E1N
O4N
E3P
O4P
E3N
E4P
E0P
E0N
AVDD33_LVDS
CLK11-
AN22
AP00
AP11
AP22
CLK11+
AN11
AP33
AP55
AP77
CLK22+
AP88
AN66
AN77
CLK22-
C355
10P
C354
10P
C351
10P
C350
10P
C349
10P
C348
10P
C347
10P
C346
10P
C345
10P
C343
10P
C342
10P
C340
10P
C339
10P
C338
10P
C336
10P
C335
10P
C330
10P
C357
10P
C356
10P
C359
10P
C358
10P
GPIO_19
Z13
L130
NC/200R
L145
200R
LVDSVDD
ECKP
E4P
E4N
AP99
AN99
AP88
AN88
AP77
AN77
AP66
AN55
E3N
E2N
E1P
E1N
E0P
E0N
AP44
AN44
O4P
O3N
O2P
O2N
O1N
O0N
E3P
OCKP
AP00
AN00
O0P
AP11
AN11
O1P
AP22
AN22
CLK11+
CLK11-OCKN
O3P
AP33
AN33
AP55
E2P
ECKN
CLK22+
CLK22-
AN66
O4N
LVDS_FORMAT

Related product manuals