EasyManua.ls Logo

THOMSON 24FS3246 - Page 29

THOMSON 24FS3246
40 pages
Print Icon
To Next Page IconTo Next Page
To Next Page IconTo Next Page
To Previous Page IconTo Previous Page
To Previous Page IconTo Previous Page
Loading...
TCL CONFIDENTIAL
ONLY FOR AOE
T
T
T
T
T
T
T
GND
GND
GND
GND
GND
GND
GND
GND
GND
GND
GND
T
T
SDA
SCL
WP
VCC
GND
A2
A1
A0
CVBS0P
CVBS1P
CVBS0N
CVBS3P
CVBS2P
AVSS33_CVBS
AVDD33_CVBS
CVBS_SC0
CVBS_SY0
CVBS_SY1
CVBS_SC1
AVSS33_REG
AVSS33_REG1
AVDD33_REG
AVDD33_REG1
AVSS12_RGB
AVDD12_RGB
BP
GP
COM
RP
VSYNC
HSYNC
SOG
SOY1
SOY0
Y0P
COM0
PB0P
PR0P
Y1P
COM1
PB1P
PR1P
AVDD12_RGB_DIG
GND
GND
T
T
GND
T
S
R
...
.............
DD-MM
DD-MM
DD-MM
DD-MM
...
...
...
...
...
...
...
...
...
5-5-2008_15:52
...........
...
...
...
...
...
...
DD-MM-YY
......
Tel +86-755-3331xxxx Fax +86-755-3331xxxx
Nanshan District, Shenzhen, Guangdong
B Building, TCL Tower, Nanhai Road
TCL Thomson Electronics Ltd.
OF :
PAGE:
ON:
BY:
BY:
ON:
CHECKED
DATE
Last saved :
DESCRIPTION Last modifNAME
A
3 2 1
F
E
D
C
B
8 7 6 5
5
4 3 2 1
THIS DRAWING CANNOT BE COMMUNICATED TO UNAUTHORIZED PERSONS COPIED UNLES S PERMITTED IN WRITING
F
E
D
C
B
A
4678
FORMAT DIN A2
Index-Lab
DESIGNATION
SBU :
TCLNO:
DRAWN
T
T
T
T
T
T
NEAR IC
NEAR IC
NEAR IC
NEAR IC
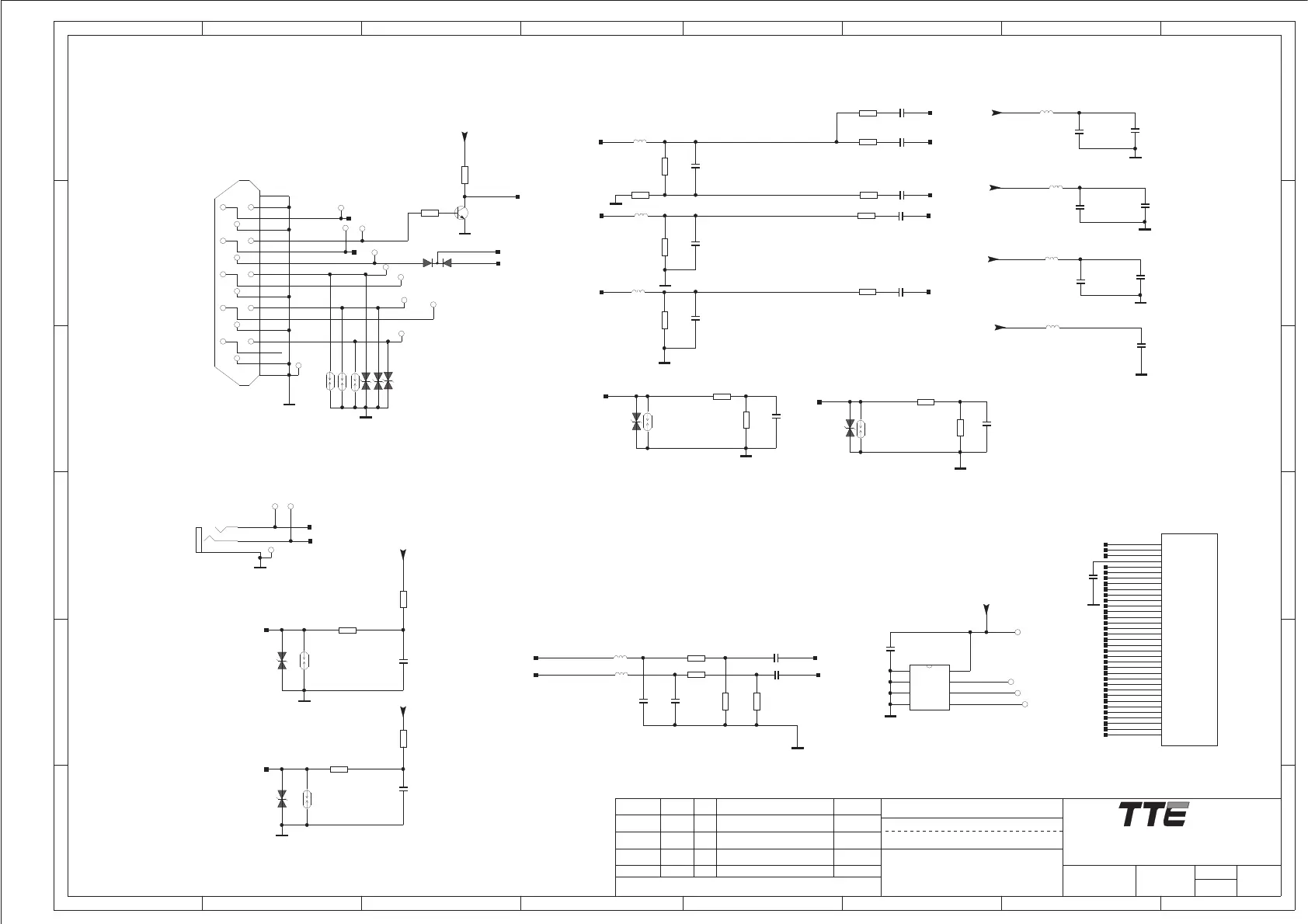
VGA CONNECTOR
VGA EEPROM
C971
NC/4U7
C970
NC/4U7
C969
NC/4U7
VGA_L_IN
VGASDA
BLUE
GREEN
VGASDA_IN
VSYNC
VGA_L_IN
VGA_R_IN
BLUE
HSYNC
HSYNC_IN
RED
VGA_R_IN
6
4
11
14
15
7
12
8
5
13
3
10
9
1
2
16
17
P4
VGA_PLUGPWR
VGA_PLUGPWR
VGA_PLUGPWR
VGA_PLUGPWR
AV33
AV125
AV125
+3V3SB
AVDD33_REG
C368
15P
1 2
3
D26
BAV70
R237
2K2
R233
5K6
R234
5K6
VSYNC_IN
HSYNC_IN
C372
10P
C373
10P
R223
2K2
R246
6K8
R245
6K8
2
1
3
P8
C453
0.1U
C111
0.1U
C112
0.1U
C113
0.1U
C363
0.1U
C362
0.1U
F7
F6
F8
F3
F5
F4
R247
15K
W/P
VGA_PLUGPWR
Z18
W/P_CTR
VGASCL_IN
1 2
V270RA
R60
21
R61
V270RA
B
C
E
Q37
BT3904
R238
4K7
R294
4K7
Z15
C365
15P
C364
15P
C375
15P
C374
15P
21
R57
V270RA
AIN3_L
R248
15K
21
R62
V270RA
21
R63
V270RA
100R
R232R235
0R
COM
21
R58
V270RA
21
R59
V270RA
AB24
AC24
AC25
AD25
AD26
AB22
AA23
AE25
AE26
AE24
AF25
AB15
AB19
AB13
AC19
AB20
AC20
AD19
AE19
AD20
AE20
AB18
AC18
AF19
AD21
AE22
AD23
AE23
AD24
AF24
AE21
AF21
AD22
AF22
V18
U201
MT5362
L57
600R
L58
600R
L59
600R
5
6
7
8
4
3
2
1
U29
AT24C02
Z17
Z16
VGASDA
VGASCL
+5V
C371
0.01U
L63
30R
R230
0R
C370
4700P
R229
33R
C369
0.01U
75R
R228
C367
0.01U
C366
0.01U
R227
33R
75R
R226
L62
30R
75R
R224
L61
30R
GREEN
BLUE
RED
BP
GP
SOG
RP
33R
R225
R244
100R
R243
100R
R240
10K
R239
10K
VGASCL
VGASDA
C115
1U
C377
470P
L67
30R
L66
30R
470P
C376
1U
C114
AIN3_R
W/P
F9
VGASDA_IN
VGASCL_IN
HSYNC
VSYNC
CVBS0P
CVBS3P
CVBS0N
CVBS2P
SC1
PB0P
COM0
SY1
Y0P
SOY0
PR0P
Y1P
AVDD12_RGB
SOY1
SOG
PR1P
SC0
SY0
COM
COM1
DVDD12_RGB
PB1P
CVBS1P
AVDD33_CVBS
RP
AVDD33_REG
AVDD33_REG
BP
GP
GND
GND
GND
GND
HSYNC
VSYNC
600R
L60
VGA_L_IN
VGA_R_IN
VGASCL
W/P
VGA_PWR
GREEN
RED
VSYNC_IN
GND_VGA
GND_VGAS
AVDD33_CVBS
AVDD12_RGB
DVDD12_RGB

Related product manuals