EasyManua.ls Logo

THOMSON 24FS3246 - Page 30

THOMSON 24FS3246
40 pages
Print Icon
To Next Page IconTo Next Page
To Next Page IconTo Next Page
To Previous Page IconTo Previous Page
To Previous Page IconTo Previous Page
Loading...
TCL CONFIDENTIAL
ONLY FOR AOE
GND
T
T
GND
GND
GND
GND
GND
GND
GND
GND
GND
FS
AVSS33_VDAC
AVSS33_VDAC_BG
AVDD33_VDAC
AVDD33_VDAC_BG
VDAC_OUT2
VDAC_OUT1
CVBS_BYPASS1
CVBS_BYPASS0
T
AOR
AIR
AOL
AGND
BGND
AIL
B
SWITCH
GGND
CLKOUT
G
DATA
RGND
DATAGND
R
BLNK
VGND
BLNKGND
VOUT
VIN
SHIELD
GND
GND
T
T
T
T
...
.............
DD-MM
DD-MM
DD-MM
DD-MM
...
...
...
...
...
...
...
...
...
5-5-2008_15:52
...........
...
...
...
...
...
...
DD-MM-YY
......
Tel +86-755-3331xxxx Fax +86-755-3331xxxx
Nanshan District, Shenzhen, Guangdong
B Building, TCL Tower, Nanhai Road
TCL Thomson Electronics Ltd.
OF :
PAGE:
ON:
BY:
BY:
ON:
CHECKED
DATE
Last saved :
DESCRIPTION Last modifNAME
A
3 2 1
F
E
D
C
B
8 7 6 5
5
4 3 2 1
THIS DRAWING CANNOT BE COMMUNICATED TO UNAUTHORIZED PERSONS COPIED UNLES S PERMITTED IN WRITING
F
E
D
C
B
A
4678
FORMAT DIN A2
Index-Lab
DESIGNATION
SBU :
TCLNO:
DRAWN
GND
GND
GND
T
T T
T
T
T
T
GND
YELLOW
WHITE
RED
By Ada.Du
NEARLY ICNEARLY CONNECTOR
Near IC
FAST BLANKING
NEARLY CONNECTORNEARLY IC
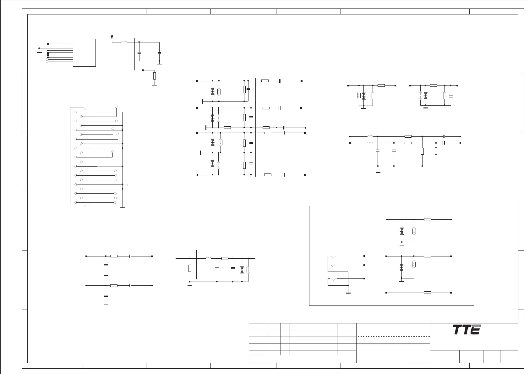
VIDEO DAC
Function Select
NEARLY CONNECTOR
NEARLY IC
ONLY FOR AUSTRALIA LCDTV
8
6
3
2
4
P25
SCT1_AV_OUT
SCT1_R_IN
R974
NC/0R
SCT1_AUR_IN
R973
NC/0R
R210
0R
GND_SCT
AV_IN
21
D166
V270RA
21
R1772
V270RA
SCT1_AV_OUT
F45
F11
21
D159
V270RA
C963
0.1U
C305
NC/47P
AUR_IN
AUL_OUT
AUL_IN
SCT_B
FS
DACOUT1
SCT2_C_IN
SCT2_AV_IN
SCT1_AUR_OUT
F20
21
R152
V270RA
F19
21
R153
V270RA
FS
SCT1_AUR_IN
C590
47P
C116
1U
SCT_G
SCT_R
FB
R1638
10K
CB46
0.1U
C674
0.01U
C670
0.01U
C669
0.01U
C667
0.01U
SCT1_AV_OUT
21
D167
V270RA
R1744
100R
21
D156
V270RA
Z30
R1641
75R
C664
0.047U
C589
0.047U
C603
0.047U
R268
560 1%
21
D155
V270RA
R1753
68R
R1749
68R
C668
15P
R1640
3K6
C671
15P
21
D169
V270RA
C602
47P
R1685
75R
C665
47P
AVDD33_VDAC
L23
1.8UH
R1686
100R
21
10
20
9
19
8
18
7
17
6
16
5
15
4
14
3
13
2
12
1
11
P1
Z31
R211
75R
C306
47P
R1683
100R
FB25
600R
E13
E14
E15
C15
D15
A13
B13
AB23
AC23
U201
MT5362
AV33
R1754
75R
R1643
100R
R1757
75R
SCT1_FS_IN
R1639
0R
R1688
0R
R1570
75R
C673
15P
R1758
68R
PR0P
SCT1_AUL_OUT
SCT1_AUR_IN
SCT1_AUL_IN
SCT1_B_IN
SCT1_R_IN
DACOUT1
DACOUT2
AVDD33_VDAC
AVDD33_VDAC
CVBS2P
CVBS_BYPS0
CVBS_BYPS1
FS
SOY0
SY1
COM0
SC1
Y0P
SCT1_AUR_OUT
PB0P
F12
F13
F14
SCT1_AUL_OUT
F21
SCT1_FB_IN
F22
SCT1_FS_IN
SCT1_AV_IN
SCT1_B_IN
SCT1_G_IN
SCT1_R_IN
AIN1_L
C30
1U
C437
470P
C439
470P
R304
15K
R305
15K
L10
30R
L11
30R
AIN1_R
SCT1_AUL_IN
1U
C34
R295
6K8
R296
6K8
SCT1_AV_IN
SCT1_FB_IN
SCT1_G_IN
AUR_OUT
AV_OUT
ADIN3
SCT1_AUL_IN
R975
NC/0R
SCT1_AUR_IN
SCT1_AUL_IN
SCT1_R_IN

Related product manuals