EasyManua.ls Logo

THOMSON 24FS3246 - Page 36

THOMSON 24FS3246
40 pages
Print Icon
To Next Page IconTo Next Page
To Next Page IconTo Next Page
To Previous Page IconTo Previous Page
To Previous Page IconTo Previous Page
Loading...
TCL CONFIDENTIAL
ONLY FOR AOE
...
.............
DD-MM
DD-MM
DD-MM
DD-MM
...
...
...
...
...
...
...
...
...
5-5-2008_15:52
...........
...
...
...
...
...
...
DD-MM-YY
......
Tel +86-755-3331xxxx Fax +86-755-3331xxxx
Nanshan District, Shenzhen, Guangdong
B Building, TCL Tower, Nanhai Road
TCL Thomson Electronics Ltd.
OF :
PAGE:
ON:
BY:
BY:
ON:
CHECKED
DATE
Last saved :
DESCRIPTION Last modifNAME
A
3 2 1
F
E
D
C
B
8 7 6 5
5
4 3 2 1
THIS DRAWING CANNOT BE COMMUNICATED TO UNAUTHORIZED PERSONS COPIED UNLES S PERMITTED IN WRITING
F
E
D
C
B
A
4678
FORMAT DIN A2
Index-Lab
DESIGNATION
SBU :
TCLNO:
DRAWN
GPIO4
GPIO1
GPIO3
INP
INM
GPIO8
GNDD_AD12
VCCAISO_D
REFM
CLK_TST
TCK
SCL
TS_CKOUT
TS_SYNC
TS_VAL
TS_ERR
TS_DATA0
TS_DATA1
TS_DATA2
GPIO5/CS1
VDD1
VDD2
SDA
TMS
INCM
TS_DATA4
TS_DATA6
VDD_IO_3V3_2
TS_DATA5
GNDA_PLL
VCCA_PLL
ZO
VCCA_OSC
GNDA_OSC
VDD10REG
VDD4
VDD_IO_3V3_4
GPIO7
TDO
GNDA_AD12
GNDAS_AD
VDD3
GPIO0
TRST
GPIO6/CS0
GPIO2
A
GND1
TS_DATA3
GNDD_PLL
GND4
VDD_IO_3V3_3
GND3
REFP
TDI
VDD_IO_3V3_1
GND2
VCCA_AD12
VBASE
GPIO9
TS_DATA7
VCCD_PLL
VDDD_AD12
N_RESET
By Ada.Du
R978
1M
C530
10U
16V
32
35
33
42
41
2
49
43
45
64
6
16
17
18
19
20
21
22
23
14
10
25
15
7
44
28
30
27
29
51
52
55
56
58
60
61
63
8
4
47
40
37
36
5
13
34
57
11
24
53
62
39
38
46
3
12
26
48
59
1
31
54
50
9
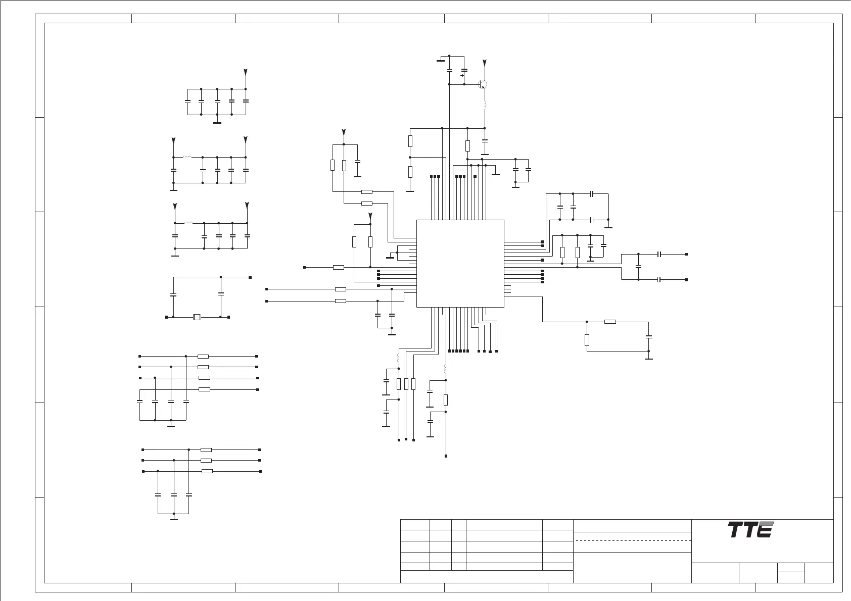
U11
STV0297E
R581
0R
R580
0R
4U7
C518
C511
0.01U
DV33A
DV33A
DV33A
DV33_DEMOD
TUNER_SCL
TUNER_SDA
DVBC_IF_AGC
R530
10K
L111
120R
DV25_DEMOD
R590
33R
33R R575
C553
10P
R221
0R
R534
10K
0.1U
C519
100R
R275
R273
100R
R1771
10K
C517
10P
R55933R
33R R560
C527
10P
X27M2
27M
C200
0.1U
0.1U
C521
C520
0.1U
C506
0.1U
0.1U
C505
C258
0.1U
C504
0.1U
C499
0.1U
0.1U
C498
0.1U
C501
0.1U
C500
C502
0.1U
L77
120R
B
C
E
Q13
BC817W
R558
150R
R528
1K
C512
0.1U
DV33_DEMOD
C528
10P
120R
L76
120R
L75
R57033R
DV11_DEMOD
C515
0.01U
DV25_DEMOD
0.1U
C510
R527
0R
C92
4U7
C509
1U
0.1U
C507
470R
R284
R282
470R
C525
47P
27P
C524
C503
27P
C522
1U
AV25
C206
1U
L72
120R
47P
C526
C508
0.1U
1U
C213
4U7
C478
0.1U
C216
C514
0.1U
NC
C516
C529
10P
C550
10P
C551
10P
C552
10P
R591
33R
R592
33R
R593
33R
R596
33R
C556
10P
C555
10P
C554
10P
R595
33R
R594
33R
TS1VALID
TS1CLK
TS1SYNC
TS1INDATA5
TS1INDATA6
TS1INDATA4
TS1INDATA7
TS_C_DATA4
TS_C_DATA5
TS_C_DATA6
TS_C_DATA7
DV25_DEMOD
ZOA
TS1INDATA1
TS1INDATA2
TS1INDATA3
TS_C_DATA1
TS_C_DATA2
TS_C_DATA3
DV11_DEMOD
GND
INCM
GND
DV25_DEMOD
DV33_DEMOD
GND
GND
DV33_DEMOD
DV33_DEMOD
DV33_DEMOD
DV25_DEMOD
DV25_DEMOD
DV25_DEMOD
DV11_DEMOD
DV11_DEMOD
DV11_DEMOD
ZO
DEMOD_RST#
GND
GND
GND
GND
FAT_C_IN-
FAT_C_IN+
DEMOD_VALID
DEMOD_DATA
DEMOD_CLK
INM
INP
A
TS_C_DATA6
TS_C_DATA5
TS_C_DATA4
TS_C_DATA3
TS_C_DATA2
TS_C_DATA1
TS_C_DATA7
DEMOD_SYNC
TS1INDATA0
C261
0.1U
R318
4K7
4K7
R315
TUNER_CLK
TUNER_DATA
GPIO_8

Related product manuals